电脑桌面
添加小米粒文库到电脑桌面
安装后可以在桌面快捷访问

直流电压电流和电阻的测量

直流电压电流和电阻的测量_第1页
1/3
直流电压电流和电阻的测量_第2页
2/3
直流电压电流和电阻的测量_第3页
3/3
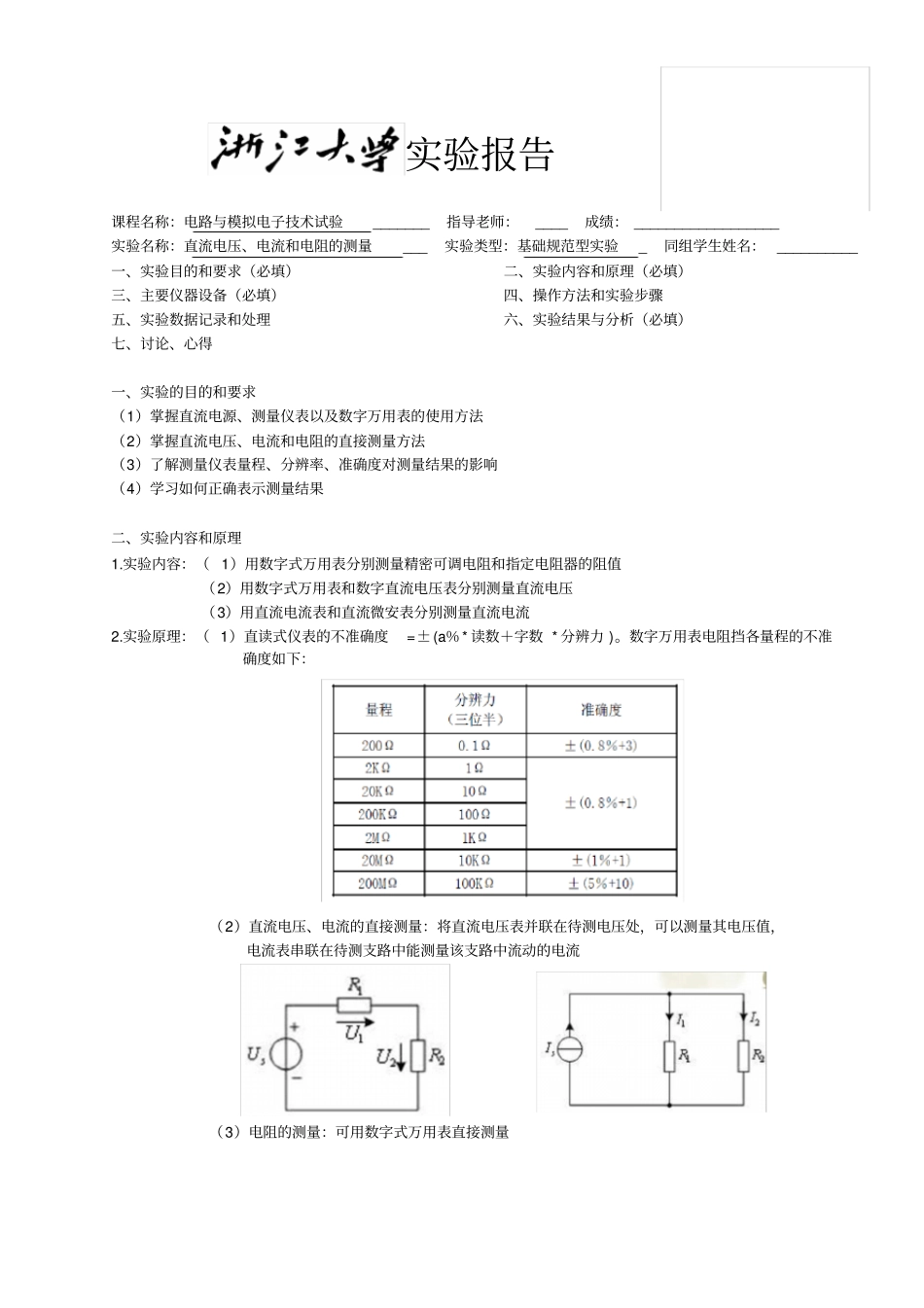
实验报告课程名称:电路与模拟电子技术试验_______ 指导老师:____ 成绩: __________________ 实验名称:直流电压、电流和电阻的测量___ 实验类型:基础规范型实验_ 同组学生姓名: __________ 一、实验目的和要求(必填)二、实验内容和原理(必填)三、主要仪器设备(必填)四、操作方法和实验步骤五、实验数据记录和处理六、实验结果与分析(必填)七、讨论、心得一、实验的目的和要求(1)掌握直流电源、测量仪表以及数字万用表的使用方法(2)掌握直流电压、电流和电阻的直接测量方法(3)了解测量仪表量程、分辨率、准确度对测量结果的影响(4)学习如何正确表示测量结果二、实验内容和原理1.实验内容:( 1)用数字式万用表分别测量精密可调电阻和指定电阻器的阻值(2)用数字式万用表和数字直流电压表分别测量直流电压(3)用直流电流表和直流微安表分别测量直流电流2.实验原理:( 1)直读式仪表的不准确度=±(a%* 读数+字数 * 分辨力 )。数字万用表电阻挡各量程的不准确度如下:(2)直流电压、电流的直接测量:将直流电压表并联在待测电压处,可以测量其电压值,电流表串联在待测支路中能测量该支路中流动的电流(3)电阻的测量:可用数字式万用表直接测量三、主要仪器设备:数字万用表、电工综合实验台、DG07 多功能网络实验组件六、实验结果与分析:如下实验一直流电压、电流和电阻的测量1、用数字万用表分别测量:表 7-1-1 用数字万用表测量十进制电阻箱精密可调电2 10 50 200 1000 9999 测量值 /量程(? ) 6.7/200 11.5/200 59.4/ 200 0.200K/ 2K 1.002K/ 2K 10.03K/ 20k 不准确度0.3526 0.392 0.7752 0.0026K 0.00901K6K 0.09024KK 测量结果 (? ) 6.7±0.35 11.5±0.39 59.4±0.77 0.200K ±0.0026K 1.002K ±0.009K 10.03K ±0.09K 表 7-1-2 用数字万用表测量电阻DG08 上的电阻标称值(? ) 100 680 1K 5.1K 500K 测量值 /量程 (? ) 100.1/ 200 0.682K/ 2K 0.994K/ 2K 5.09K/ 20K 0.498M/ 2M 不准确度1.1008 0.006456K 0.00852K 0.05072K 0.004984M 测量结果(? ) 100.1±1.1 0.682K ±0.0065K 0.994K ±0.0085K 5.09K ±0.05K 0.498M ±0.005M 2、用数字万用表和数字直流电压表分别测量直流电压。表 7-1-3 测量直流电压U S (V) U 1 (V) U2 (V) 用数字万用表测量15.13 11.66 2.88 用数字直流电压表测量15.09 11.28...

1、当您付费下载文档后,您只拥有了使用权限,并不意味着购买了版权,文档只能用于自身使用,不得用于其他商业用途(如 [转卖]进行直接盈利或[编辑后售卖]进行间接盈利)。
2、本站所有内容均由合作方或网友上传,本站不对文档的完整性、权威性及其观点立场正确性做任何保证或承诺!文档内容仅供研究参考,付费前请自行鉴别。
3、如文档内容存在违规,或者侵犯商业秘密、侵犯著作权等,请点击“违规举报”。

碎片内容

直流电压电流和电阻的测量

爱的疯狂+ 关注
实名认证
内容提供者

该用户很懒,什么也没介绍

相关文档

确认删除?
VIP
微信客服
  • 扫码咨询
会员Q群
  • 会员专属群点击这里加入QQ群
客服邮箱
回到顶部