电脑桌面
添加小米粒文库到电脑桌面
安装后可以在桌面快捷访问

矿井机房安全质量标准化建设标准表

矿井机房安全质量标准化建设标准表_第1页
1/14
矿井机房安全质量标准化建设标准表_第2页
2/14
矿井机房安全质量标准化建设标准表_第3页
3/14
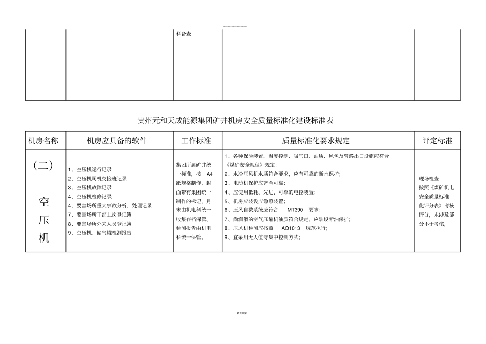
---------------------------- 精选资料贵州元和天成能源集团矿井机房安全质量标准化建设标准表机房名称机房应具备的软件工作标准质量标准化要求规定评定标准(一)主提升机房1 、提升运行记录2 、提升机司机交接班记录3 、钢丝绳检查记录4 、提升机安全保护装置检查试验记录5 、提升机巡回检查记录6 、提升机检修记录7 、提升机故障记录8 、要害场所重大事故分析、处理记录9 、要害场所干部上岗登记簿10 、要害场所外来人员登记簿集团所属矿井统一标准,按A4纸规格制作,封面带有集团统一制作的标记,月末由机电科统一收集存档保管1 、主井提升系统应装设定重装置2 、提升系通信、信号装置应完善;3 、主、副绞车房有能与矿调度室直通的电话;4 、上、下井口及各水平应装设视频监视装置;5 、副井及负力提升的系统应使用可靠的电气制动;6 、斜井提升制动减速度达不到要求时应装设二级制动装置;7 、立井井口及各水平各种操车设施与提升信号联锁边;8 、提升速度大于3m/s的提升系统内,应装设防撞梁、防过卷、过放和缓冲托罐装置,过卷高度和放过距离符合规定,单绳缠绕式双滚筒绞车应安设地锁和离合器闭锁;9 、机房内应装设应急照明装置;10 、应使用变频、直流等低耗、先进、可靠的电控装置;11 、主提升宜采用无人值守全自动控制方式,使用制动系统在线监测装置。现场检查:按照《煤矿机电安全质量标准化评分表》考核评分,未涉及部分不于考核,1 、提升绞车操作规程2 、绞车司机岗位责任制3 、提升绞车巡回检查制度4 、钢丝绳检查制度5 、安全保护装置检查试验制度6 、提升绞车检修制度7 、要害场所管理制度8 、机电干部上岗检查制度按照 40cm ×60cm牌板规格,黑底白字打印装框,上墙悬挂整齐现场检查:作基础资料要求,1 、提升绞车供电系统图2 、提升绞车液压系统图3 、提升绞车传动系统图4 、矿井运输系统图按 60cm ×80cm牌板标准用自粘胶塑料纸打印装框,上墙悬挂整齐,另备一套按 A1# 图纸标准打印在机电现场检查:作基础资料要求,---------------------------- 精选资料科备查贵州元和天成能源集团矿井机房安全质量标准化建设标准表机房名称机房应具备的软件工作标准质量标准化要求规定评定标准(二)空压机1 、空压机运行记录2 、空压机司机交接班记录3 、空压机故障记录4 、空压机检修记录4 、要害场所重大事故分析、处理记录7 、要害场所干部上岗登记簿8 、要害场所外来人员登...

1、当您付费下载文档后,您只拥有了使用权限,并不意味着购买了版权,文档只能用于自身使用,不得用于其他商业用途(如 [转卖]进行直接盈利或[编辑后售卖]进行间接盈利)。
2、本站所有内容均由合作方或网友上传,本站不对文档的完整性、权威性及其观点立场正确性做任何保证或承诺!文档内容仅供研究参考,付费前请自行鉴别。
3、如文档内容存在违规,或者侵犯商业秘密、侵犯著作权等,请点击“违规举报”。

碎片内容

矿井机房安全质量标准化建设标准表

您可能关注的文档

爱的疯狂+ 关注
实名认证
内容提供者

该用户很懒,什么也没介绍

确认删除?
VIP
微信客服
  • 扫码咨询
会员Q群
  • 会员专属群点击这里加入QQ群
客服邮箱
回到顶部