电脑桌面
添加小米粒文库到电脑桌面
安装后可以在桌面快捷访问

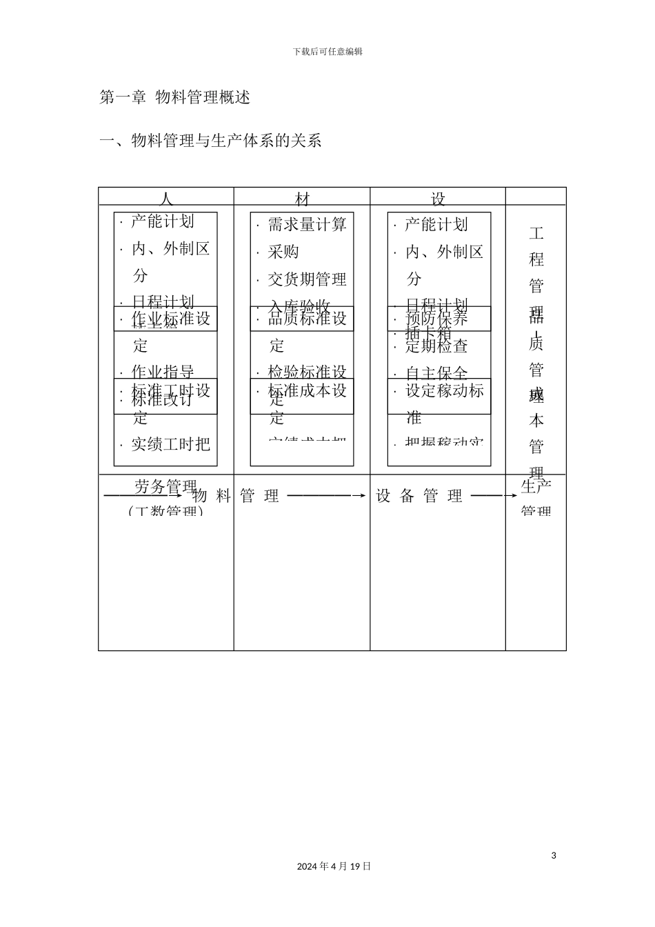
物料管理与生产体系的关系

物料管理与生产体系的关系_第1页
1/76
物料管理与生产体系的关系_第2页
2/76
物料管理与生产体系的关系_第3页
3/76
下载后可任意编辑物料管理与生产体系的关系12024 年 4 月 19 日下载后可任意编辑第一章 物料管理概述一、物料管理与生产体系的关系32024 年 4 月 19 日‧ 产能计划‧ 内、外制区分‧ 日程计划‧ 插卡箱‧ 需求量计算‧ 采购‧ 交货期管理‧ 入库验收‧ 产能计划‧ 内、外制区分‧ 日程计划‧ 插卡箱‧ 作业标准设定‧ 作业指导‧ 标准改订‧ 品质标准设定‧ 检验标准设定‧ 预防保养‧ 定期检查‧ 自主保全‧ 标准工时设定‧ 实绩工时把握‧ 标准成本设定‧ 实绩成本把‧ 设定稼动标准‧ 把握稼动实人材 料设 备工 程 管 理 │────→ 物 料 管 理 ────→ 设 备 管 理 ──→ 劳务管理(工数管理)生产管理品 质 管 理 │成本管 理 │下载后可任意编辑二、物料管理之意义物料管理系指计划、协调并配合各有关部门,以经济合理之方法供应各单位所需物料之管理办法,所谓经济合理之方法系指于适当之时间(Right time)、在适当的地点(Right place)、以适当之价格(Right price)及适当的品质(Right quality)供应适当数量(Right quantity)之物料。三、物料管理的目的(1)物料规格标准化,减少物料种类,有效管理物料规格的新增与变更。(2)适时供应生产所需之物料,避开停工待料。(3)适当管制采购价格,降低物料成本。(4)确保来料品质良好,并适当的管制供货商。(5)有效率的收发物料,提高工作人员之效率,避开呆料、废料之产生。(6)掌握物料适当的存量,减少资金的积压。(7)可考核物料管理之绩效。(8)仓储空间充分的利用。 (参阅备注 1)※凡备注项目仅供老师参考用42024 年 4 月 19 日下载后可任意编辑52024 年 4 月 19 日四、物料管理作业流程、内容与权责业 务生产管制物 料 管 理工 程厂商/生产仓 储采 购物 料 管 理依照客户订订定生产产品登记发出物料用量新 产 核准材料寻找厂商报价、议 价/物料制造01- 物料规格订定(验收标准)制定物料供应计进料检仓储管03- 存量管制05- 供货商评估与选择06- 供货商搬运.储存.防护储位规划收发管理生产排发 成品包装入 生产制造13- 成品管理08- 产品识别09- 检验与测试下载后可任意编辑第二章 物料工程管理一、物料规格的订定与管制1.图面、尺寸及公差设定2.材质、物性、化性之要求3.其它规格之制定4.物料规格之核准、分发、变更等管制方法二、材料清单(Bill Of Material ; BOM)BOM 为物料系统内最原始的物...

1、当您付费下载文档后,您只拥有了使用权限,并不意味着购买了版权,文档只能用于自身使用,不得用于其他商业用途(如 [转卖]进行直接盈利或[编辑后售卖]进行间接盈利)。
2、本站所有内容均由合作方或网友上传,本站不对文档的完整性、权威性及其观点立场正确性做任何保证或承诺!文档内容仅供研究参考,付费前请自行鉴别。
3、如文档内容存在违规,或者侵犯商业秘密、侵犯著作权等,请点击“违规举报”。

碎片内容

物料管理与生产体系的关系

您可能关注的文档

确认删除?
VIP
微信客服
  • 扫码咨询
会员Q群
  • 会员专属群点击这里加入QQ群
客服邮箱
回到顶部