电脑桌面
添加小米粒文库到电脑桌面
安装后可以在桌面快捷访问

通风管道部件安装工程技术交底

通风管道部件安装工程技术交底_第1页
1/8
通风管道部件安装工程技术交底_第2页
2/8
通风管道部件安装工程技术交底_第3页
3/8
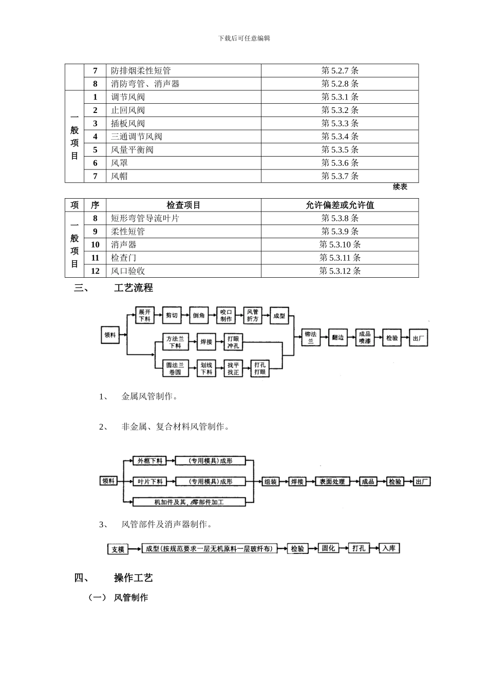
下载后可任意编辑一、施工准备(一) 作业条件1、集中加工应具有宽敞、明亮、干净、地面平整、不潮湿的厂房。2、作业地点要有相应加工工艺的必备工具、设施及电源和可靠的安全防护装置,并有消防器材。3、风管制作应有批准的图纸,经审查的大样图,系统图,并有施工员书面的技术质量及安全交底。(二) 施工器具龙门剪板机、电冲剪、手用电动剪倒角机、咬口机、压筋机、折方机、合缝机、振动式曲线剪板机、卷圆机、圆弯头咬口机、型钢切割机、角(扁)钢卷圆机、液压钳钉钳、电动拉铆枪、台钻、手电钻、冲孔机、插条法兰机、螺旋卷管机、电、气焊设备、空气压缩机油漆喷枪等设备及不锈钢板尺、钢直尺、角尺量角器、圆规、洋冲、铁锤、木锤、拍板、各类胎具、料桶、刷子等小型工具。(三) 材料规定1、能合用的板材、管材等重要材料应有出厂质量证明文献(涉及出厂合格证、质量合格证明及检测报告等)。2、非金属材料及填充料等应符合设计规定,有齐全的质量证明文献。二、质量规定1、金属风管及配件制作。质量规定应符合《通风与空调工程施工质量验收法律规范》(GB50243-2024)的规定。表 6-14项序检查项目允许偏差或允许值主控项目1材料种类、性能及厚度第 4.2.1 条2防火风管材料及密封垫料第 4.2.3 条3风管强度及严密性、工艺性检测第 4.2.5 条4风管的连接第 4.2.6 条5风管的加固第 4.2.10 条6矩形弯管制作及导流片第 4.2.12 条7净化空调风管第 4.2.13 条一般项1圆形弯管制作第 4.3.1-1 条2风管外观质量和外形尺寸第 4.3.1-2.3 条3焊接风管第 4.3.1-4 条下载后可任意编辑目4法兰风管制作第 4.3.2 条5铝板或不锈钢板风管第 4.3.2-4 条 续表项序检查项目允许偏差或允许值一般项目6无法兰圆形风管制作第 4.3.3 条7无法兰矩形风管制作第 4.3.3 条8风管的加固第 4.3.4 条9净化空调风管第 4.3.11 条2、非金属与复合材料风管及配件制作。质量规定应符合《通风与空调工程施工质量验收法律规范》(GB30243-2024)的规定。表 6-15项序检查项目允许偏差或允许值主控项目1材料种类、性能及厚度第 4.2.2 条2复合材料风管的材料第 4.2.4 条3风管强度及严密性、工艺性检测第 4.2.5 条4风管的连接第 4.2.7 条5复合材料风管法兰连接第 4.2.8 条6砖、混凝土风道的变形缝第 4.2.9 条7风管的加固第 4.2.11 条8矩形弯管制作及导流片第 4.2.12 条9净化空调风管第 4.2.13 条一般项目1风管制作第 4.3.1 条2硬聚氯乙烯...

1、当您付费下载文档后,您只拥有了使用权限,并不意味着购买了版权,文档只能用于自身使用,不得用于其他商业用途(如 [转卖]进行直接盈利或[编辑后售卖]进行间接盈利)。
2、本站所有内容均由合作方或网友上传,本站不对文档的完整性、权威性及其观点立场正确性做任何保证或承诺!文档内容仅供研究参考,付费前请自行鉴别。
3、如文档内容存在违规,或者侵犯商业秘密、侵犯著作权等,请点击“违规举报”。

碎片内容

通风管道部件安装工程技术交底

您可能关注的文档

确认删除?
VIP
微信客服
  • 扫码咨询
会员Q群
  • 会员专属群点击这里加入QQ群
客服邮箱
回到顶部