电脑桌面
添加小米粒文库到电脑桌面
安装后可以在桌面快捷访问

重点监测砖瓦企业统计报表表中国砖瓦网中国

重点监测砖瓦企业统计报表表中国砖瓦网中国_第1页
1/11
重点监测砖瓦企业统计报表表中国砖瓦网中国_第2页
2/11
重点监测砖瓦企业统计报表表中国砖瓦网中国_第3页
3/11
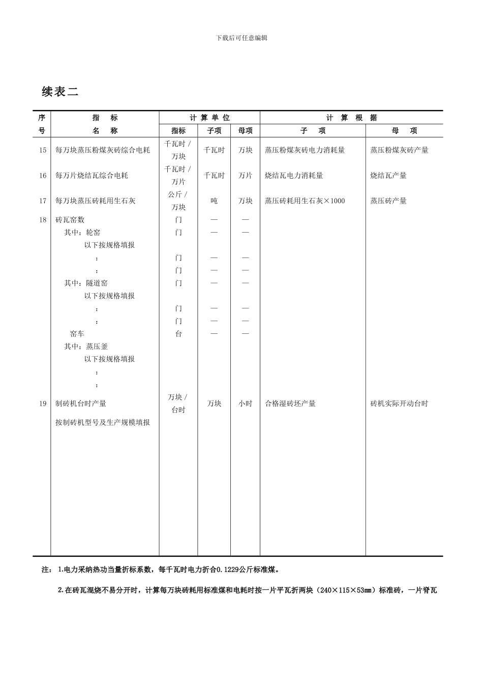
下载后可任意编辑3.6.3 砖瓦公司重要能源消耗及技术经济指标目录序指 标计 算 单 位计 算 根 据号名 称指标子项母项子 项母 项1.砖合格率%万块万块合格品的所有砖产量入窑砖坯数量其中:普通砖%万块万块合格品的普通砖产量入窑普通砖坯数量 空心砖%万块万块合格品的空心砖产量入窑空心砖坯数量 空心砌块%万块万块合格品的空心砌块产量入窑空心砌块坯数量蒸压灰砂砖%万块万块合格品的蒸压灰砂砖产量入釜蒸压灰砂砖坯数量蒸压粉煤灰砖%万块万块合格品的蒸压粉煤灰砖产量入釜蒸压粉煤灰砖坯数量2.瓦合格率%万片万片合格品的所有瓦产量入窑瓦坯数量烧结瓦%万片万片合格品的烧结瓦产量入窑烧结瓦坯数量琉璃瓦%万片万片合格品的琉璃瓦产量入窑琉璃瓦坯数量混凝土瓦%万片万片合格品的混凝土瓦产量入窑混凝土瓦数量3.砖一级品率%万块万块一级品砖产量合格品的所有砖产量其中:普通砖%万块万块一级品普通砖产量合格品的普通砖产量 空心砖%万块万块一级品空心砖产量合格品的空心砖产量 空心砌块%万块万块一级品空心砌块产量合格品的空心砌块产量蒸压灰砂砖%万块万块一级品蒸压灰砂砖产量合格品的蒸压灰砂砖产量蒸压粉煤灰砖%万块万块一级品蒸压粉煤灰砖产量合格品的蒸压粉煤灰砖产量4.瓦一级品率%万片万片一级品瓦产量合格品的所有瓦产量烧结瓦%万片万片一级品烧结瓦产量合格品的烧结瓦产量琉璃瓦%万片万片一级品琉璃瓦产量合格品的琉璃瓦产量混凝土瓦%万片万片一级品混凝土瓦产量合格品的混凝土瓦产量5.砖平均抗压强度兆帕兆帕·块块∑(某砖抗压强度×该强度砖产量)所有有强度的砖产量其中:普通砖兆帕兆帕·块块∑(某普通砖抗压强度×该强度普通砖产量)所有有强度的普通砖产量 空心砖兆帕兆帕·块块∑(某空心砖抗压强度×空心砖产量)所有有强度的空心砖产量 空心砌块兆帕兆帕·块块∑(某空心砌块抗压强度×该强度空心砌块产量)所有有强度的空心砌块产量蒸压灰砂砖兆帕兆帕·块块∑(某蒸压灰砂砖抗压强度×该强度蒸压灰砂砖产量)所有有强度的蒸压灰砂砖产量蒸压粉煤灰砖兆帕兆帕·块块∑(某蒸压粉煤灰砖抗压强度×该强度蒸压粉煤灰砖产量)所有有强度的蒸压粉煤灰砖产量续表一下载后可任意编辑序指 标计 算 单 位计 算 根 据号名 称指标子项母项子 项母 项6.瓦平均抗压强度兆帕兆帕·片块∑(某瓦抗压强度×该强度砖产量)所有有强度的瓦产量其中:烧结瓦兆帕兆帕·片片∑(某烧结瓦抗压强度×该强度烧结瓦产量)所有...

1、当您付费下载文档后,您只拥有了使用权限,并不意味着购买了版权,文档只能用于自身使用,不得用于其他商业用途(如 [转卖]进行直接盈利或[编辑后售卖]进行间接盈利)。
2、本站所有内容均由合作方或网友上传,本站不对文档的完整性、权威性及其观点立场正确性做任何保证或承诺!文档内容仅供研究参考,付费前请自行鉴别。
3、如文档内容存在违规,或者侵犯商业秘密、侵犯著作权等,请点击“违规举报”。

碎片内容

重点监测砖瓦企业统计报表表中国砖瓦网中国

您可能关注的文档

确认删除?
VIP
微信客服
  • 扫码咨询
会员Q群
  • 会员专属群点击这里加入QQ群
客服邮箱
回到顶部