电脑桌面
添加小米粒文库到电脑桌面
安装后可以在桌面快捷访问

钢筋模板砼安装工程检验批质量验收记录表样本

钢筋模板砼安装工程检验批质量验收记录表样本_第1页
1/60
钢筋模板砼安装工程检验批质量验收记录表样本_第2页
2/60
钢筋模板砼安装工程检验批质量验收记录表样本_第3页
3/60
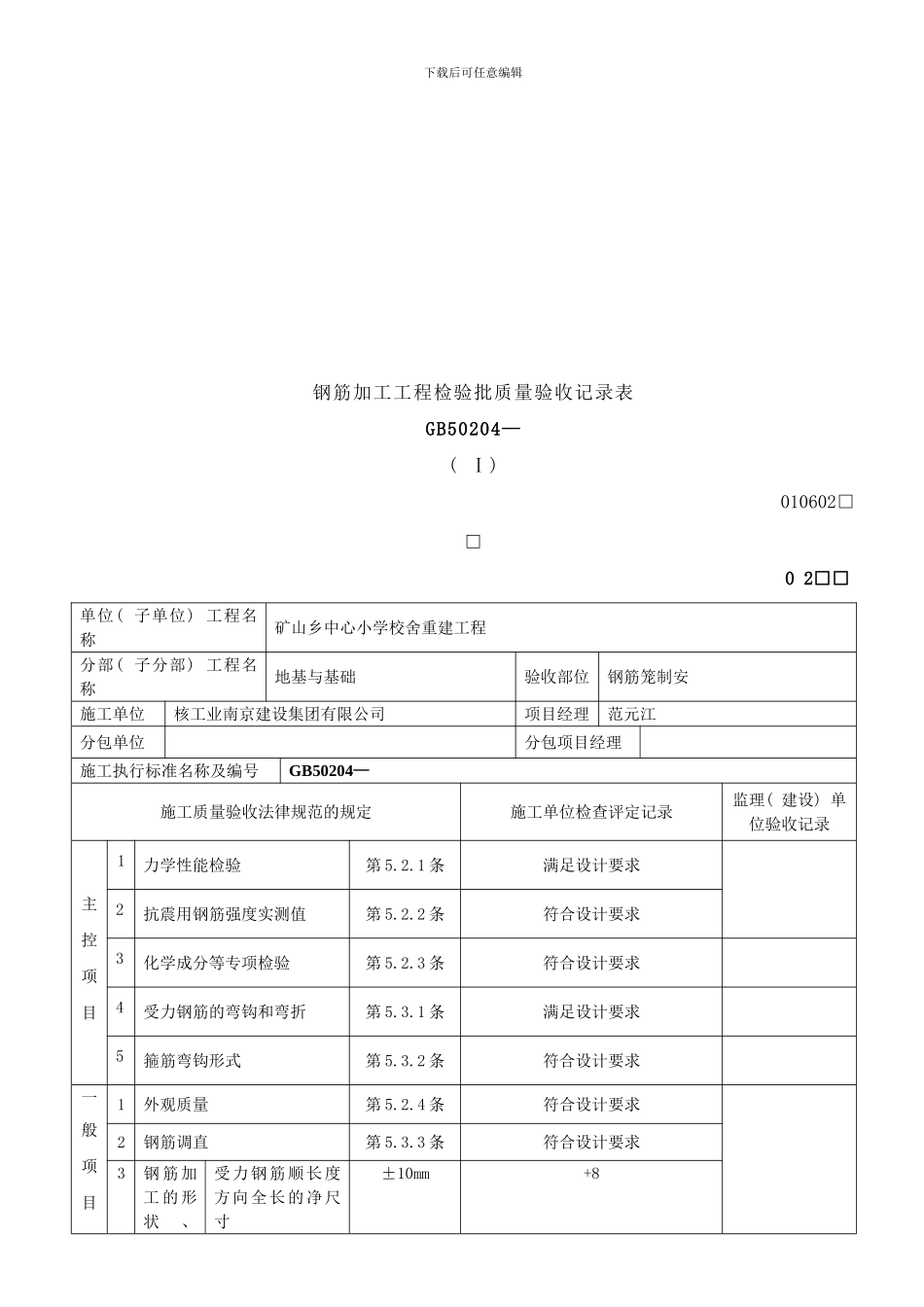
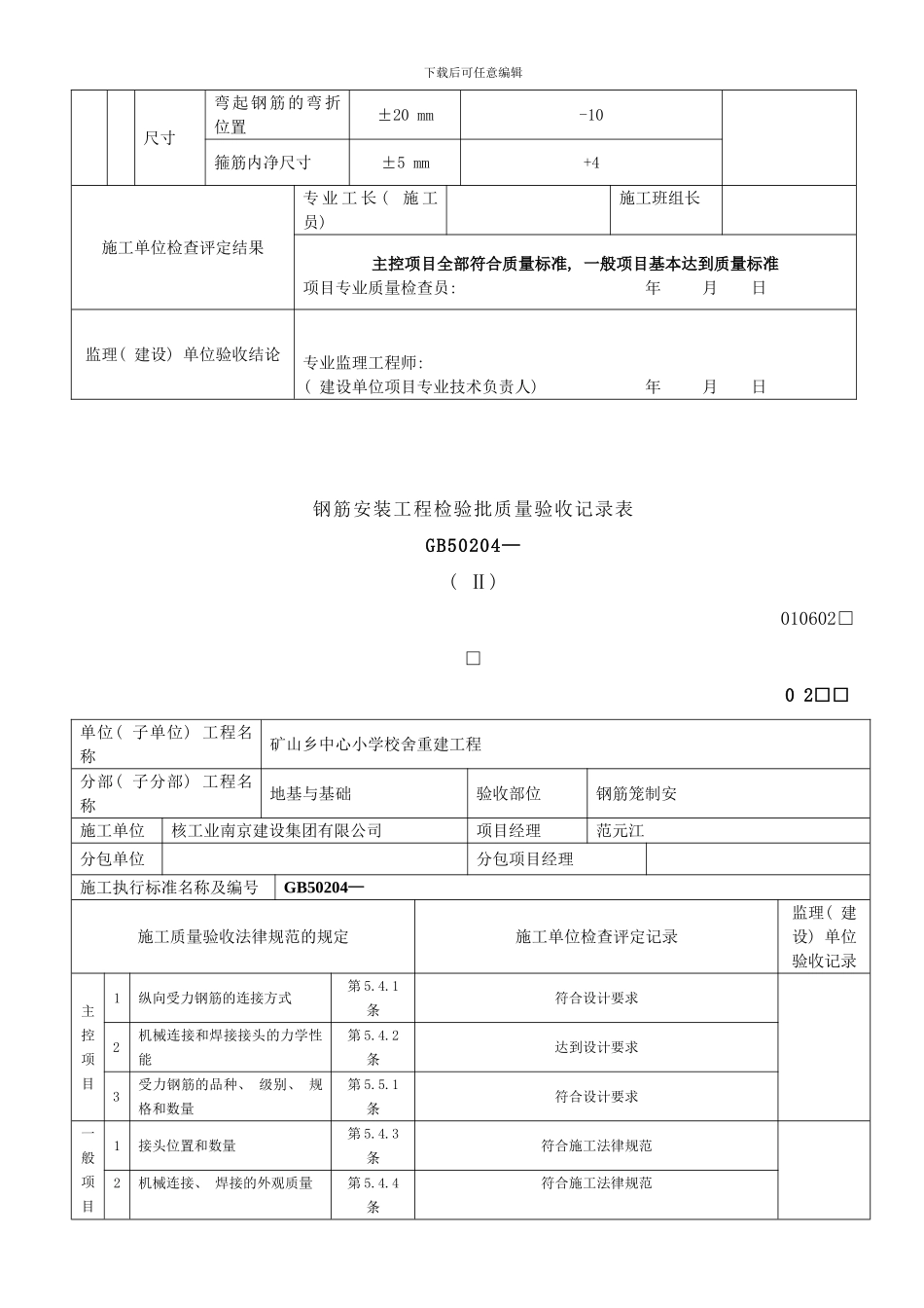
下载后可任意编辑目 录一、钢筋制安: 钢筋笼、 承台与基础梁、 一层、 二层、 顶层( 1-10) 二、 混凝土原材料及配合比设计检验: 桩基础、 承台与基础梁、 一层--顶层梁柱板楼梯( 11-15) 三、混凝土施工: 桩基础、 承台与基础梁、 一层-顶层梁柱板楼梯( 16-20) 四、模板安装工程: 承台与基础梁、 一层-顶层梁柱板楼梯( 21-24) 五、模板拆除工程: 承台与基础梁、 一层-顶层梁柱板楼梯( 25-28) 六、清水砌体勾缝工程: 29七、石砌体工程: 石档土墙 1-3( 30-32) 八、水泥混凝土垫层: 33九、水泥砂浆面层工程: 一层、 二层、 三层、 屋面层( 33-37) 十、砖砌体工程: 一层、 二层、 三层( 38-40) 十一、 一般抹灰工程: 室内外 41十二、 装饰抹灰工程: 室内外面砖基层 42十三、 护栏和扶手制作与安装工程 43十四、 门窗套制作与安装工程 44十五、 木门窗制作工程: 45十六、 门窗安装工程: 46十七、金属窗安装工程: 47下载后可任意编辑钢筋加工工程检验批质量验收记录表GB50204— ( Ⅰ) 010602□□ 0 2□□ 单位( 子单位) 工程名称矿山乡中心小学校舍重建工程分部( 子分部) 工程名称地基与基础验收部位钢筋笼制安施工单位核工业南京建设集团有限公司项目经理范元江分包单位分包项目经理施工执行标准名称及编号GB50204— 施工质量验收法律规范的规定施工单位检查评定记录监理( 建设) 单位验收记录主控项目1力学性能检验第 5.2.1 条满足设计要求2抗震用钢筋强度实测值第 5.2.2 条符合设计要求3化学成分等专项检验第 5.2.3 条符合设计要求4受力钢筋的弯钩和弯折第 5.3.1 条满足设计要求5箍筋弯钩形式第 5.3.2 条符合设计要求一般项目1外观质量第 5.2.4 条符合设计要求2钢筋调直第 5.3.3 条符合设计要求3钢 筋 加工 的 形状、 受力钢筋顺长度方向全长的净尺寸±10mm+8下载后可任意编辑尺寸弯起钢筋的弯折位置±20 mm-10箍筋内净尺寸±5 mm+4施工单位检查评定结果专 业 工 长 ( 施 工员) 施工班组长主控项目全部符合质量标准, 一般项目基本达到质量标准项目专业质量检查员: 年 月 日监理( 建设) 单位验收结论专业监理工程师: ( 建设单位项目专业技术负责人) 年 月 日钢筋安装工程检验批质量验收记录表GB50204— ( Ⅱ) 010602□□ 0 2□□单位( 子单位) 工程名称矿山乡中心小学校舍重建工程分部( 子分部) 工程名称地基与基础验收部位钢...

1、当您付费下载文档后,您只拥有了使用权限,并不意味着购买了版权,文档只能用于自身使用,不得用于其他商业用途(如 [转卖]进行直接盈利或[编辑后售卖]进行间接盈利)。
2、本站所有内容均由合作方或网友上传,本站不对文档的完整性、权威性及其观点立场正确性做任何保证或承诺!文档内容仅供研究参考,付费前请自行鉴别。
3、如文档内容存在违规,或者侵犯商业秘密、侵犯著作权等,请点击“违规举报”。

碎片内容

钢筋模板砼安装工程检验批质量验收记录表样本

确认删除?
VIP
微信客服
  • 扫码咨询
会员Q群
  • 会员专属群点击这里加入QQ群
客服邮箱
回到顶部