电脑桌面
添加小米粒文库到电脑桌面
安装后可以在桌面快捷访问

铁塔改造方案及无线改造方案样本

铁塔改造方案及无线改造方案样本_第1页
1/18
铁塔改造方案及无线改造方案样本_第2页
2/18
铁塔改造方案及无线改造方案样本_第3页
3/18
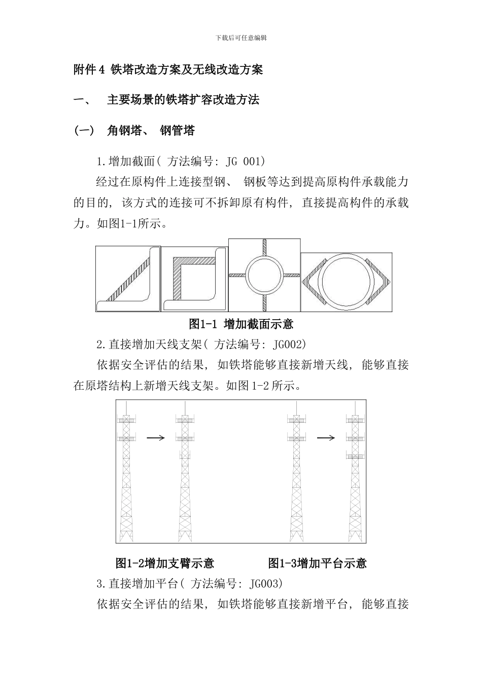
下载后可任意编辑附件 4 铁塔改造方案及无线改造方案一、主要场景的铁塔扩容改造方法(一)角钢塔、 钢管塔1.增加截面( 方法编号: JG 001) 经过在原构件上连接型钢、 钢板等达到提高原构件承载能力的目的, 该方式的连接可不拆卸原有构件, 直接提高构件的承载力。如图1-1所示。图1-1 增加截面示意2.直接增加天线支架( 方法编号: JG002) 依据安全评估的结果, 如铁塔能够直接新增天线, 能够直接在原塔结构上新增天线支架。如图 1-2 所示。图1-2增加支臂示意 图1-3增加平台示意3.直接增加平台( 方法编号: JG003) 依据安全评估的结果, 如铁塔能够直接新增平台, 能够直接下载后可任意编辑在原塔结构上新增平台。如图 1-3 所示。4.拆除平台更换为支架( 方法编号: JG004) 平台的直径一般在 2.5 米以上, 护栏高度 1.1 米以上, 平台的挡风面积及体形系数都大于天线的挡风面积和体形系数, 因此拆除平台换天线支架, 能够有效的降低铁塔的荷载, 为新增天线制造条件。改造方式如图 1-4 所示。5.拆除平台更换为简易平台( 方法编号: JG005) 由于简易平台与传统平台相比取消了护栏, 这就大大降低了平台的挡风面积, 同时又兼顾了更好的安装和维护的便利性。如图 1-5 所示。图1-4 拆平台换支架示意 图1-5 拆平台换简易平台示意6.降平台高度或塔高度( 方法编号: JG006) 铁塔是悬臂结构, 降低铁塔总高度或者降低平台固定位置高度能有效减少铁塔的负荷。如图 1-6 所示。下载后可任意编辑图1-6 降平台高或降塔高示意部分存量铁塔塔身安装有运营商的徽标, 拆除徽标会减少铁塔的荷载, 给新增天线制造条件。如图 1-7 所示。图1-7 拆除徽标示意(二)单管塔1.直接增加天线支架( 方法编号: DG001) 依据安全评估的结果, 如铁塔能够直接新增天线, 能够直接在原塔结构上新增天线支架。如图 1-8 所示。2.直接增加平台( 方法编号: DG002) 下载后可任意编辑依据安全评估的结果, 如铁塔能够直接新增平台, 能够直接在原塔结构上新增平台, 建议增加简易平台。如图 1-9 所示。图1-8 增加支臂示意 图1-9 增加平台示意3.拆除平台更换为支架( 方法编号: DG003) 平台的直径一般在 2.5 米以上, 护栏高度 1.1 米以上, 平台的挡风面积及体形系数都大于天线的挡风面积和体形系数, 因此拆除平台换天线支架, 能够有效的降低铁塔的荷载, 为新增天线制造条件。改造方式如图 1-10 所示。下载后可任意编辑图...

1、当您付费下载文档后,您只拥有了使用权限,并不意味着购买了版权,文档只能用于自身使用,不得用于其他商业用途(如 [转卖]进行直接盈利或[编辑后售卖]进行间接盈利)。
2、本站所有内容均由合作方或网友上传,本站不对文档的完整性、权威性及其观点立场正确性做任何保证或承诺!文档内容仅供研究参考,付费前请自行鉴别。
3、如文档内容存在违规,或者侵犯商业秘密、侵犯著作权等,请点击“违规举报”。

碎片内容

铁塔改造方案及无线改造方案样本

确认删除?
VIP
微信客服
  • 扫码咨询
会员Q群
  • 会员专属群点击这里加入QQ群
客服邮箱
回到顶部