电脑桌面
添加小米粒文库到电脑桌面
安装后可以在桌面快捷访问

长余高速公路施工各项技术指标样本

长余高速公路施工各项技术指标样本_第1页
1/11
长余高速公路施工各项技术指标样本_第2页
2/11
长余高速公路施工各项技术指标样本_第3页
3/11
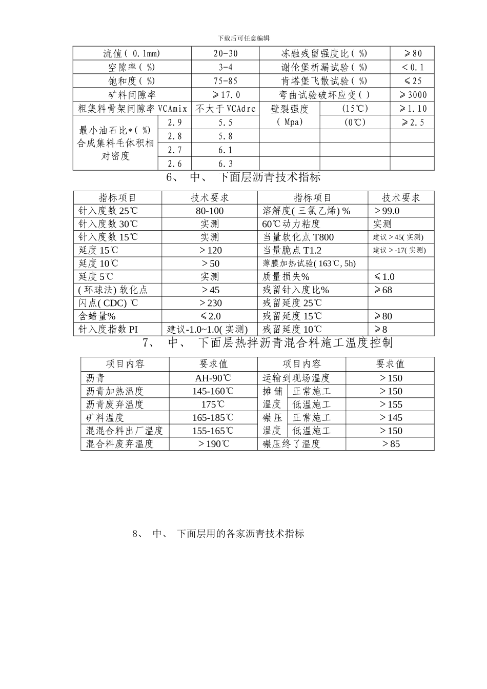
下载后可任意编辑 1、 长余高速公路二灰碎石级配要求厂拌、 摊铺机摊铺二灰碎级配表筛孔尺寸mm31.5199.54.752.361.180.60.075经过( %) 10047-6724-4415-2514-207-133-70-42、 安山岩加 3%抗剥落剂试验结果试验项目油石比%空隙率%沥青体积百分率%矿料间隙率%饱合度% 稳定度 KN流值0.1mm未加抗剥落剂430%340%1010%1350%7482%1011%3417%西[安 ASA430%400%1010%1410%7163%1161%3683%长春 ASA430%340%1010%1370%7372%1030%3083%试验项目动稳定度平均值 次/mm偏差 % 残留稳定度%劈裂强度Mpa 15 ℃劈裂强度Mpa 0 ℃冻融劈列强度比 % 未加抗剥落剂92300%1387%7925%139%303%4598% 西[安 ASA94500%1420%9291%149%302%7945% 长春 ASA84600%1848%9676%137%301%10151% 3、 MSA-16 型上面层级配范围筛孔 标段191613.2 9.54.75 2.36 1.18 0.60.30.15 0.07505 、 08 、 09 、 12 、 1310090-10060-8040-6022-3416-2614-2212-1810-159-149-1202 、 03 、 07 、 10 、 1110090-10070-8647-6322-3016-2514-2112-1710-159-139-124、 路面温度计算公式T20 mm=(Tair-0.00618Lat2+0.2289Lat+42.2)(0.9545)-17.78 式中: T20MM= 在 20mm 深处的高路面设计温度Tair=七天平均高气温Lat=项目所在地区的地理纬度, 以度计在路面表层的低路面设计温度, 作为低气温的函数用下式进行计算: Tsurf=0.859 Tair+1.7式中: Tair=一天最低温度5、 用改性沥青后 SMA 混合料技术指标试验项目技术指标试验项目技指标术击实次数双面各 50 次浸水残留稳定度( %) ≥80稳定度( KN) 6.0车辙( 次/mm) ≥2500下载后可任意编辑流值( 0.1mm) 20-30冻融残留强度比( %) ≥80空隙率( %) 3-4谢伦堡析漏试验( %) <0.1饱和度( %) 75-85肯塔堡飞散试验( %) ≤25矿料间隙率≥17.0弯曲试验破坏应变( ) ≥3000粗集料骨架间隙率 VCAmix不大于 VCAdrc壁裂强度 ( Mpa) (15℃)≥1.10最小油石比*( %) 合成集料毛体积相 对密度2.95.5(0℃)≥2.52.85.8 2.76.1 2.66.3 6、 中、 下面层沥青技术指标指标项目技术要求指标项目技术要求针入度数 25℃80-100溶解度( 三氯乙烯) %>99.0针入度数 30℃实测60℃动力粘度实测针入度数 15℃实测当量软化点 T800建议>45( 实测) 延度 15℃>120当量脆点 T1.2建议>-17( 实测) 延度 10℃>50薄膜加热试验( 163℃, 5h) 延度 5℃实测质量损失%≤1.0( 环球法) 软...

1、当您付费下载文档后,您只拥有了使用权限,并不意味着购买了版权,文档只能用于自身使用,不得用于其他商业用途(如 [转卖]进行直接盈利或[编辑后售卖]进行间接盈利)。
2、本站所有内容均由合作方或网友上传,本站不对文档的完整性、权威性及其观点立场正确性做任何保证或承诺!文档内容仅供研究参考,付费前请自行鉴别。
3、如文档内容存在违规,或者侵犯商业秘密、侵犯著作权等,请点击“违规举报”。

碎片内容

长余高速公路施工各项技术指标样本

确认删除?
VIP
微信客服
  • 扫码咨询
会员Q群
  • 会员专属群点击这里加入QQ群
客服邮箱
回到顶部