电脑桌面
添加小米粒文库到电脑桌面
安装后可以在桌面快捷访问

闸阀设计计算说明书

闸阀设计计算说明书_第1页
1/8
闸阀设计计算说明书_第2页
2/8
闸阀设计计算说明书_第3页
3/8
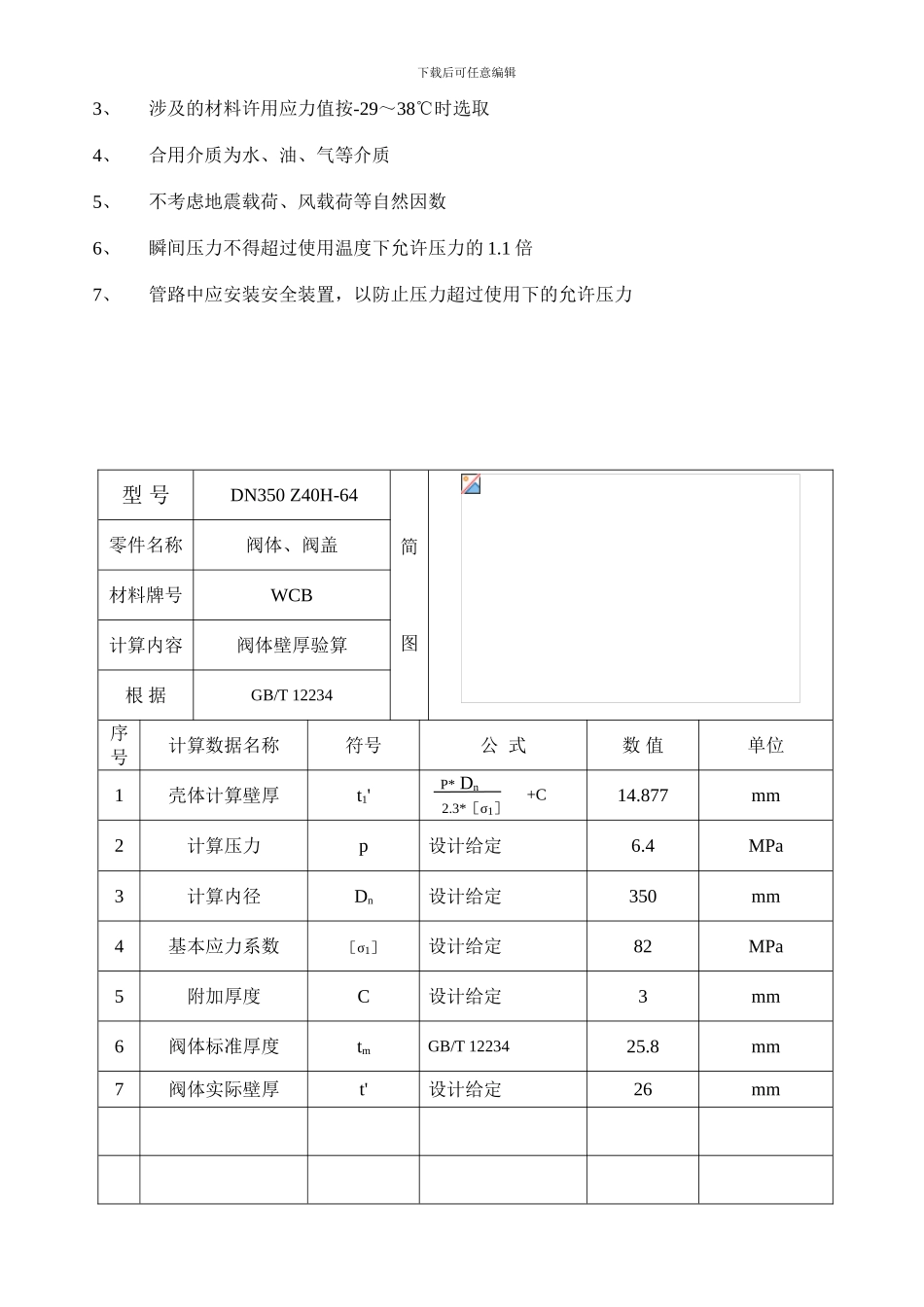
下载后可任意编辑目 录阀体壁厚验算………………………………………………………………………………1密封面上总作用力及计算比压……………………………………………………………2闸板强度验算………………………………………………………………………………3阀杆强度验算………………………………………………………………………………4中法兰螺栓强度验算………………………………………………………………………5阀体中法兰强度验算………………………………………………………………………6流量系数计算………………………………………………………………………………7参考资料1、GB/T 12234……………………………………………法兰和对焊连接钢制闸阀2、JB/T 79.2……………………………………………… 凹凸面整体铸钢管法兰3、GB/T 12221…………………………………………… 阀门结构长度4、机械工业出版社………………………………………《机械设计师手册》5、机械工业出版社………………………………………《有用阀门设计手册》说明1、以公称压力作为计算压力2、对壳体壁厚的选取,在满足计算壁厚的前提下,按相关标准取壳体最小壁厚且圆整整数,已具裕度下载后可任意编辑3、涉及的材料许用应力值按-29~38℃时选取4、合用介质为水、油、气等介质5、不考虑地震载荷、风载荷等自然因数6、瞬间压力不得超过使用温度下允许压力的 1.1 倍7、管路中应安装安全装置,以防止压力超过使用下的允许压力 型 号 DN350 Z40H-64简 图零件名称阀体、阀盖材料牌号WCB计算内容阀体壁厚验算根 据GB/T 12234 序号计算数据名称符号公 式数 值单位1壳体计算壁厚t1'P* Dn2.3*[σ1]14.877mm2计算压力p设计给定6.4MPa3计算内径Dn设计给定350mm4基本应力系数[σ1]设计给定82MPa5附加厚度C设计给定3mm6阀体标准厚度tmGB/T 12234 25.8mm7阀体实际壁厚t'设计给定26mm+C下载后可任意编辑结论: t'>t1' t'>tm 合格 -1-型 号 DN350 Z40H-64简 图零件名称阀座材料牌号D507 Mo/D577 Mo计算内容密封面上总作用力及计算比压根 据《有用阀门设计手册》 序号计算数据名称符号公 式数 值单位1密封面上总作用力QMZQMJ+QMF633194.82N2最大压差介质作用力QMJπP (DMN+bM)2/4540502.02N3密封面内径DMN设计给定319mm4密封面宽度bM设计给定9mm5计算压力P设计给定6.4MPa6密封面上密封力QMFπqMF(DMN+bM) bM92692.8N7密封面必需比压qMF《有...

1、当您付费下载文档后,您只拥有了使用权限,并不意味着购买了版权,文档只能用于自身使用,不得用于其他商业用途(如 [转卖]进行直接盈利或[编辑后售卖]进行间接盈利)。
2、本站所有内容均由合作方或网友上传,本站不对文档的完整性、权威性及其观点立场正确性做任何保证或承诺!文档内容仅供研究参考,付费前请自行鉴别。
3、如文档内容存在违规,或者侵犯商业秘密、侵犯著作权等,请点击“违规举报”。

碎片内容

闸阀设计计算说明书

确认删除?
VIP
微信客服
  • 扫码咨询
会员Q群
  • 会员专属群点击这里加入QQ群
客服邮箱
回到顶部