电脑桌面
添加小米粒文库到电脑桌面
安装后可以在桌面快捷访问

剪力墙结构钢筋绑扎技术交底(节点详图)VIP免费

剪力墙结构钢筋绑扎技术交底(节点详图)_第1页
1/10
剪力墙结构钢筋绑扎技术交底(节点详图)_第2页
2/10
剪力墙结构钢筋绑扎技术交底(节点详图)_第3页
3/10
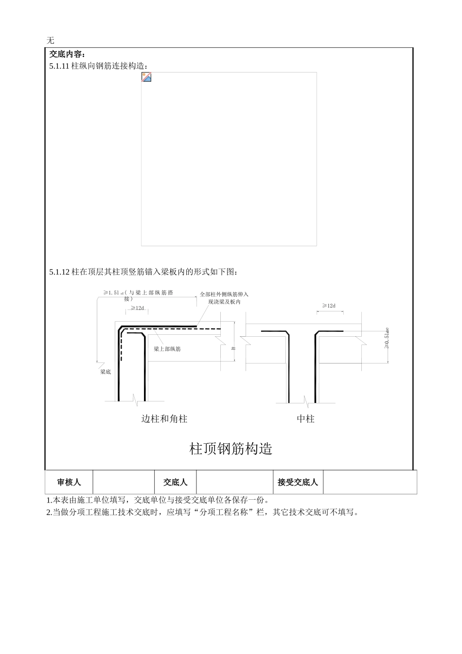
无交底内容:1、分项工程质量等级:精2、作业条件:2.1机具准备:钢筋钩子、撬棍、扳子、绑扎架、钢丝刷子、手推车、粉笔、尺子、火烧丝铡刀等。2.2材料准备:2.2.1HPB300:ø6、ø8及HRB400:ø6、ø8、C10、C12、C14、C16、C18、C20、C22、C25三级钢。2.2.2核对钢筋的级别,型号、形状、尺寸及数量是否与设计图纸及加工料表相同。3、技术准备:3.1熟悉图纸,确定钢筋穿插就位顺序,并与有关工种作好配合。4、作业准备:4.1清料过程中检查钢筋外观,查看有无锈蚀现象。4.2进行抄平放线工作:结构50cm控制线、墙、柱边线、楼梯及门洞口的边线。4.3检查下层预留搭接钢筋的长度,长度不足的采用焊接连接。对位移钢筋按1:6调整(如:位移1cm在6cm高度的范围内调整)。4.4根据下层预留钢筋上的结构50cm控制线检查下层混凝土表面标高是否符合图纸要求。水平施工缝处理剔除混凝土软弱层露出粗骨料,垂直施工缝剔除混凝土松散石子露出密实混凝土。5.施工工艺:5.1绑扎柱子钢筋:5.1.1工艺流程:套柱箍筋→连接竖向钢筋→画箍筋间距线→绑箍筋5.1.2套柱箍筋:按图纸要求间距,计算好每根柱箍筋数量,先将箍筋套在下层伸出的搭接钢筋上,然后立柱子钢筋。5.1.3画箍筋间距线:在立好的柱子竖向钢筋上,按图纸要求用粉笔画箍筋间距线。柱箍筋绑扎5.1.4按已画好的箍筋位置线,将已套好的箍筋往上移动,由上往下绑扎,箍筋四角用兜扣绑扎,其余用缠扣绑扎。箍筋与主筋要垂直。5.1.5箍筋的弯钩叠合处沿柱子竖筋交错布置,并绑扎牢固。5.1.6.柱的箍筋应与受力钢筋垂直布置,箍筋弯钩的叠合处,应沿受力钢筋方向错开布置,为保证箍筋尺寸,箍筋在遇到直螺纹接头时,应避开布置,箍筋在基础顶面以上及楼板面上下(含楼板、梁内),都应进行加密,第一根箍筋起步于板顶以上5cm处。5.1.7竖向钢筋直径≥16mm时,采用滚轧直螺纹机械连接,按规范要求错开50%接头位置,上下层接头间距大于35d。钢筋接头逐一拧紧经检查合格后用油漆做好标记。当钢筋直径<16mm时,采用绑扎搭接,搭接范围内,不少于3道绑扣和三道水平筋。墙体水平筋采用绑扎搭接,搭接范围内绑扎三道绑扣。钢筋连接接头相互错开。5.1.8机械连接接头现场取样后:柱更换上部被截钢筋采用绑扎搭接方式连接。审核人周胜平交底人钟、卢、李接受交底人1.本表由施工单位填写,交底单位与接受交底单位各保存一份。2.当做分项工程施工技术交底时,应填写“分项工程名称”栏,其它技术交底可不填写。无交底内容:5.1.10柱、上下层钢筋直径、数量不同时分别见下图:审核人交底人接受交底人1.本表由施工单位填写,交底单位与接受交底单位各保存一份。2.当做分项工程施工技术交底时,应填写“分项工程名称”栏,其它技术交底可不填写。无交底内容:5.1.11柱纵向钢筋连接构造:5.1.12柱在顶层其柱顶竖筋锚入梁板内的形式如下图:审核人交底人接受交底人1.本表由施工单位填写,交底单位与接受交底单位各保存一份。2.当做分项工程施工技术交底时,应填写“分项工程名称”栏,其它技术交底可不填写。柱顶钢筋构造hb边柱和角柱≥1.5laE(与梁上部纵筋搭接)≥12d中柱≥12d梁底梁上部纵筋全部柱外侧纵筋伸入现浇梁及板内≥0.5lae无交底内容:5.2剪力墙钢筋:5.2.1工艺流程:立竖向梯子筋→绑定位横筋→绑其余钢筋5.2.2竖向钢筋直径≥16mm时,采用电渣压力焊连接,按规范要求错开50%接头位置,上下层接头间距大于35d,当钢筋直径<16mm时,采用绑扎搭接,搭接长度为1.4LaE,地下1层外墙对于Φ14的二级钢筋搭接长度为:569mm。地下2~3层内墙对于Φ12、Φ14、Φ16的二级钢筋搭接长度分别为:437mm、510mm、583mm)。地下1层内墙对于Φ12、Φ14、Φ16的二级钢筋搭接长度分别为:488mm、569mm、650mm)。搭接范围内,不少于3道绑扣和三道水平筋。墙体水平筋采用绑扎搭接,搭接范围内绑扎三道绑扣。5.2.3墙体竖筋绑扎:每道墙先立2-4根竖筋,并用粉笔画好横筋分档标志,然后绑其余竖筋、横筋,注意每道墙放置梯形支撑筋,间距1.2米,最后绑其余横筋,注意墙体顶端加水平定位筋,一般布置在模板上口以上30cm处。5.2.4墙体水平筋直径≥18mm时采用机械连接,直径...

1、当您付费下载文档后,您只拥有了使用权限,并不意味着购买了版权,文档只能用于自身使用,不得用于其他商业用途(如 [转卖]进行直接盈利或[编辑后售卖]进行间接盈利)。
2、本站所有内容均由合作方或网友上传,本站不对文档的完整性、权威性及其观点立场正确性做任何保证或承诺!文档内容仅供研究参考,付费前请自行鉴别。
3、如文档内容存在违规,或者侵犯商业秘密、侵犯著作权等,请点击“违规举报”。

碎片内容

剪力墙结构钢筋绑扎技术交底(节点详图)

您可能关注的文档

确认删除?
VIP
微信客服
  • 扫码咨询
会员Q群
  • 会员专属群点击这里加入QQ群
客服邮箱
回到顶部