电脑桌面
添加小米粒文库到电脑桌面
安装后可以在桌面快捷访问

屋面隐蔽(含内容)钢结构VIP专享

屋面隐蔽(含内容)钢结构_第1页
1/6
屋面隐蔽(含内容)钢结构_第2页
2/6
屋面隐蔽(含内容)钢结构_第3页
3/6
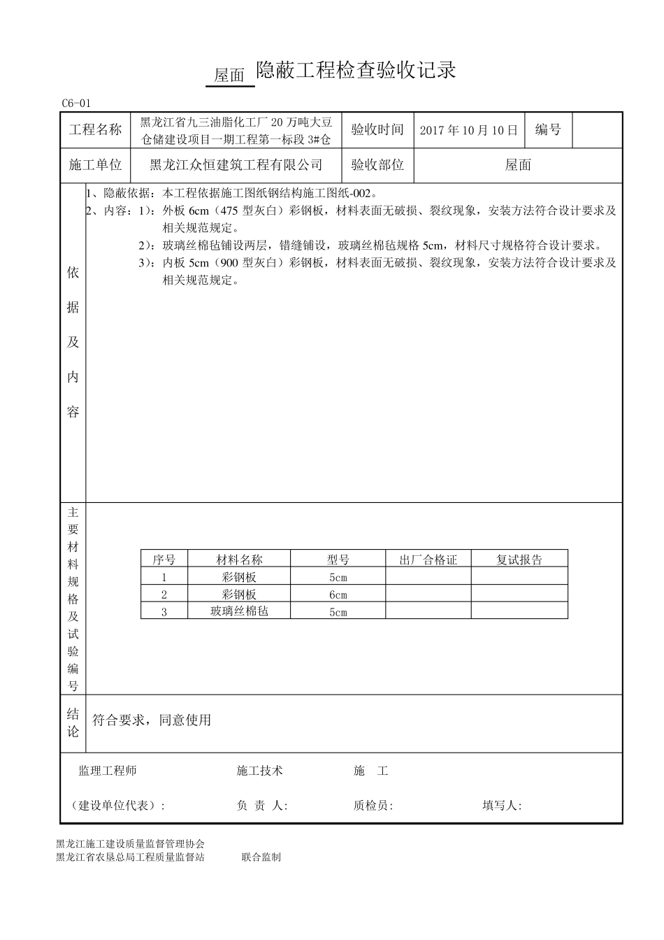
屋面 隐蔽工程检查验收记录 C6-01 工程名称 黑龙江省九三油脂化工厂20 万吨大豆仓储建设项目一期工程第一标段3#仓 验收时间 2017 年10 月10 日 编号 施工单位 黑龙江众恒建筑工程有限公司 验收部位 屋面 依 据 及 内 容 1、隐蔽依据:本工程依据施工图纸钢结构施工图纸-002。 2、内容:1):外板 6cm (475 型灰白)彩钢板,材料表面无破损、裂纹现象,安装方法符合设计要求及相关规范规定。 2):玻璃丝棉毡铺设两层,错缝铺设,玻璃丝棉毡规格 5cm ,材料尺寸规格符合设计要求。 3):内板 5cm (900 型灰白)彩钢板,材料表面无破损、裂纹现象,安装方法符合设计要求及相关规范规定。 主要 材料 规格 及 试验 编号 序号 材料名称 型号 出厂合格证 复试报告 1 彩钢板 5cm 2 彩钢板 6cm 3 玻璃丝棉毡 5cm 结 论 符合要求,同意使用 监理工程师 施工技术 施 工 (建设单位代表): 负 责 人: 质检员: 填写人: 黑龙江施工建设质量监督管理协会 黑龙江省农垦总局工程质量监督站 联合监制 屋面 隐蔽工程检查验收记录 C6-01 工程名称 黑龙江省九三油脂化工厂20 万吨大豆仓储建设项目一期工程第一标段3#仓 验收时间 2017 年10 月10 日 编号 施工单位 黑龙江众恒建筑工程有限公司 验收部位 屋面 依 据 及 内 容 1、隐蔽依据:本工程依据施工图纸钢结构施工图纸-002。 2、内容:1):外板 6cm (475 型灰白)彩钢板板,材料表面无破损、裂纹现象,安装方法符合设计要求及相关规范规定。 2):玻璃丝棉毡铺设两层,错缝铺设,玻璃丝棉毡规格 5cm ,材料尺寸规格符合设计要求。 3):内板 5cm (900 型灰白)彩钢板,材料表面无破损、裂纹现象,安装方法符合设计要求及相关规范规定。 主要 材料 规格 及 试验 编号 序号 材料名称 型号 出厂合格证 复试报告 1 彩钢板 5cm 2 彩钢板 6cm 3 玻璃丝棉毡 5cm 结 论 符合要求,同意使用 监理工程师 施工技术 施 工 (建设单位代表): 负 责 人: 质检员: 填写人: 黑龙江施工建设质量监督管理协会 黑龙江省农垦总局工程质量监督站 联合监制 基础回填 隐蔽工程检查验收记录 C6-01 工程名称 黑龙江省九三油脂化工厂20 万吨大豆仓储建设项目一期工程第一标段1#仓 验收时间 2017 年 月 日 编号 施工单位 黑龙江众恒建筑工程有限公司 验收部位 基础承台、承台...

1、当您付费下载文档后,您只拥有了使用权限,并不意味着购买了版权,文档只能用于自身使用,不得用于其他商业用途(如 [转卖]进行直接盈利或[编辑后售卖]进行间接盈利)。
2、本站所有内容均由合作方或网友上传,本站不对文档的完整性、权威性及其观点立场正确性做任何保证或承诺!文档内容仅供研究参考,付费前请自行鉴别。
3、如文档内容存在违规,或者侵犯商业秘密、侵犯著作权等,请点击“违规举报”。

碎片内容

屋面隐蔽(含内容)钢结构

确认删除?
VIP
微信客服
  • 扫码咨询
会员Q群
  • 会员专属群点击这里加入QQ群
客服邮箱
回到顶部