电脑桌面
添加小米粒文库到电脑桌面
安装后可以在桌面快捷访问

监理平行检验记录——模板VIP专享

监理平行检验记录——模板_第1页
1/25
监理平行检验记录——模板_第2页
2/25
监理平行检验记录——模板_第3页
3/25
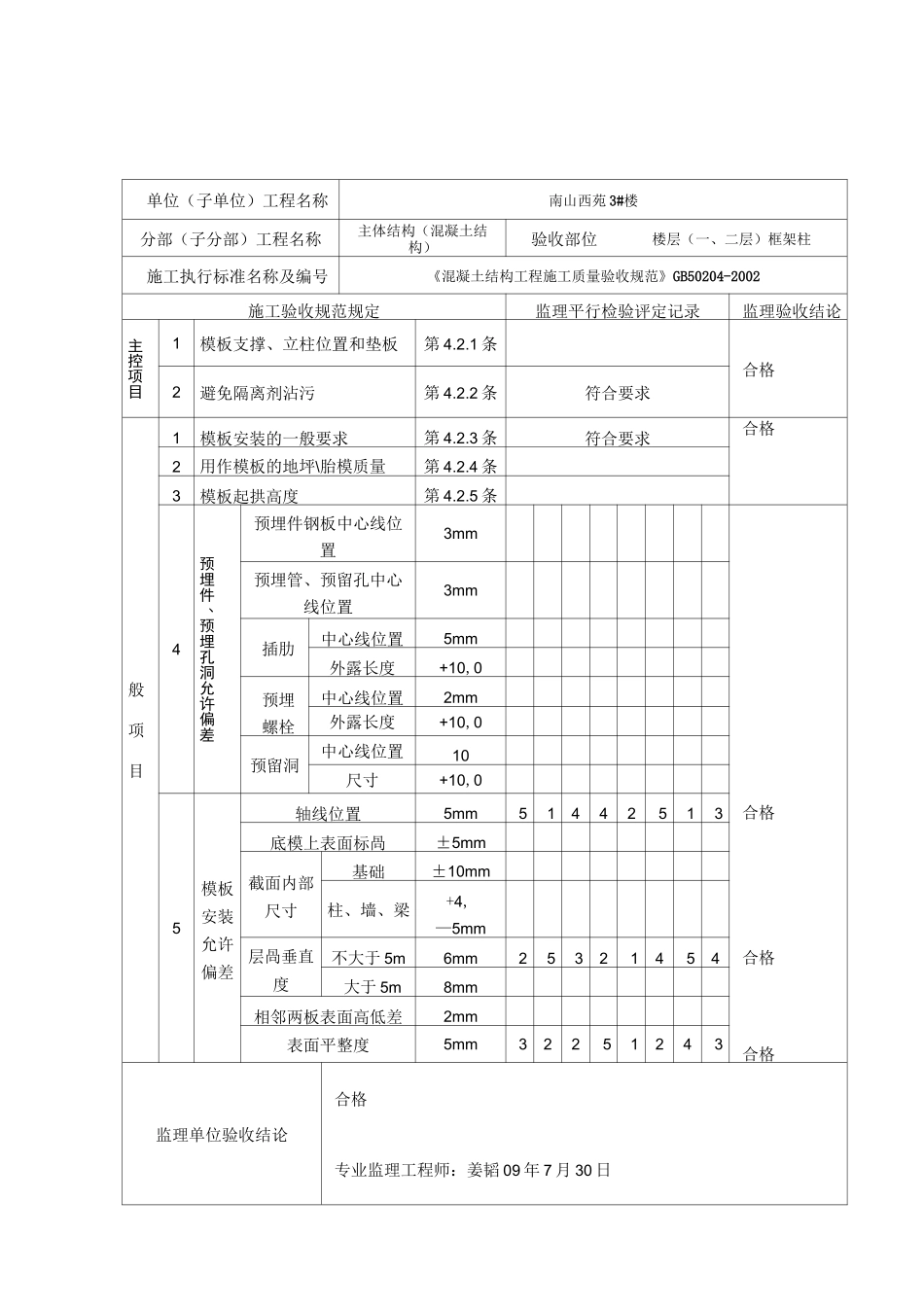
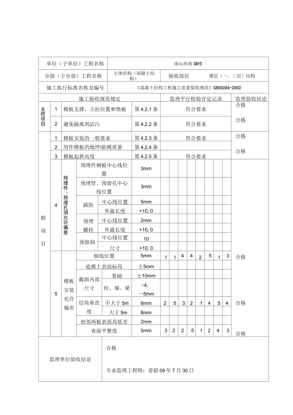
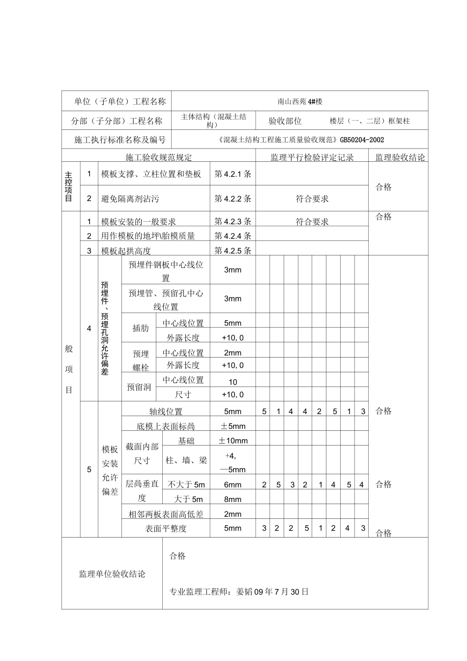
单位(子单位)工程名称南山西苑 3#楼分部(子分部)工程名称主体结构(混凝土结构)验收部位楼层(一、二层)框架柱施工执行标准名称及编号《混凝土结构工程施工质量验收规范》GB50204-2002施工验收规范规定监理平行检验评定记录监理验收结论主控项目1模板支撑、立柱位置和垫板第 4.2.1 条合格2避免隔离剂沾污第 4.2.2 条符合要求般项目1模板安装的一般要求第 4.2.3 条符合要求合格2用作模板的地坪\胎模质量第 4.2.4 条3模板起拱高度第 4.2.5 条4预埋件、预埋孔洞允许偏差预埋件钢板中心线位置3mm合格合格合格预埋管、预留孔中心线位置3mm插肋中心线位置5mm外露长度+10,0预埋螺栓中心线位置2mm外露长度+10,0预留洞中心线位置10尺寸+10,05模板安装允许偏差轴线位置5mm51442513底模上表面标咼±5mm截面内部尺寸基础±10mm柱、墙、梁+4,—5mm层咼垂直度不大于 5m6mm25321454大于 5m8mm相邻两板表面高低差2mm表面平整度5mm32251243监理单位验收结论合格专业监理工程师:姜韬 09 年 7 月 30 日单位(子单位)工程名称南山西苑 3#楼分部(子分部)工程名称主体结构(混凝土结构)验收部位楼层(一、二层)结构施工执行标准名称及编号《混凝土结构工程施工质量验收规范》GB50204-2002施工验收规范规定监理平行检验评定记录监理验收结论主控项目1模板支撑、立柱位置和垫板第 4.2.1 条符合要求合格合格2避免隔离剂沾污第 4.2.2 条符合要求般项目1模板安装的一般要求第 4.2.3 条符合要求合格合格2用作模板的地坪\胎模质量第 4.2.4 条3模板起拱高度第 4.2.5 条符合要求4预埋件、预埋孔洞允许偏差预埋件钢板中心线位置3mm合格合格合格预埋管、预留孔中心线位置3mm插肋中心线位置5mm外露长度+10,0预埋螺栓中心线位置2mm外露长度+10,0预留洞中心线位置10尺寸+10,05模板安装允许偏差轴线位置5mm11442513底模上表面标咼±5mm截面内部尺寸基础±10mm柱、墙、梁+4,—5mm层咼垂直度不大于 5m6mm25321454大于 5m8mm相邻两板表面高低差2mm表面平整度5mm32251243监理单位验收结论合格专业监理工程师:姜韬 09 年 7 月 30 日单位(子单位)工程名称南山西苑 4#楼分部(子分部)工程名称主体结构(混凝土结构)验收部位楼层(一、二层)框架柱施工执行标准名称及编号《混凝土结构工程施工质量验收规范》GB50204-2002施工验收规范规定监理平行检验评定记录监理验收结论主控项目1模板支撑、立柱位置和垫板第 4.2.1 条合格2避免隔离...

1、当您付费下载文档后,您只拥有了使用权限,并不意味着购买了版权,文档只能用于自身使用,不得用于其他商业用途(如 [转卖]进行直接盈利或[编辑后售卖]进行间接盈利)。
2、本站所有内容均由合作方或网友上传,本站不对文档的完整性、权威性及其观点立场正确性做任何保证或承诺!文档内容仅供研究参考,付费前请自行鉴别。
3、如文档内容存在违规,或者侵犯商业秘密、侵犯著作权等,请点击“违规举报”。

碎片内容

监理平行检验记录——模板

确认删除?
VIP
微信客服
  • 扫码咨询
会员Q群
  • 会员专属群点击这里加入QQ群
客服邮箱
回到顶部