电脑桌面
添加小米粒文库到电脑桌面
安装后可以在桌面快捷访问

预制楼板内管路敷设工程安全技术交底

预制楼板内管路敷设工程安全技术交底_第1页
1/10
预制楼板内管路敷设工程安全技术交底_第2页
2/10
预制楼板内管路敷设工程安全技术交底_第3页
3/10
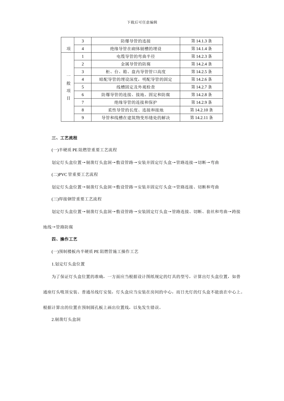
下载后可任意编辑预制楼板内管路敷设工程 一、施工准备(一)预制楼板内半硬质 PE 阻燃管施工准备1.作业条件(1)土建预制楼板调整到位;(2)现浇板带模板支吊完毕,钢筋绑扎完毕;(3)假如有部分现浇板,底层钢筋绑扎完毕,上层钢筋绑扎前。2.材料规定(1)PE 阻燃管的材质必须合格,有出厂合格证,符合设计规定;(2)外观检查,管材内外壁光滑,无凸棱凹陷、气泡等缺陷;(3)用卡尺测量内外径必须符合国家标准,管壁厚度均匀一致;(4)各种附件如灯头盒、开关插座盒、管接头、盒接头、粘合剂等必须使用配套的阻燃制品3.重要机具铅笔、钢卷尺、手锤、錾子、钢锯、锯条、半圆锉、工具袋、电工常用工具等。(二)预制楼板内 PVC 管施工准备1.作业条件(1)土建预制楼板调整到位;(2)现浇板带模板支吊完毕,钢筋绑扎完毕;假如有部分现浇板,底层钢筋绑扎完毕,上层钢筋绑扎前。2.材料规定。(1)PVC 管的材质必须合格,氧指数≥27%,设计有特别规定期必须符合设计规定。进场材料必须有产品合格证,以及有效的氧指数检测报告;(2)外观检查,管材内外壁光滑,无凸棱凹陷、气泡等缺陷;(3)用卡尺测量内外径必须符合国家标准,管壁厚度均匀一致;下载后可任意编辑(4)各种附件如灯头盒、开关插座盒、管接头、盒接头、粘合剂等必须使用配套的阻燃制品,同时应有出厂合格证、“CCC"认证标志和认证证书复印件。3.重要机具铅笔、钢卷尺、手锤、錾子、钢锯、锯条、半圆锉、弯管弹簧、剪管器、热风机、电炉子、工具袋、电工常用工具等。(三)预制楼板工程中焊接钢管由于钢管的特别性,一般不能敷设圆孔板中,有一种做法是敷设在预制板上面,假如上面做焦碴时应采纳水泥砂浆保护,厚度不小于 15mm。1.作业条件(1)土建预制楼板调整到位;(2)现浇板带模板支吊完毕,钢筋绑扎完毕;(3)假如有部分现浇板,底层钢筋绑扎完毕,上层钢筋绑扎前。2.材料规定(1)钢管的材质必须合格,有出厂合格证,设计有特别规定期还必须符合设计规定;(2)外观检查:钢管壁厚均匀、焊缝均匀、无劈裂、毛刺、砂眼、棱刺和凹扁等缺陷;(3)锁紧螺母外形完好、丝扣清楚。无翘曲变形等缺陷;(4)铁制灯头盒、开关盒等的金属板厚度必须符合《建筑电气通用图集》(92DQ)的规定。3.重要机具铅笔、钢卷尺、手锤、錾子、钢锯、锯条、半圆锉、圆锉、扁锉、电动弯管器、液压弯管器、压力案子、套丝板、电工常用工具等。二、质量规定质量规定符合表内所列条目见《建筑电气工程施工质量验收法律规范》(GB50303—2024...

1、当您付费下载文档后,您只拥有了使用权限,并不意味着购买了版权,文档只能用于自身使用,不得用于其他商业用途(如 [转卖]进行直接盈利或[编辑后售卖]进行间接盈利)。
2、本站所有内容均由合作方或网友上传,本站不对文档的完整性、权威性及其观点立场正确性做任何保证或承诺!文档内容仅供研究参考,付费前请自行鉴别。
3、如文档内容存在违规,或者侵犯商业秘密、侵犯著作权等,请点击“违规举报”。

碎片内容

预制楼板内管路敷设工程安全技术交底

您可能关注的文档

确认删除?
VIP
微信客服
  • 扫码咨询
会员Q群
  • 会员专属群点击这里加入QQ群
客服邮箱
回到顶部