电脑桌面
添加小米粒文库到电脑桌面
安装后可以在桌面快捷访问

冷挤压变形程度及挤压力的计算VIP免费

冷挤压变形程度及挤压力的计算_第1页
1/20
冷挤压变形程度及挤压力的计算_第2页
2/20
冷挤压变形程度及挤压力的计算_第3页
3/20
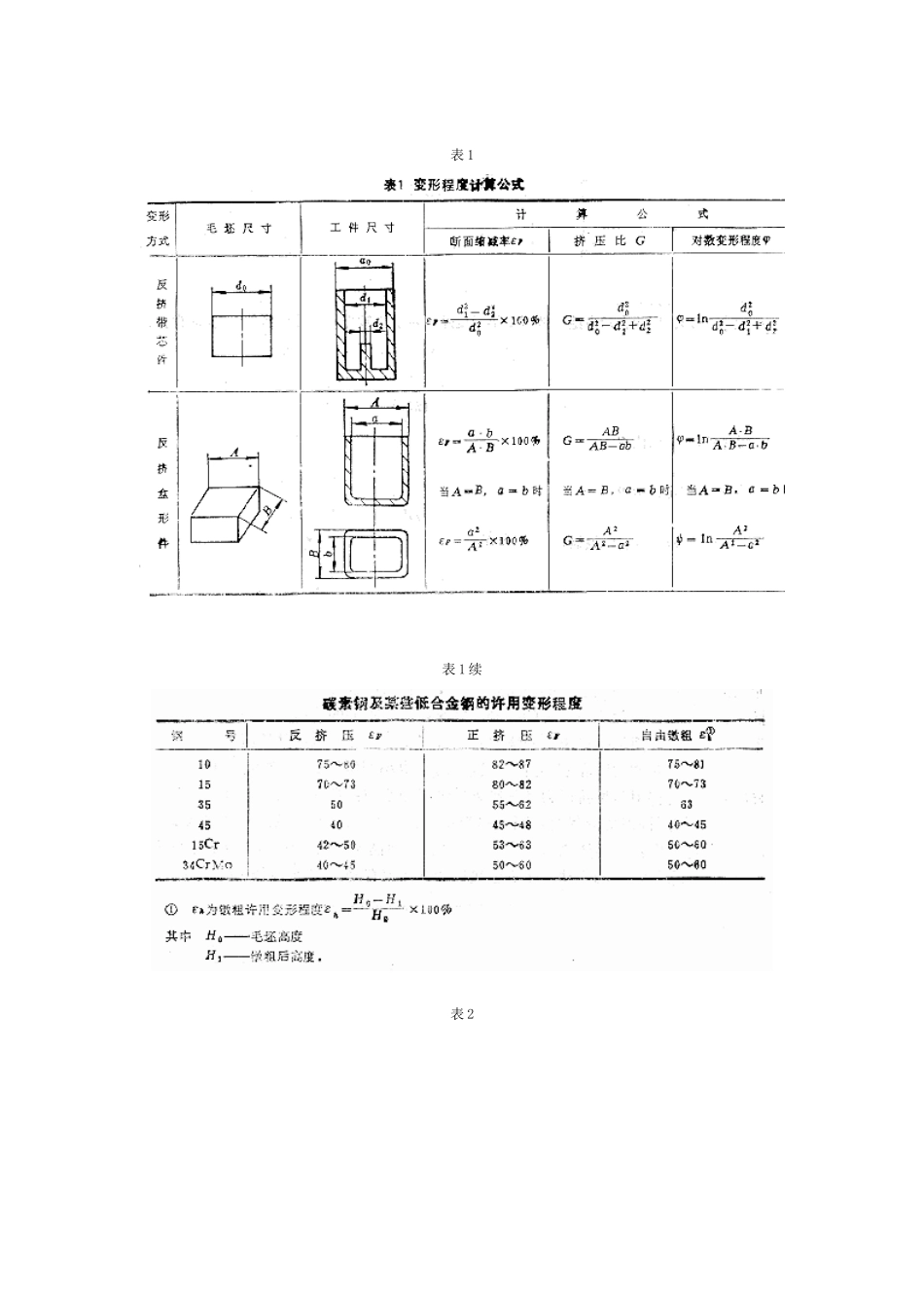
变形程度及挤压力的计算挤压件的变形程度计算方法和许用变形程度:1.变形程度的表示方法:挤压变形程度是表示挤压时金属塑性变形量大小的指标。变形程度可用不同的方法表示:见公式1。2.变形程度计算公式:见表13.许用变形程度:对于不同的冷挤压材料在不同的工艺参数条件下,应按同一许用单位挤压力来决定其冷挤压变形程度。对于中小型零件的正常批量生产可采用2000至2500Mpa作为许用单位挤压力。正挤压许用变形程度:图1为碳钢正挤压的许用变形程度。反挤压许用变形程度:图2为碳钢反挤压的许用变形程度。碳素钢及某些低合金钢的许用变形程度也可参考表2。有色金属的许用变形程度见表3。表1表1续表2表3公式1图1图21.图算法确定挤压力A.黑色金属挤压力的图算法:图1、图2、图3为正挤实心件、正挤空心件、反挤压的挤压力的计算图。用这组图表计算挤压力时,毛坯应经软化退火,并在挤压前进行磷化、润滑处理。它的计算方法见图上虚线所示。B.有色金属挤压力的图算法:图4、图5、图6分别为正挤实心件、正挤空心件、反挤压的单位挤压力P的计算图表。冷挤压的总挤压力可按公式1计算:2.计算法确定挤压力用下列公式求冷挤压的单位压力:A.正挤压实心件的单位挤压力:见公式2。B.反挤压的单位挤压力:见公式3。C.复合挤压的单位挤压力:复合挤压的压力低于单向正挤压和单向反挤压的压力。见公式4。3.镦粗变形力的计算A.自由镦粗时变形力:见公式5。B.其它形式镦粗时变形力:见公式6。C.其它变形方法的单位压力:表2列出了不同钢种、各种变形方式的单位压力,可作计算时参考。表1表2公式1公式2公式3公式4公式5公式6图1图2图3图4图5图6图7图8图9表11.图算法确定挤压力:图1是钢的温挤压单位压力计算图。图上的曲线是在图中所示模具参数的条件下获得的,挤压前模具预热到60至100度,用油与石墨的混合剂润滑,加工温度在600度以下者,毛坯作磷化处理,600度以上者,毛坯不预先处理。图中虚线上的箭头表明了查图方法。决定了单位挤压力便可按公式1计算挤压力:表1是几种材料在650至850度时的单位挤压力。2.计算法确定挤压力:钢的温(反)挤的单位挤压力可按经验公式2计算。表1表1续公式1公式2图11.图算法确定挤压力:图1为热(反)挤压力的计算图,使用方法:根据挤压件的尺寸,求得挤压件的变形程度及系数;由第①坐标可求得压力系数n;向左,可在第②坐标中根据不同钢材的高温强度极限求得未经修正的单位挤压力;由变形程度与挤压行程可在第⑤⑥坐标中求得变形速度;在第⑦坐标中求得速度系数K;在第③坐标中由未经修正的单位挤压力与速度系数K可以求得单位挤压力p;另在第④坐标中由单位挤压力p与冲头直径可求得挤压力P。图2为热(正)挤压力的计算图,使用方法:根据挤压件的尺寸,求得变形程度;在第①②坐标中,由变形程度与凹模锥角、毛坯相对高度可求得压力系数n;在第③坐标中可由压力系数n与不同钢材的高温强度极限求得未经修正的单位挤压力;在第④坐标中由未经修正的单位挤压力与速度系数K求得单位挤压力p,在此,速度系数K也按图1求得;在第⑤坐标中由单位挤压力p与冲头直径可求得挤压力P。2.计算法确定挤压力:(1)挤压模锻时总压力:见公式1。(2)正挤压挤压力,见公式2。公式1公式2图1图2图3

1、当您付费下载文档后,您只拥有了使用权限,并不意味着购买了版权,文档只能用于自身使用,不得用于其他商业用途(如 [转卖]进行直接盈利或[编辑后售卖]进行间接盈利)。
2、本站所有内容均由合作方或网友上传,本站不对文档的完整性、权威性及其观点立场正确性做任何保证或承诺!文档内容仅供研究参考,付费前请自行鉴别。
3、如文档内容存在违规,或者侵犯商业秘密、侵犯著作权等,请点击“违规举报”。

碎片内容

冷挤压变形程度及挤压力的计算

文章天下+ 关注
实名认证
内容提供者

各种文档应有尽有

相关文档

确认删除?
VIP
微信客服
  • 扫码咨询
会员Q群
  • 会员专属群点击这里加入QQ群
客服邮箱
回到顶部