电脑桌面
添加小米粒文库到电脑桌面
安装后可以在桌面快捷访问

冷库设计-制冷更新VIP免费

冷库设计-制冷更新_第1页
1/32
冷库设计-制冷更新_第2页
2/32
冷库设计-制冷更新_第3页
3/32
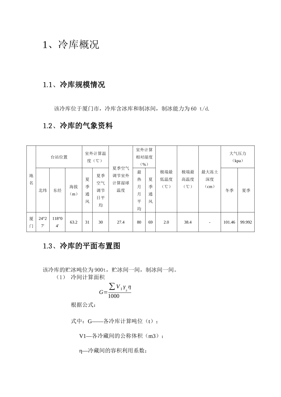
课程设计设计题目厦门市某900t土建冷库含冷库和制冰间,制冰能力60t/d姓名:院(系):专业班级:学号:指导教师:1、冷库概况1.1、冷库规模情况该冷库位于厦门市,冷库含冰库和制冰间,制冰能力为60t/d.1.2、冷库的气象资料地名台站位置室外计算温度(℃)夏季空气调节室外计算湿球温度室外计算相对湿度(%)极端最低温度(℃)极端最高温度(℃)最大冻土深度(cm)大气压力(kpa)北纬东经海拔(m)夏季通风夏季空气调节日平均最热月月平均夏季通风冬季夏季厦门24°27′118°04′63.2313027.480692.038.4-101.4699.9921.3、冷库的平面布置图该冷库的贮冰吨位为900t,贮冰间一间,制冰间一间。(1)冷间计算面积根据公式:G=∑V1γSη1000式中:G——各冷库计算吨位(t);V1—各冷藏间的公称体积(m3);η—冷藏间的容积利用系数;γ1s—食品的计算密度(kg/m3)根据《制冷装置设计》表2-1-4查得贮冰间机制冰密度γ2=750kg/m3。其中η2=0.5(取贮冰间的高度为4.8m,根据表2-1-3利用插值法得出)。依上式得,公称容积:V2=1000×900750×0.5=2400m3冷库高度的确定:净高为4.8m,堆码高度为3.5m。贮冰间有效使用面积为2400/4.8=500㎡,净高4.8m堆高3.5m,净长25m净宽20m。(2)制冰间a、设计参数使用地:厦门市,夏季平均气温:31℃。制冰用水温度:20℃。降温终了温度:-5℃。盐水温度:-10℃。蒸发温度:-15℃。产量要求:每池20吨。冻结时间:Z=Cd²/(-ty)=0.6*19²/10=21.66小时式中C为系数,取0.6.d为冰块顶部厚度,厘米。Ty:盐水平均温度。冰块规格:50kg/块。对应冻结时间计算值18.3小时。载冷剂要求:使用绿化钙盐水作载冷剂,浓度要求18%~20%。b、冰桶规格及冰池设计1、冰桶规格:上口:360*190,下口:320*160,高850。每只桶容积:(0.36*0.19+0.32*0.16)*0.85/2=0.05立方米,每块冰重50KG用镀锌板制作。上口用L40*3角钢围边。用-40带钢做底圈垫底。示意图如下:2、冰桶数量:Nb=(20000)/50=400只。3、冰桶排列间距行、列间距皆为150。4、冰桶排列方案:25行,18列。实放冰桶400个。(3)平面图如下:2、制冷系统设计方案概述2.1、设计原则(1)满足食品冷加工工艺要求;(2)系统要运行可靠,操作管理方便,有安全保障;(3)系统应优先采用新设备、新工艺及新技术;(4)要考虑经济性。2.2、制冷系统流程双级压缩回路:蒸发器出口→回汽调节站→气液分离设备→低压级压缩机汽液汽液贮冰间-10℃制冰间-15℃压缩机部分高压侧部分总调节站→低压级油分离器→中间冷却器→高压级压缩机→油分离器→冷凝器→贮液桶→中冷器→高压液体调节站→节流阀→低循桶→氨泵→低压液体调节站→蒸发器进口→蒸发器出口单级压缩回路:蒸发器出口→回汽调节站→气液分离设备→低压循环桶→单级压缩机→油分离器→冷凝器→高压贮液器→高压液体调节站→节流阀→低压循环桶→氨泵→低压液体调节站→蒸发器进口→蒸发器出口2.3、制冷系统方案内容(1)采用制冷系统:单双级综合氨制冷系统;(2)供液方式:氨泵供液;(3)冷间冷却方式:直接冷却;(4)融霜方式:贮冰间、制冰间采用墙、顶排管,故采用人工扫霜和热氨融霜相结合的融霜方式。(5)自控控制方法:制冷系统的安全保护;局部回路的自控(液泵、冷藏间回路);压缩机指令开停机,库房内的冷却设备在机房的遥控和库温遥测;(6)冷却水方式:直接冷却方式。2.4、机器、设备和管道布置方案机房分成机器间和设备间两部分。制冷压缩机安装在机房内,仪表盘应面向主要操作通道;中间冷却器安装在机房内靠近压缩机的近处,靠墙布置;油分离器可随压缩机安装;冷凝器安装在室外离机房出入门较近的地方;高压贮液器布置在室外靠近冷凝器,且安装高度应与冷凝器配合,保证液体自流进入油分离器应根据冷凝器和高压贮液器的标高来布置;总调节站设在机器间便于观察、操作的地方;液氨分离器设在机房之上;低压循环桶设在设备间利用金属固定的平台上;氨泵布置在低压循环桶的下面近处;其余设备均按照有关资料的要求布置。1、机器间:压缩机、总调节站2、设备间:低压循环桶、排液桶、气液分离器、油分离器、液泵、贮液桶、空气分离器3、室...

1、当您付费下载文档后,您只拥有了使用权限,并不意味着购买了版权,文档只能用于自身使用,不得用于其他商业用途(如 [转卖]进行直接盈利或[编辑后售卖]进行间接盈利)。
2、本站所有内容均由合作方或网友上传,本站不对文档的完整性、权威性及其观点立场正确性做任何保证或承诺!文档内容仅供研究参考,付费前请自行鉴别。
3、如文档内容存在违规,或者侵犯商业秘密、侵犯著作权等,请点击“违规举报”。

碎片内容

冷库设计-制冷更新

确认删除?
VIP
微信客服
  • 扫码咨询
会员Q群
  • 会员专属群点击这里加入QQ群
客服邮箱
回到顶部