电脑桌面
添加小米粒文库到电脑桌面
安装后可以在桌面快捷访问

冷却塔验收表格VIP免费

冷却塔验收表格_第1页
1/27
冷却塔验收表格_第2页
2/27
冷却塔验收表格_第3页
3/27
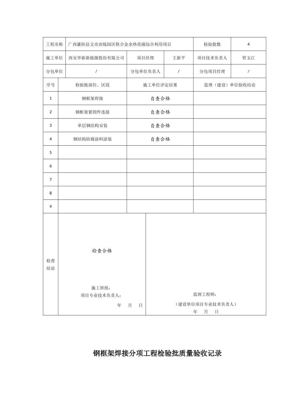
钢结构冷却塔子分部工程质量验收记录工程名称广西灌阳县文市冶炼园区铁合金余热资源综合利用项目施工单位西安华新新能源股份有限公司技术部门负责人管玉江质量部门负责人分包单位/分包单位负责人/分包结束负责人/序号分项工程名称检验批数施工单位检查评定验收意见1钢框架安装分项工程4检查合格2风筒安装分项工程1检查合格3风机、减速器、传动轴、电机安装分项工程1检查合格4收水器安装分项工程1检查合格5配水管道安装分项工程1检查合格6淋水填料安装分项工程1检查合格7填料支架与收水器支撑架安装分项工程1检查合格8百叶窗、挡水板、围护板安装分项工程1检查合格9玻璃钢配水盘安装分项工程1检查合格质量控制资料齐全安全和功能检验(检测)报告齐全观感质量验收符合设计要求、满足使用功能参加验收单位施工单位冷却塔厂家监理单位建设单位项目经理:年月日厂家代表:年月日总监理工程师:年月日项目专业负责人:年月日钢框架安装分项工程质量验收记录工程名称广西灌阳县文市冶炼园区铁合金余热资源综合利用项目检验批数4施工单位西安华新新能源股份有限公司项目经理王新平项目技术负责人管玉江分包单位/分包单位负责人/分包项目经理/序号检验批部位、区段施工单位评定结果监理(建设)单位验收结论1钢框架焊接自查合格2钢框架紧固件连接自查合格3单层钢结构安装自查合格4钢结构防腐涂料涂装自查合格56789检查结论检查合格施工班组:项目专业技术负责人:年月日监理工程师:(建设单位项目专业技术负责人)年月日钢框架焊接分项工程检验批质量验收记录工程名称广西灌阳县文市冶炼园区铁合金余热资源综合利用项目检验批部位钢框架焊接施工执行标准名称冷却塔厂家标准施工单位西安华新新能源股份有限公司项目经理王新平专业工长管玉江分包单位/分包项目经理/施工班组长/序号冷却塔厂家标准的规定施工单位检查评定记录监理(建设)单位验收记录主控项目1焊接材料进场验收检查合格2焊接材料与母材的匹配检查合格3焊工上岗证书检查合格4焊接工艺评定检查合格5焊缝的表面缺陷检查合格一般项目1焊接材料进场验收检查合格2焊成凹形的角焊缝,焊缝金属与母材间应平缓过渡;加工成凹形的角焊缝,不得在其表面留下切痕。检查合格3焊缝感观应达到:外形均匀、成型较好,焊道与焊道、焊道与基本金属间过渡较平滑,焊渣和飞溅物基本清除干净。检查合格4斜支撑焊接及底座焊接全部满焊;上平台盖板连接处断焊,焊接处不小于30mm。检查合格施工单位检查评定结果主控项目合格,一般项目满足冷却塔厂家标准规范规定施工班组:项目专业质量检验员:年月日监理(建设)单位验收结论监理工程师(建设单位项目专业技术负责人):年月日钢框架紧固件连接分项工程检验批质量验收记录工程名称广西灌阳县文市冶炼园区铁合检验批部位钢框架紧固件连接施工执行标准冷却塔厂家金余热资源综合利用项目名称及编号标准施工单位西安华新新能源股份有限公司项目经理王新平专业工长管玉江分包单位/分包项目经理/施工班组长/序号冷却塔厂家标准的规定施工单位检查评定记录监理(建设)单位验收记录主控项目1钢结构连接用普通螺栓、铆钉、自攻钉、拉铆钉、射钉、锚栓(机械型和化学试剂型)、地脚锚栓等紧固标准件及螺母、垫圈等标准配件,其品种、规格、性能等应符合现行国家产品标准和设计要求检查合格2连接薄钢板采用的自攻钉、拉铆钉、射钉等其规格尺寸应与被连接钢板相匹配,其间距、边距等应符合设计要求。检查合格一般项目1永久性普通螺栓紧固应牢固、可靠,外露丝扣不应小于2扣。检查合格2自攻螺钉、钢拉钉、钢拉铆钉、射钉等与连接板应紧固密贴,外观排列整齐。检查合格施工单位检查评定结果主控项目合格,一般项目满足冷却塔厂家标准规范规定施工班组:项目专业质量检验员:年月日监理(建设)单位验收结论监理工程师(建设单位项目专业技术负责人):年月日单层钢结构安装分项工程检验批质量验收记录工程名称检验批部位施工执行标准GB50205-2001名称及编号施工单位项目经理专业工长分包单位分包项目经理施工班组长序号GB50205—2001的规定施工单位检查评定记录监理(建设)单位验收记录主控项目1基础验收检查合格...

1、当您付费下载文档后,您只拥有了使用权限,并不意味着购买了版权,文档只能用于自身使用,不得用于其他商业用途(如 [转卖]进行直接盈利或[编辑后售卖]进行间接盈利)。
2、本站所有内容均由合作方或网友上传,本站不对文档的完整性、权威性及其观点立场正确性做任何保证或承诺!文档内容仅供研究参考,付费前请自行鉴别。
3、如文档内容存在违规,或者侵犯商业秘密、侵犯著作权等,请点击“违规举报”。

碎片内容

冷却塔验收表格

您可能关注的文档

文章天下+ 关注
实名认证
内容提供者

各种文档应有尽有

相关文档

确认删除?
VIP
微信客服
  • 扫码咨询
会员Q群
  • 会员专属群点击这里加入QQ群
客服邮箱
回到顶部