电脑桌面
添加小米粒文库到电脑桌面
安装后可以在桌面快捷访问

云南省建筑工程质量检查报告VIP专享

云南省建筑工程质量检查报告_第1页
1/4
云南省建筑工程质量检查报告_第2页
2/4
云南省建筑工程质量检查报告_第3页
3/4
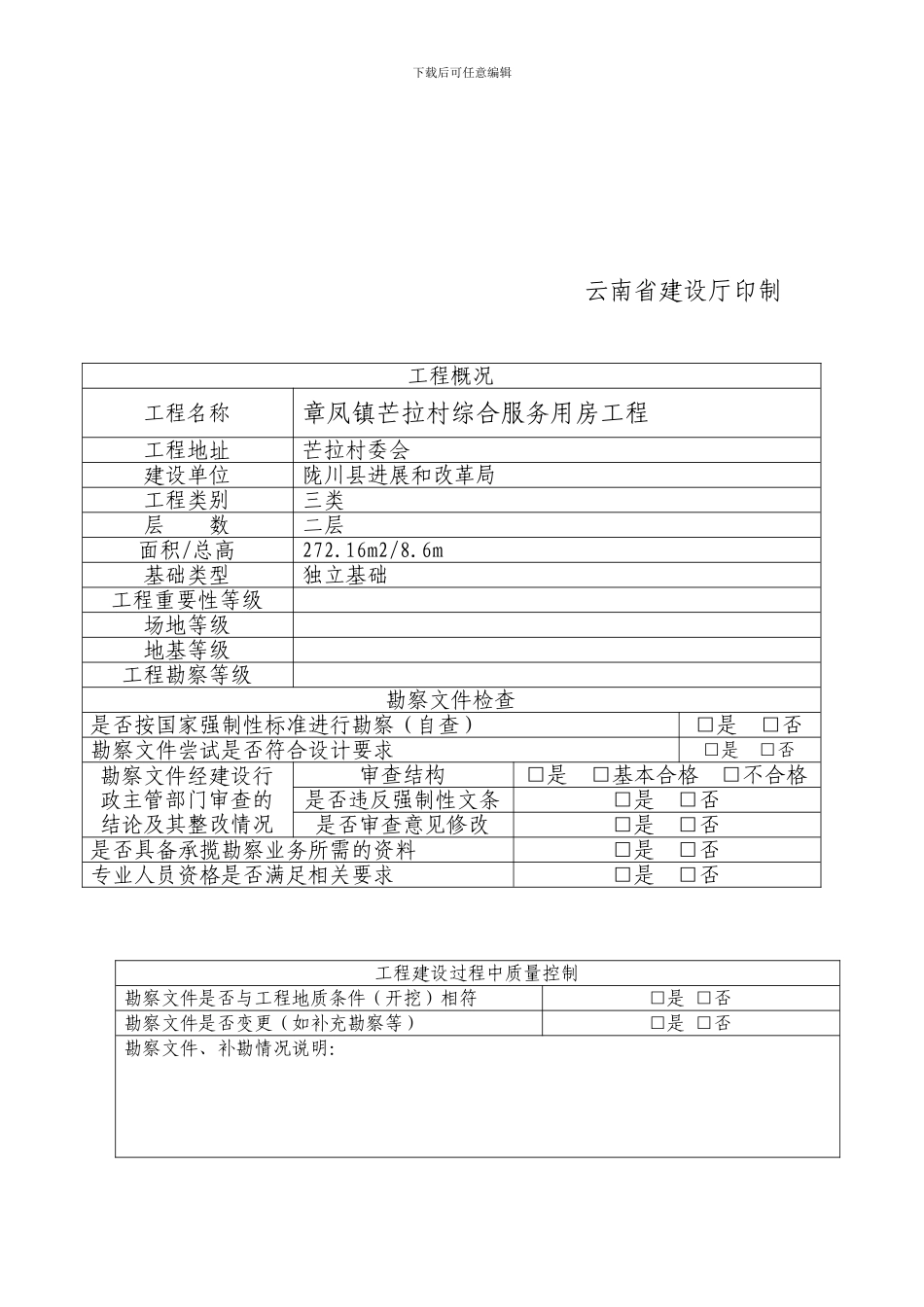
下载后可任意编辑云南省建筑工程质量检查报告(勘察单位)报告编号: 勘察单位:云南地质工程第二勘察院编 制 审 核 批 准 下载后可任意编辑云南省建设厅印制工程概况工程名称章凤镇芒拉村综合服务用房工程工程地址芒拉村委会建设单位陇川县进展和改革局工程类别三类层 数二层面积/总高272.16m2/8.6m基础类型独立基础工程重要性等级场地等级地基等级工程勘察等级勘察文件检查是否按国家强制性标准进行勘察(自查)□是 □否勘察文件尝试是否符合设计要求□是 □否勘察文件经建设行政主管部门审查的结论及其整改情况审查结构□是 □基本合格 □不合格是否违反强制性文条□是 □否是否审查意见修改□是 □否是否具备承揽勘察业务所需的资料□是 □否专业人员资格是否满足相关要求□是 □否工程建设过程中质量控制勘察文件是否与工程地质条件(开挖)相符□是 □否勘察文件是否变更(如补充勘察等)□是 □否勘察文件、补勘情况说明:下载后可任意编辑施工过程参加质量问题处理的情况:土质土层经设计确认进行超挖清除,达设计要求土层后,用 C10 素混凝土填至原设计基底标高。履行责任情况(参加现场检查的情况):施工过程参加了质量问题处理、地基验槽、地基基础分部验收、竣工验收。其他情况 1、验收时,建筑物沉降均匀,已趋于稳定,建议继续观测,直到稳定。验收意见该工程勘察文件“资料完整、评价正确”;开挖后基本与场地地质条件吻合,不吻合部分已作补勘;我单位认为地基满足上部结构安全。同意工程验收。项目负责人: (签章)年 月 日下载后可任意编辑

1、当您付费下载文档后,您只拥有了使用权限,并不意味着购买了版权,文档只能用于自身使用,不得用于其他商业用途(如 [转卖]进行直接盈利或[编辑后售卖]进行间接盈利)。
2、本站所有内容均由合作方或网友上传,本站不对文档的完整性、权威性及其观点立场正确性做任何保证或承诺!文档内容仅供研究参考,付费前请自行鉴别。
3、如文档内容存在违规,或者侵犯商业秘密、侵犯著作权等,请点击“违规举报”。

碎片内容

云南省建筑工程质量检查报告

确认删除?
VIP
微信客服
  • 扫码咨询
会员Q群
  • 会员专属群点击这里加入QQ群
客服邮箱
回到顶部