电脑桌面
添加小米粒文库到电脑桌面
安装后可以在桌面快捷访问

力控-储存罐液位监控系统VIP免费

力控-储存罐液位监控系统_第1页
1/15
力控-储存罐液位监控系统_第2页
2/15
力控-储存罐液位监控系统_第3页
3/15
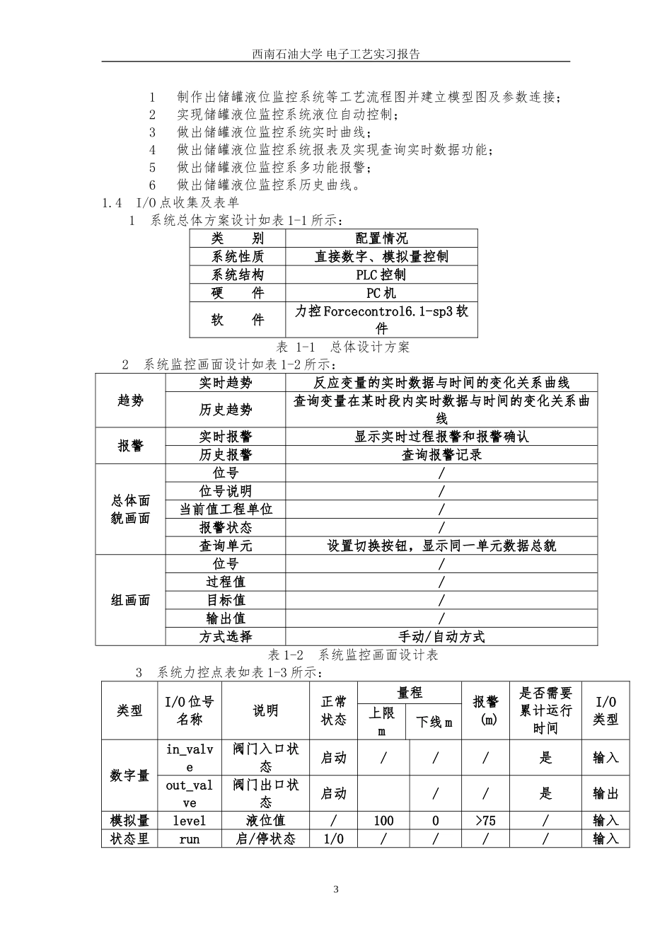
西南石油大学电子工艺实习报告目录第一章基础设计报告.................................................41.1设计题目.....................................................41.2工艺流程.....................................................41.3设计任务....................................................51.4I/O点收集及表单............................................51.5制作工程画面................................................71.5.1工程管理器的使用.......................................71.5.2创建组态界面...........................................71.5.3定义I/O设备...........................................71.5.4趋势曲线的生成.........................................81.5.5报表及报警、查询组态画面的生成.........................81.5.6历史曲线生成...........................................91.5.7总体系统画面图........................................101.6创建实时数据库..............................................111.7建立动画连接................................................121.7.1罐和阀门动画建立.....................................121.7.2按钮动作的建立........................................131.7.3液位值动画的建立......................................141.7.4应用程序动作程序的编写................................151.8运行及调试..................................................151.9作品展示....................................................161西南石油大学电子工艺实习报告第一章基础设计报告1.1设计题目:储存罐液位监控系统1.2工艺流程本次设计工艺设备包括:一个液罐、一个水流入控制阀门、一个水流出控制阀门如图。用于控制两台阀门的PLC。并用PLC控制两台阀门的开通和关断,使液罐的水位保持在70-80。当点击开始按钮,则开始进水,当水位到达80以上时关闭进水控制阀门,同时打开出水阀门;当液位低于70以下时,关闭出油阀门,同时打开进油阀门,从而使液位保持在70-80之间,达到液位控制的目的。其工艺流程图如图1-2所示。图1-2储存罐液位监控系统流程图1.3设计任务2西南石油大学电子工艺实习报告1制作出储罐液位监控系统等工艺流程图并建立模型图及参数连接;2实现储罐液位监控系统液位自动控制;3做出储罐液位监控系统实时曲线;4做出储罐液位监控系统报表及实现查询实时数据功能;5做出储罐液位监控系多功能报警;6做出储罐液位监控系历史曲线。1.4I/O点收集及表单1系统总体方案设计如表1-1所示:类别配置情况系统性质直接数字、模拟量控制系统结构PLC控制硬件PC机软件力控Forcecontrol6.1-sp3软件表1-1总体设计方案2系统监控画面设计如表1-2所示:趋势实时趋势反应变量的实时数据与时间的变化关系曲线历史趋势查询变量在某时段内实时数据与时间的变化关系曲线报警实时报警显示实时过程报警和报警确认历史报警查询报警记录总体面貌画面位号/位号说明/当前值工程单位/报警状态/查询单元设置切换按钮,显示同一单元数据总貌组画面位号/过程值/目标值/输出值/方式选择手动/自动方式表1-2系统监控画面设计表3系统力控点表如表1-3所示:类型I/O位号名称说明正常状态量程报警(m)是否需要累计运行时间I/O类型上限m下线m数字量in_valve阀门入口状态启动///是输入out_valve阀门出口状态启动//是输出模拟量level液位值/1000>75/输入状态里run启/停状态1/0////输入3西南石油大学电子工艺实习报告表1-3系统利空点1.5制作工程画面1.5.1工程管理器的使用1)启动力控Forcecontol6.1软件2)按“新建”按钮,添加名称,点击“确定”按钮,然后再点击“开发系统”按钮,进入力控的组态界面;1.5.2创建组态界面1)进入开发环境Dr后,选择“文件[F]/新建”命令出现“窗口属性”对话框,在窗口名字中输入“储罐液位控制”,单击“确认”按钮;2)制作过程:①在工程项目中选择工具,然后选择图库,从中选择一个罐。单击该罐,拖动边线修改罐的大小,若要移动该罐的位置,只要把光标定...

1、当您付费下载文档后,您只拥有了使用权限,并不意味着购买了版权,文档只能用于自身使用,不得用于其他商业用途(如 [转卖]进行直接盈利或[编辑后售卖]进行间接盈利)。
2、本站所有内容均由合作方或网友上传,本站不对文档的完整性、权威性及其观点立场正确性做任何保证或承诺!文档内容仅供研究参考,付费前请自行鉴别。
3、如文档内容存在违规,或者侵犯商业秘密、侵犯著作权等,请点击“违规举报”。

碎片内容

力控-储存罐液位监控系统

文章天下+ 关注
实名认证
内容提供者

各种文档应有尽有

确认删除?
VIP
微信客服
  • 扫码咨询
会员Q群
  • 会员专属群点击这里加入QQ群
客服邮箱
回到顶部