电脑桌面
添加小米粒文库到电脑桌面
安装后可以在桌面快捷访问

离子棒火焰探测器说明书

离子棒火焰探测器说明书_第1页
1/8
离子棒火焰探测器说明书_第2页
2/8
离子棒火焰探测器说明书_第3页
3/8
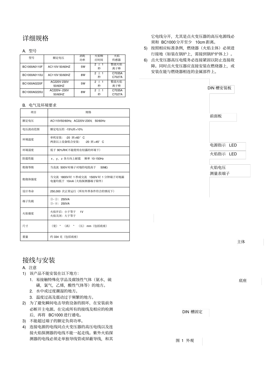
BC1000 燃烧控制器概述BC1000是应用于大型商用及工业用燃烧装置上的火焰开关。它具有以下功能:1.简易的火焰开关功能,即指示有无火焰。2.燃烧安全控制器,能够提供系统“安全启动检查”和火焰监测功能。内置的安全启动检查电路用于在启动的同时检测火焰探测器是否能正常工作(当1 端子得电时)。如果此时显示有火焰存在,它便不会接通安全继电器,于是系统就不会在控制器得到启动信号时进行启动。BC1000 需连接火焰离子棒或Honeywell mini-peeper UV紫外火焰探测器来探测火焰情况并为控制器输出火焰信号。特点1.结构紧凑,采用插入底座的方式,安装方便。2.可直接面板安装,当面板上已有多种设备时为了方便安装,也可以嵌入安装到DIN 槽。3.当安全启动检测在启动时,发现异常火焰情况存在,控制器将中断点火4.三个 LED灯分别指示运行时三个状态:电源,火焰,安全启动检测(SSC)5.火焰的强度可通过前面的端子测量,或持续测量监测。目录1. 概述 . ......................... 12. 特点 . ......................... 13.详细规格 . ...................... 24. 接线和安装. .................. 25. 运行和程序. .................. 56. 安全注意事项. ................ 6详细规格A.型号型号额定电压消耗功率火焰响应时间火焰传感器BC1000A0110FAC110V 50/60HZ5W2 ± 1秒整流火焰离子棒BC1000A0110UAC110V 50/60HZ8W2 ± 1秒C7035AC7027ABC1000A0220FAC220V-230V 50/60HZ5W2 ± 1秒整流火焰离子棒BC1000A0220UAC220V—230V 50/60HZ8W2 ± 1秒C7035AC7027AB.电气及环境要求项目规格额定电压AC110V50/60Hz,AC220V-230V, 50/60Hz电压波动范围额定电压的 -15%到+10%环境温度单机安装: -20 到+60° C两套以上设备组合安装:-20 到 +45° C环境湿度低于 90%RH(不能使用在结露的环境下)防震性能 x ,y,z 各方向上耐震频率 10-150Hz 绝缘等级当直流 500V 时端子对地的电阻高于50MΩ绝缘体强度当交流 1800V时 1 秒或交流 1500V 时 1 分钟端子对地漏电量均低于 10mA(火焰探测器端子除外)设计寿命250,000 次正常运行(所有外界条件符合的情况下)端子负载③- ②: 250VA ③- ④: 250VA火焰强度火焰开启:小于等于1V 火焰关闭:大于等于尺寸(宽) * (高) * (长) mm (包括底座)重量约 334 克(包括底座)接线与安装A.注意1)该产品不能安装在以下地方:1.易接...

1、当您付费下载文档后,您只拥有了使用权限,并不意味着购买了版权,文档只能用于自身使用,不得用于其他商业用途(如 [转卖]进行直接盈利或[编辑后售卖]进行间接盈利)。
2、本站所有内容均由合作方或网友上传,本站不对文档的完整性、权威性及其观点立场正确性做任何保证或承诺!文档内容仅供研究参考,付费前请自行鉴别。
3、如文档内容存在违规,或者侵犯商业秘密、侵犯著作权等,请点击“违规举报”。

碎片内容

离子棒火焰探测器说明书

您可能关注的文档

确认删除?
VIP
微信客服
  • 扫码咨询
会员Q群
  • 会员专属群点击这里加入QQ群
客服邮箱
回到顶部