电脑桌面
添加小米粒文库到电脑桌面
安装后可以在桌面快捷访问

移动及手持电动工具定期绝缘电阻测验记录表

移动及手持电动工具定期绝缘电阻测验记录表_第1页
1/4
移动及手持电动工具定期绝缘电阻测验记录表_第2页
2/4
移动及手持电动工具定期绝缘电阻测验记录表_第3页
3/4
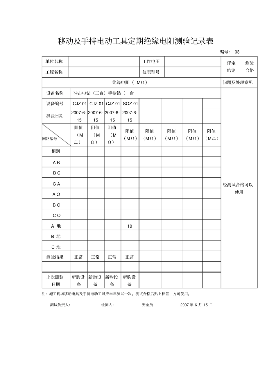
移动及手持电动工具定期绝缘电阻测验记录表说明施工现场移动及手持电动工具应半年测试一次。绝缘电阻值应符合规范规定,测试合格后贴上定期检查合格标签,方可使用。测验结果若绝缘电阻值超标,应立刻停止使用,或作报废处理。测验应有书面记录,各责任人签字。附表《移动及手持电动工具定期绝缘电阻测验记录表》。移动及手持电动工具定期绝缘电阻测验记录表编号:01 单位名称工作电压评定结论测验合格工程名称仪表型号绝缘电阻( MΩ )问题及处理意见设备名称插入式混凝土振动器(8 台)测试合格可以使用设备编号ZDQ-01 ZDQ-02 ZDQ-03 ZDQ-04ZDQ-05ZDQ-06ZDQ-07ZDQ-08测验日期2007-6-152007-6-152007-6-152007-6-152007-6-152007-6-152007-6-152007-6-15回路编号阻值(MΩ )阻值(MΩ )阻值(MΩ )阻值(MΩ )阻值(M Ω )阻值(MΩ )阻值(M Ω )阻值(MΩ )相别A BB CC AA OB OC OA 地9 6 2 B 地107 6 C 地12 44 测验结果正常正常正常正常正常正常正常正常上次测验日期新购设备新购设备新购设备新购设备新购设备新购设备新购设备新购设备注:施工现场移动电具及手持电动工具应半年测试一次。测试合格后贴上标签,方可使用。测试负责人:检测人:安全员:2007 年 6 月 15 日移动及手持电动工具定期绝缘电阻测验记录表编号: 03 单位名称工作电压评定结论测验合格工程名称仪表型号绝缘电阻( MΩ )问题及处理意见设备名称冲击电钻(三台)手枪钻(一台经测试合格可以使用设备编号CJZ-01 CJZ-01 CJZ-01 SQZ-01测验日期2007-6-152007-6-152007-6-152007-6-15回路编号阻值(MΩ )阻值(MΩ )阻值(MΩ )阻值(M Ω )阻值(M Ω )阻值(M Ω )阻值(M Ω )阻值(M Ω )相别A BB CC AA OB OC OA 地10B 地C 地测验结果正常正常正常正常上次测验日期新购设备新购设备新购设备新购设备注:施工现场移动电具及手持电动工具应半年测试一次。测试合格后贴上标签,方可使用。测试负责人:检测人:安全员:2007 年 6 月 15 日移动及手持电动工具定期绝缘电阻测验记录表编号: 07 单位名称工作电压评定结论测验合格工程名称仪表型号绝缘电阻( MΩ )问题及处理意见设备名称手提式木工电锯(8 台)检验合格可以使用设备编号MD-01MD-02MD-03MD-04MD-05MD-06MD-07MD-08测验日期2007-6-152007-6-152007-6-152007-6-152007-6-152007-6-152007-6-152007-6-15回路编...

1、当您付费下载文档后,您只拥有了使用权限,并不意味着购买了版权,文档只能用于自身使用,不得用于其他商业用途(如 [转卖]进行直接盈利或[编辑后售卖]进行间接盈利)。
2、本站所有内容均由合作方或网友上传,本站不对文档的完整性、权威性及其观点立场正确性做任何保证或承诺!文档内容仅供研究参考,付费前请自行鉴别。
3、如文档内容存在违规,或者侵犯商业秘密、侵犯著作权等,请点击“违规举报”。

碎片内容

移动及手持电动工具定期绝缘电阻测验记录表

爱的疯狂+ 关注
实名认证
内容提供者

该用户很懒,什么也没介绍

相关文档

确认删除?
VIP
微信客服
  • 扫码咨询
会员Q群
  • 会员专属群点击这里加入QQ群
客服邮箱
回到顶部