电脑桌面
添加小米粒文库到电脑桌面
安装后可以在桌面快捷访问

立式加工中心精度检测记录表

立式加工中心精度检测记录表_第1页
1/3
立式加工中心精度检测记录表_第2页
2/3
立式加工中心精度检测记录表_第3页
3/3
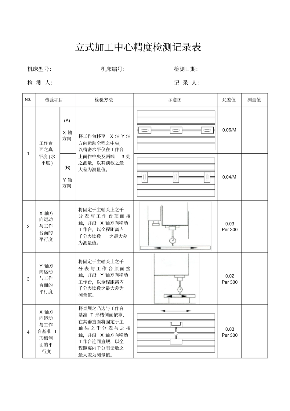
立式加工中心精度检测记录表机床型号:机床编号:检测日期:检 测 人:记 录 人:N0. 检验项目检验方法示意图允差值测量值1 工作台面之真平度 (水平度 ) (A) X 轴方向将工作台移至X 轴 Y 轴方向运动全程之中央,以精密水平仪在工作台上面作中央及两端3 处之测量,以其读数之最大差为测量值。0.06/M (B) Y 轴方向0.04/M 2 X 轴方向运动与工作台面的平行度将固定于主轴头上之千分 表 与 工 作 台 顶 面 接触,并沿X 轴方向移动工作台,以全程距离内千分表读数之最大差为测量值。0.03 Per 300 3 Y 轴方向运动与工作台面的平行度将固定于主轴头上之千分 表 与 工 作 台 顶 面 接触,并沿Y 轴方向移动工作台,以全程距离内千分表读数之最大差为测量值。0.02 Per 300 4 X 轴方向运动与工作台基准 T形槽侧面的平行度将直规之凸边与工作台基准 T 形槽侧面依靠,在其垂直面将固定于主轴 头 之 千 分 表 与 之 接触,并沿X 轴方向移动工作台连同直规,以全程距离内千分表读数之最大差为测量值。0.03 Per 300 5 X 轴方向运动与 Y 轴方向运动的垂直度将工作台移至X 轴方向运动全程之中央,将角尺置于工作台上,使角尺之一边与工作台之X轴方向运动平行,再将固定于主轴头之千分表与角尺另一边接触并沿Y 轴方向移动工作台,以千分表读数之最大差为测量值。0.02 Per 300 6 Z 轴方向运动与工作台面的垂直度X Z 将工作台移至X 轴方向运动全程之中央,将角尺置于工作台上,再将固定于主轴头上之千分表与之接触,并沿Z 轴方向移动主轴头,以千分表读数之最大差为测量值。0.02 Per 300 Y Z 将固定于主轴上之千分表与置于工作台上之角尺接触,并沿Z 轴方向移动主轴,以千分表读数之最大差为测量值。0.02 Per 300 7 主轴中心线与工作台面的垂直度X Z 将固定于主轴头之千分表与工作台顶面接触,并予以转动,以千分表读 数 之 最 大 差 为 测 量值。0.02 旋径300 Y Z 0.02 旋径300 8 主轴端外圆径向跳动将千分表表座固定于工作台面或主轴座上,将千分表表针分别打至主轴端外圆、 主轴端端面、主轴端锥孔壁,转动主轴,测量跳动数值差。A :0.005 9 主轴端面轴向跳动B:0.01 10 主轴端锥孔径向跳动C:0.005 11 主轴偏差(摆差)(主轴与主轴锥孔中心线的同轴度 ) 将检验棒插入主轴端锥孔内,将千分表分别打至检验棒外圆顶端与靠近主轴之根部,转动主轴,...

1、当您付费下载文档后,您只拥有了使用权限,并不意味着购买了版权,文档只能用于自身使用,不得用于其他商业用途(如 [转卖]进行直接盈利或[编辑后售卖]进行间接盈利)。
2、本站所有内容均由合作方或网友上传,本站不对文档的完整性、权威性及其观点立场正确性做任何保证或承诺!文档内容仅供研究参考,付费前请自行鉴别。
3、如文档内容存在违规,或者侵犯商业秘密、侵犯著作权等,请点击“违规举报”。

碎片内容

立式加工中心精度检测记录表

爱的疯狂+ 关注
实名认证
内容提供者

该用户很懒,什么也没介绍

确认删除?
VIP
微信客服
  • 扫码咨询
会员Q群
  • 会员专属群点击这里加入QQ群
客服邮箱
回到顶部