电脑桌面
添加小米粒文库到电脑桌面
安装后可以在桌面快捷访问

竣工资料范例--中国建筑工程总公司办公大楼工程

竣工资料范例--中国建筑工程总公司办公大楼工程_第1页
1/50
竣工资料范例--中国建筑工程总公司办公大楼工程_第2页
2/50
竣工资料范例--中国建筑工程总公司办公大楼工程_第3页
3/50
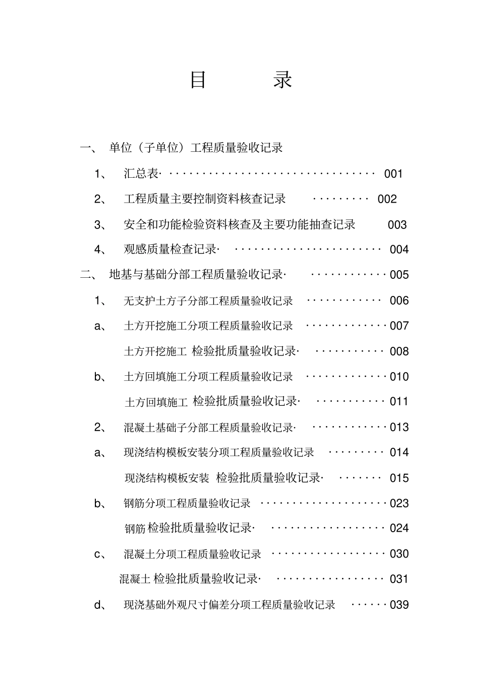
竣工资料中国建筑工程总公司办公大楼工程2012-8-20 目录一、 单位(子单位)工程质量验收记录1、汇总表· · · · · · · · · · · · · · · · · · · · · · · · · · · · · · · · · 001 2、工程质量主要控制资料核查记录· · · · · · · · · 002 3、安全和功能检验资料核查及主要功能抽查记录003 4、观感质量检查记录·· · · · · · · · · · · · · · · · · · · · · · · 004 二、 地基与基础分部工程质量验收记录·· · · · · · · · · · · · 005 1、无支护土方子分部工程质量验收记录· · · · · · · · · · · · 006 a、土方开挖施工分项工程质量验收记录· · · · · · · · · · · · · 007土方开挖施工 检验批质量验收记录·· · · · · · · · · · · 008 b、土方回填施工分项工程质量验收记录· · · · · · · · · · · · · 010土方回填施工 检验批质量验收记录·· · · · · · · · · · · 011 2、混凝土基础子分部工程质量验收记录·· · · · · · · · · · · · 013a、现浇结构模板安装分项工程质量验收记录· · · · · · · · · 014 现浇结构模板安装 检验批质量验收记录·· · · · · · · 015b、钢筋分项工程质量验收记录· · · · · · · · · · · · · · · · · · · · 023 钢筋检验批质量验收记录·· · · · · · · · · · · · · · · · · · 024c、混凝土分项工程质量验收记录· · · · · · · · · · · · · · · · · · 030 混凝土 检验批质量验收记录·· · · · · · · · · · · · · · · · · 031d、现浇基础外观尺寸偏差分项工程质量验收记录· · · · · · 039现浇基础外观尺寸偏差 检验批质量验收记录·· · · · · 0403、砌体基础子分部工程质量验收记录· · · · · · · · · · · · · · 046a、砖砌体分项工程质量验收记录· · · · · · · · · · · · · · · · · · 047砖砌体 检验批...

1、当您付费下载文档后,您只拥有了使用权限,并不意味着购买了版权,文档只能用于自身使用,不得用于其他商业用途(如 [转卖]进行直接盈利或[编辑后售卖]进行间接盈利)。
2、本站所有内容均由合作方或网友上传,本站不对文档的完整性、权威性及其观点立场正确性做任何保证或承诺!文档内容仅供研究参考,付费前请自行鉴别。
3、如文档内容存在违规,或者侵犯商业秘密、侵犯著作权等,请点击“违规举报”。

碎片内容

竣工资料范例--中国建筑工程总公司办公大楼工程

您可能关注的文档

爱的疯狂+ 关注
实名认证
内容提供者

该用户很懒,什么也没介绍

确认删除?
VIP
微信客服
  • 扫码咨询
会员Q群
  • 会员专属群点击这里加入QQ群
客服邮箱
回到顶部