电脑桌面
添加小米粒文库到电脑桌面
安装后可以在桌面快捷访问

简易呼吸器的操作流程故障分析及处理措施

简易呼吸器的操作流程故障分析及处理措施_第1页
1/1
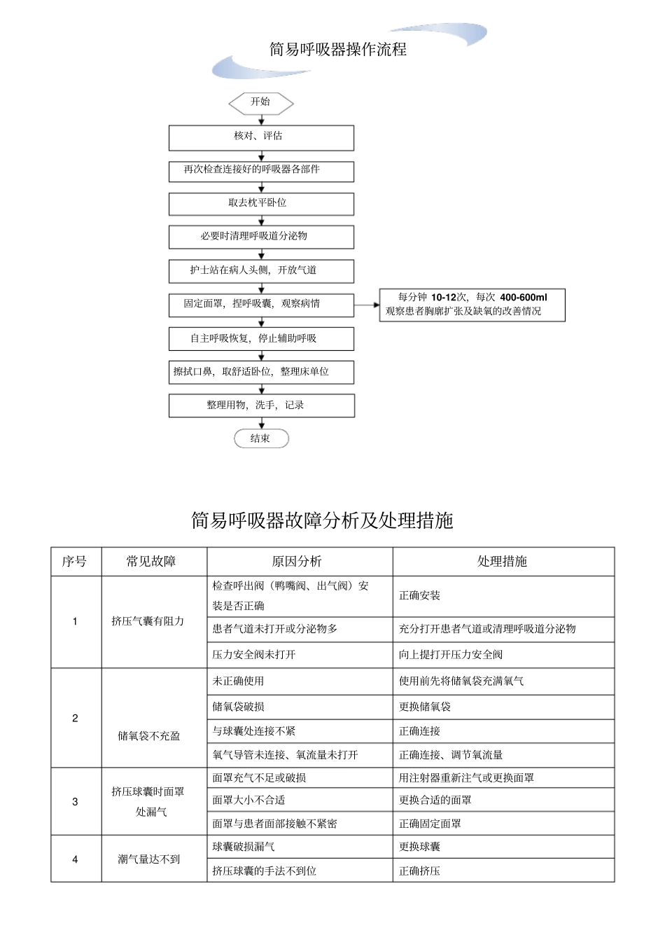
开始结束简易呼吸器操作流程再次检查连接好的呼吸器各部件取去枕平卧位必要时清理呼吸道分泌物护士站在病人头侧,开放气道固定面罩,捏呼吸囊,观察病情核对、评估自主呼吸恢复,停止辅助呼吸擦拭口鼻,取舒适卧位,整理床单位整理用物,洗手,记录每分钟 10-12次,每次 400-600ml观察患者胸廓扩张及缺氧的改善情况简易呼吸器故障分析及处理措施序号常见故障原因分析处理措施1 挤压气囊有阻力检查呼出阀(鸭嘴阀、出气阀)安装是否正确正确安装患者气道未打开或分泌物多充分打开患者气道或清理呼吸道分泌物压力安全阀未打开向上提打开压力安全阀2 储氧袋不充盈未正确使用使用前先将储氧袋充满氧气储氧袋破损更换储氧袋与球囊处连接不紧正确连接氧气导管未连接、氧流量未打开正确连接、调节氧流量3 挤压球囊时面罩处漏气面罩充气不足或破损用注射器重新注气或更换面罩面罩大小不合适更换合适的面罩面罩与患者面部接触不紧密正确固定面罩4 潮气量达不到球囊破损漏气更换球囊挤压球囊的手法不到位正确挤压

1、当您付费下载文档后,您只拥有了使用权限,并不意味着购买了版权,文档只能用于自身使用,不得用于其他商业用途(如 [转卖]进行直接盈利或[编辑后售卖]进行间接盈利)。
2、本站所有内容均由合作方或网友上传,本站不对文档的完整性、权威性及其观点立场正确性做任何保证或承诺!文档内容仅供研究参考,付费前请自行鉴别。
3、如文档内容存在违规,或者侵犯商业秘密、侵犯著作权等,请点击“违规举报”。

碎片内容

简易呼吸器的操作流程故障分析及处理措施

确认删除?
VIP
微信客服
  • 扫码咨询
会员Q群
  • 会员专属群点击这里加入QQ群
客服邮箱
回到顶部