电脑桌面
添加小米粒文库到电脑桌面
安装后可以在桌面快捷访问

管网七氟丙烷气体消防施工方案

管网七氟丙烷气体消防施工方案_第1页
1/10
管网七氟丙烷气体消防施工方案_第2页
2/10
管网七氟丙烷气体消防施工方案_第3页
3/10
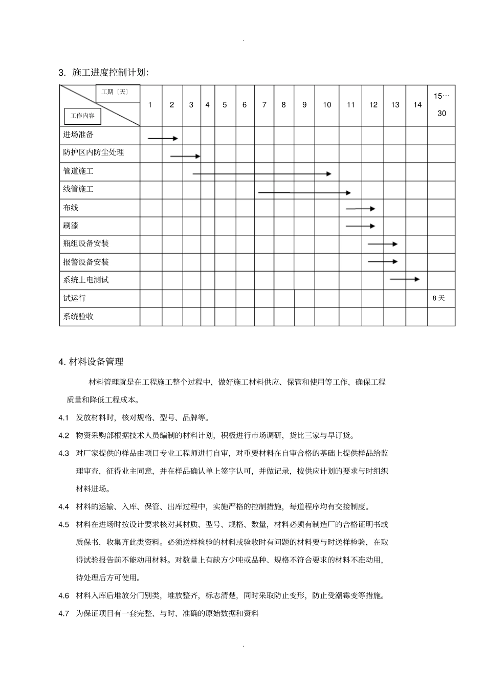
..七氟丙烷自动灭火系统施工方案细则一、工程承包方式包施工、包材料、包机械、包质量、包安全、包工期、包验收。二、质量要求本工程质量验收结论必须达到国家消防专业工程施工质量验收规X 标准,通过验收。三、编制依据气体灭火系统设计规X〔GB50370-2005〕四、保修期为了更好服务客户,免费保修为一年。〔不可抗力的因素除外〕按中华人民XX国《建筑工程质量管理条例》和建设部颁发的《房屋建筑质量保修办法》实施。五、施工内容与技术要求:1、 施工内容:1.1 该自动灭火系统工程由七氟丙烷自动灭火系统装置和火灾自动报警系统组成。1.2 气体灭火系统设备包括由灭火剂储存装置、电磁驱动装置、连接软管、集流管、安全阀、单向阀、选择阀、控制气管、瓶架、压力信号器、喷头。1.3 火灾自动报警系统包括火灾探测器、灭火控制器、消防警铃、声光报警器、放气指示灯、紧急启停按钮和系统布线等。2、技术要求:2.1 设计图纸;2.2 国家标准 GB50370-2005《气体灭火系统设计规X》。2.3 国家标准 GB50116-98《火灾自动报警系统设计规X》。2.4 国家标准 GB50166-2007《火灾自动报警系统施工与验收规X》。2.5 国家标准 GB50263-2007《气体灭火系统施工与验收规X》。六. 施工组织..1. 机构组成1.1 现场主管 (1 人 ):全面负责施工现场的统筹安排。1.2 电工班 (1 人) :负责火灾自动报警系统的安装、调试。1.3 质安员 (1 人) :负责施工过程的安全检查、质量检查工作。2. 主要施工机具与设备计划序号机具名称型号规格单位数量1 冲击钻?16台4 2 手电钻?6- ?12台2 3 角向打磨机130mm 把2 4 弯管器- 台2 5 手提灭火器- 个4 6 切割机450mm 台1 7 套丝机1.5KW 台1 8 电焊机1.5KW 台1 9 其它工具- 批1 现场主管管工班电工班质安员..3. 施工进度控制计划:1 2 3 4 5 6 7 8 9 10 11 12 13 14 15⋯30 进场准备防护区内防尘处理管道施工线管施工布线刷漆瓶组设备安装报警设备安装系统上电测试试运行8 天系统验收4. 材料设备管理材料管理就是在工程施工整个过程中,做好施工材料供应、保管和使用等工作,确保工程质量和降低工程成本。4.1 发放材料时,核对规格、型号、品牌等。4.2 物资采购部根据技术人员编制的材料计划,积极进行市场调研,货比三家与早订货。4.3 对厂家提供的样品由项目专业工程师进行自审,对重要材料在自审合格的基础上提供样品给监理审查,征得业主同意,并在样品...

1、当您付费下载文档后,您只拥有了使用权限,并不意味着购买了版权,文档只能用于自身使用,不得用于其他商业用途(如 [转卖]进行直接盈利或[编辑后售卖]进行间接盈利)。
2、本站所有内容均由合作方或网友上传,本站不对文档的完整性、权威性及其观点立场正确性做任何保证或承诺!文档内容仅供研究参考,付费前请自行鉴别。
3、如文档内容存在违规,或者侵犯商业秘密、侵犯著作权等,请点击“违规举报”。

碎片内容

管网七氟丙烷气体消防施工方案

确认删除?
VIP
微信客服
  • 扫码咨询
会员Q群
  • 会员专属群点击这里加入QQ群
客服邮箱
回到顶部