电脑桌面
添加小米粒文库到电脑桌面
安装后可以在桌面快捷访问

精品文档扶臂式挡土墙稳定计算

精品文档扶臂式挡土墙稳定计算_第1页
1/3
精品文档扶臂式挡土墙稳定计算_第2页
2/3
精品文档扶臂式挡土墙稳定计算_第3页
3/3
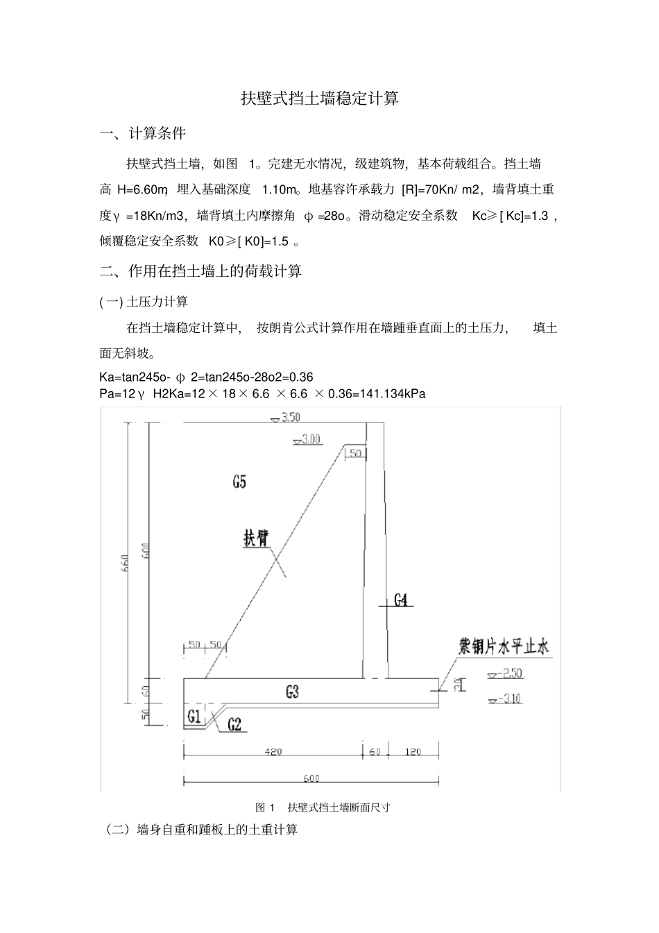
扶壁式挡土墙稳定计算一、计算条件扶壁式挡土墙,如图1。完建无水情况,级建筑物,基本荷载组合。挡土墙高 H=6.60m,埋入基础深度1.10m。地基容许承载力 [R]=70Kn/ m2,墙背填土重度γ =18Kn/m3,墙背填土内摩擦角 φ =28o。滑动稳定安全系数Kc≥[ Kc]=1.3 ,倾覆稳定安全系数K0≥[ K0]=1.5 。二、作用在挡土墙上的荷载计算( 一) 土压力计算在挡土墙稳定计算中, 按朗肯公式计算作用在墙踵垂直面上的土压力,填土面无斜坡。Ka=tan245o- φ 2=tan245o-28o2=0.36Pa=12 γ H2Ka=12× 18× 6.6 × 6.6 × 0.36=141.134kPa图 1 扶壁式挡土墙断面尺寸(二)墙身自重和踵板上的土重计算1、墙身自重G1=0.5×0.5 ×25=6.25Kn G2=0.5×0.5 ×0.5 ×25=3.125kN G3=6×0.6 ×25=90kN G4=(0.4+0.6) ×6×0.5 ×25=75Kn 2、作用在踵板上的土重G5=(4.2+4.4) ×6×0.5 ×18=464.4kN 列表计算作用在挡土墙上的总垂直力G、总水平力 H 及总弯矩 M,见表格 1 表 1 总垂直力、总水平力及各力对前趾O点力矩四、稳定验算(一)抗滑稳定验算Kc=tan φ 0G+C0AH=tan28o × 638.775116.8296=2.91>[Kc](二)偏心距计算及基底应力验算e=B2-MG=62-2222.784-233.6591638.775=-0.114σ minmax=GB1± 6eB=638.7756× 1± 6× 0.1146=94.33118.60kPaeR=70kPa需要进行地基处理。---------------------------------------------------------------范文最新推荐 ------------------------------------------------------ 3

1、当您付费下载文档后,您只拥有了使用权限,并不意味着购买了版权,文档只能用于自身使用,不得用于其他商业用途(如 [转卖]进行直接盈利或[编辑后售卖]进行间接盈利)。
2、本站所有内容均由合作方或网友上传,本站不对文档的完整性、权威性及其观点立场正确性做任何保证或承诺!文档内容仅供研究参考,付费前请自行鉴别。
3、如文档内容存在违规,或者侵犯商业秘密、侵犯著作权等,请点击“违规举报”。

碎片内容

精品文档扶臂式挡土墙稳定计算

您可能关注的文档

确认删除?
VIP
微信客服
  • 扫码咨询
会员Q群
  • 会员专属群点击这里加入QQ群
客服邮箱
回到顶部