电脑桌面
添加小米粒文库到电脑桌面
安装后可以在桌面快捷访问

精编【安全生产】危险化学品生产装置和储存设施平面布置的安全距离VIP专享

精编【安全生产】危险化学品生产装置和储存设施平面布置的安全距离_第1页
1/15
精编【安全生产】危险化学品生产装置和储存设施平面布置的安全距离_第2页
2/15
精编【安全生产】危险化学品生产装置和储存设施平面布置的安全距离_第3页
3/15
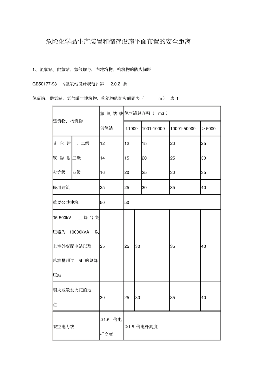
【安全生产】危险化学品生产装置和储存设施平面布置的安全距离xxxx 年 xx 月 xx 日xxxxxxxx 集团企业有限公司Please enter your company's name and contentv危险化学品生产装置和储存设施平面布置的安全距离1、氢氧站、供氢站、氢气罐与厂内建筑物、构筑物的防火间距GB50177-93《氢氧站设计规范》第2.0.2 条氢氧站、供氢站、氢气罐与建筑物、构筑物的防火间距表(m ) 表 1 建筑物、构筑物氢 氧 站 或供氢站氢气罐总容积(m3 )≤1000 1001-10000 10001-50000 >5000 其 它 建筑 物 耐火等级一、二级三级四级12 14 16 12 15 20 15 20 25 20 25 30 25 30 35 民用建筑25 25 30 35 40 重要公共建筑50 50 35-500kV且 每 台 变压器为10000kVA以上室外变配电站以及总油量超过5t 的总降压站25 25 30 35 40 明火或散发火花的地点30 25 30 35 40 架空电力线≥1.5倍电杆高度≥1.5 倍电杆高度注:1) 防火间距应按相邻建筑物或构筑物的外墙、凸出部分外缘、储罐外壁的最近距离计算。2) 固定容积的氢气罐,总容积按其水容量(m3 )和工作压力(绝对压力9.8 × 104Pa)的乘积计算。3) 总容积不超过20 m3的氢气罐与所属厂房的防火间距不限。4) 与高层厂房之间的防火间距,应按本表相应增加3m 。5) 氢气罐与氧气罐之间的防火间距,不应小于相邻较大罐直径。2、氢氧站、供氢站、氢气罐与厂内铁路、道路的防火间距GB50177-93《氢氧站设计规范》第2.0.3 条氢氧站、供氢站、氢气罐与铁路、道路的防火间距表(m )表 2 铁路、道路氢氧站、供氢站氢气罐厂区铁路线(中心线)非电力牵引机车30 25 电力牵引机车20 20 厂内铁路线(中心线)非电力牵引机车20 20 电力牵引机车15 厂内道路(路边)主要道路10 10 次要道路5 5 围墙5 5 注:防火间距应从氢气罐外壁算起。3、供氢站厂内平面布置的防火间距GB4962-85《氢气使用安全技术规程》第2.1.2 条供氢站平面布置的防火间距表表 3 名称最小防火间距,m 其他建筑物耐火等级一、二级三级四级12 14 16 甲类物品库房20 屋外变、配电站25 民用建筑25 重要公共建筑50 明火或散发火花地点30 水槽式可燃气体贮罐,m3 ≤500 501-10000 >10000 12 15 20 水槽式氧气贮罐,m3 ≤1000 >1000 10 12 易燃液体贮罐,m3 1-50 51-200 201-1000 1001-5000 15 19 25 31 可燃液体贮罐按 5m3 可燃液体等于1m3 ...

1、当您付费下载文档后,您只拥有了使用权限,并不意味着购买了版权,文档只能用于自身使用,不得用于其他商业用途(如 [转卖]进行直接盈利或[编辑后售卖]进行间接盈利)。
2、本站所有内容均由合作方或网友上传,本站不对文档的完整性、权威性及其观点立场正确性做任何保证或承诺!文档内容仅供研究参考,付费前请自行鉴别。
3、如文档内容存在违规,或者侵犯商业秘密、侵犯著作权等,请点击“违规举报”。

碎片内容

精编【安全生产】危险化学品生产装置和储存设施平面布置的安全距离

确认删除?
VIP
微信客服
  • 扫码咨询
会员Q群
  • 会员专属群点击这里加入QQ群
客服邮箱
回到顶部