电脑桌面
添加小米粒文库到电脑桌面
安装后可以在桌面快捷访问

安徽农户光伏系统施工方案

安徽农户光伏系统施工方案_第1页
1/8
安徽农户光伏系统施工方案_第2页
2/8
安徽农户光伏系统施工方案_第3页
3/8
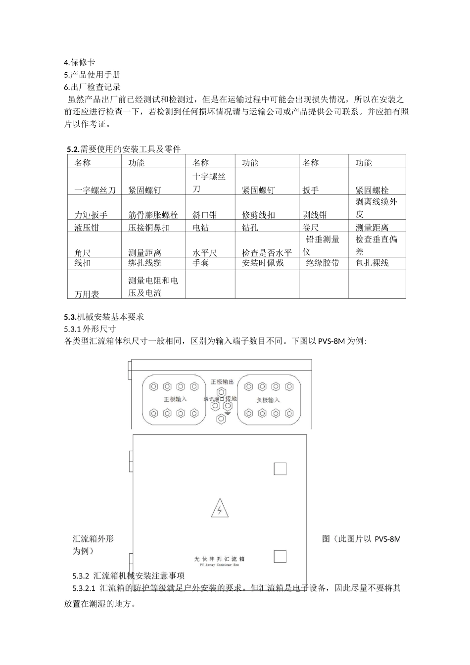
安徽农户光伏系统施工方案、开工前先调查、了解施工现场(对危房、瓦房等具备安装条件的屋面要及时和户主说明情况,禁止安装。)及临近地方管线,若现场存在需要改移的设施,配合户主协调,做好有关工作。工程施工人员人,其中辅助人员;工程辅助车辆辆。、根据建筑屋顶的设计标准,妥善处理屋顶。(对屋面的防水情况进行检测,要确保做到不会破坏屋面本身的防水结构层)注:需甲方协调,为达共赢。、平或屋面支架安装屋面清理 f 测量定位 f 支脚底座安装钻孔 f 安装支脚 f 安装横向支撑 f 安装轨道 f 安装斜支撑屋面清理:把要测量定位的屋面垃圾清理出场并打扫干净屋面。测量定位根据基础布置图确定每个支脚安装点的位置。支架底座安装钻孔:在安装点的位置,根据支脚底座孔距在楼面上打孔,孔的直径、深度直径根据膨胀螺栓尺寸而定。安装支脚:根据图纸确定前后支脚尺寸,确定好前后支脚位置后,用膨胀螺栓将支脚固定在屋面上注:必须安装防水胶垫与防水平垫圈,要求与水平面垂直。安装横向支撑:根据图纸确定横向支撑长度,用连接件将横向支撑与支脚连接注:两管连接部必须在连接件的中间位置。安装轨道:根据图纸要求选择轨道长度,确定轨道方向,用连接件将轨道固定在横向支撑顶部,根据图纸尺寸用螺栓将轨道固定在轨道固定件一侧。安装斜支撑:根据图纸,选择斜支撑、斜支撑连接件及斜支撑固定螺栓,将斜支撑固定在图纸指定的位置。、光伏组件安装光伏组件安装前准备()组件的运输与保管应符合制造厂的专门规定。电池组件开箱前必须检查,对照合同、设计、供货单检查组件的尺寸、品牌、合格证、技术参数、外观等,并组织做好开箱检查见证记录,检查合格后使用。()组件安装前支架的安装工作应通过质量验收。组件的型号、规格应符合设计要求。组件的外观及各部件应完好无损,安装人员应经过相关安装知识培训和技术交底。()组件的安装应符合下列规定:光伏组件安装应按照设计图纸进行。组件固定螺栓的力矩值应符合制造厂或设计文件的规定。组件安装允许偏差应符合规定:组件安装标准及检验方法序号检查项目质量标准单位检验器具组件安装倾斜角度偏差按设计图纸要求或 W°角度测量尺(仪)组件边缘咼差相邻组件间钢尺检查东西向全长(同方阵)钢尺检查组件平整度相邻组件间钢尺检查东西向全长(同方阵)钢尺检查组件固定紧固件紧固牢靠扭矩扳手检查组件连接串联数量按设计要求进行串联观察检查接插件要连接插接牢固可靠观察检查组串电压...

1、当您付费下载文档后,您只拥有了使用权限,并不意味着购买了版权,文档只能用于自身使用,不得用于其他商业用途(如 [转卖]进行直接盈利或[编辑后售卖]进行间接盈利)。
2、本站所有内容均由合作方或网友上传,本站不对文档的完整性、权威性及其观点立场正确性做任何保证或承诺!文档内容仅供研究参考,付费前请自行鉴别。
3、如文档内容存在违规,或者侵犯商业秘密、侵犯著作权等,请点击“违规举报”。

碎片内容

安徽农户光伏系统施工方案

您可能关注的文档

确认删除?
VIP
微信客服
  • 扫码咨询
会员Q群
  • 会员专属群点击这里加入QQ群
客服邮箱
回到顶部