电脑桌面
添加小米粒文库到电脑桌面
安装后可以在桌面快捷访问

细石混凝土保护层

细石混凝土保护层_第1页
1/4
细石混凝土保护层_第2页
2/4
细石混凝土保护层_第3页
3/4
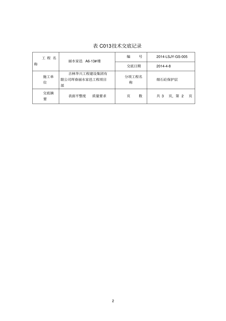
1 表 C013技术交底记录工 程 名称丽水家邑 A6-13#楼编号2014-LSJY-GS-005交底日期2014-4-8施工单位吉林华兴工程建设集团有限公司珲春丽水家邑工程项目部分项工程名称细石砼保护层交底摘要表面平整度质量要求页数共 3 页,第 1 页交底内容:一、施工准备1. 材料准备:细石混凝土C20:水泥:采用复合硅酸盐水泥,砂:细砂,含泥量不大于2%,石子:粗骨料用石子最大颗粒粒径不应大于5-15mm。细石砼 C20配合比为:水泥:细砂:石子:水 = 1:::每立方米水泥用量:408kg 施工配合比为:1:::(砂含水率4%石子 2%)2. 施工前的准备防水层施工完毕,经监理验收合格签字认可,隐蔽验收手续已办理完成。3. 机具准备应备有混凝土搅拌机、磅秤、尖铁锹、平铁锹、平板振捣器、刮杠、木抹子、胶皮水管、水平尺等。二、施工方法:1. 工艺流程:清理基底→拌制混凝土→混凝土浇筑→振捣→找平→养护2. 施工要求(1)混凝土保护层厚度为40mm。(2)核对混凝土配合比,检查后台磅秤,必须严格按照配合比进行混凝土搅拌。3. 施工方法(1)在基坑内做好混凝土上平的标志,大面积浇筑的基础垫层每隔3m左右做水平标高台。(2)有高低相接处,先浇筑低处,斜坡处采用较干的细石砼进行拍坡,抹面找直。(3)浇筑混凝土从1 轴开始,向10 轴方向进行施工,如连续进行施工面积较大时,应在后浇带处留置施工缝。(4)混凝土浇筑后,应及时振捣,在2h 内必须振捣完毕。否则应按规范规定留置施工缝。(5)混凝土振捣:一般采用平板式振捣器,但垫层厚度超过20cm 时,应采用插入式振捣器;其移动间距不大于作用半径的倍。(6)找平:混凝土振捣密实后,按标杆检查一下上平,然后用大杠刮平、表面再用木抹子搓平。合格,按要求办完隐检手续。2 表 C013技术交底记录工 程 名称丽水家邑 A6-13#楼编号2014-LSJY-GS-005交底日期2014-4-8施工单位吉林华兴工程建设集团有限公司珲春丽水家邑工程项目部分项工程名称细石砼保护层交底摘要表面平整度质量要求页数共 3 页,第 2 页3 交底内容:(7)混凝土的养护:混凝土浇筑完毕后,应在12h 内浇水养护,浇水次数应能保持混凝土有足够的润湿状态。养护期一般不少于7 昼夜。三、质量标准:(1) 主控项目:1) 保护层混凝土所用的水泥、水、骨料、必须符合施工规范和有关标准的规定。2) 混凝土的配合比、原材料计量、搅拌、养护和施工缝处理,必须符合规定。3) 评定混凝土强度的试块,必须符合设计要求和...

1、当您付费下载文档后,您只拥有了使用权限,并不意味着购买了版权,文档只能用于自身使用,不得用于其他商业用途(如 [转卖]进行直接盈利或[编辑后售卖]进行间接盈利)。
2、本站所有内容均由合作方或网友上传,本站不对文档的完整性、权威性及其观点立场正确性做任何保证或承诺!文档内容仅供研究参考,付费前请自行鉴别。
3、如文档内容存在违规,或者侵犯商业秘密、侵犯著作权等,请点击“违规举报”。

碎片内容

细石混凝土保护层

确认删除?
VIP
微信客服
  • 扫码咨询
会员Q群
  • 会员专属群点击这里加入QQ群
客服邮箱
回到顶部