电脑桌面
添加小米粒文库到电脑桌面
安装后可以在桌面快捷访问

内审员测试题VIP免费

内审员测试题_第1页
1/5
内审员测试题_第2页
2/5
内审员测试题_第3页
3/5
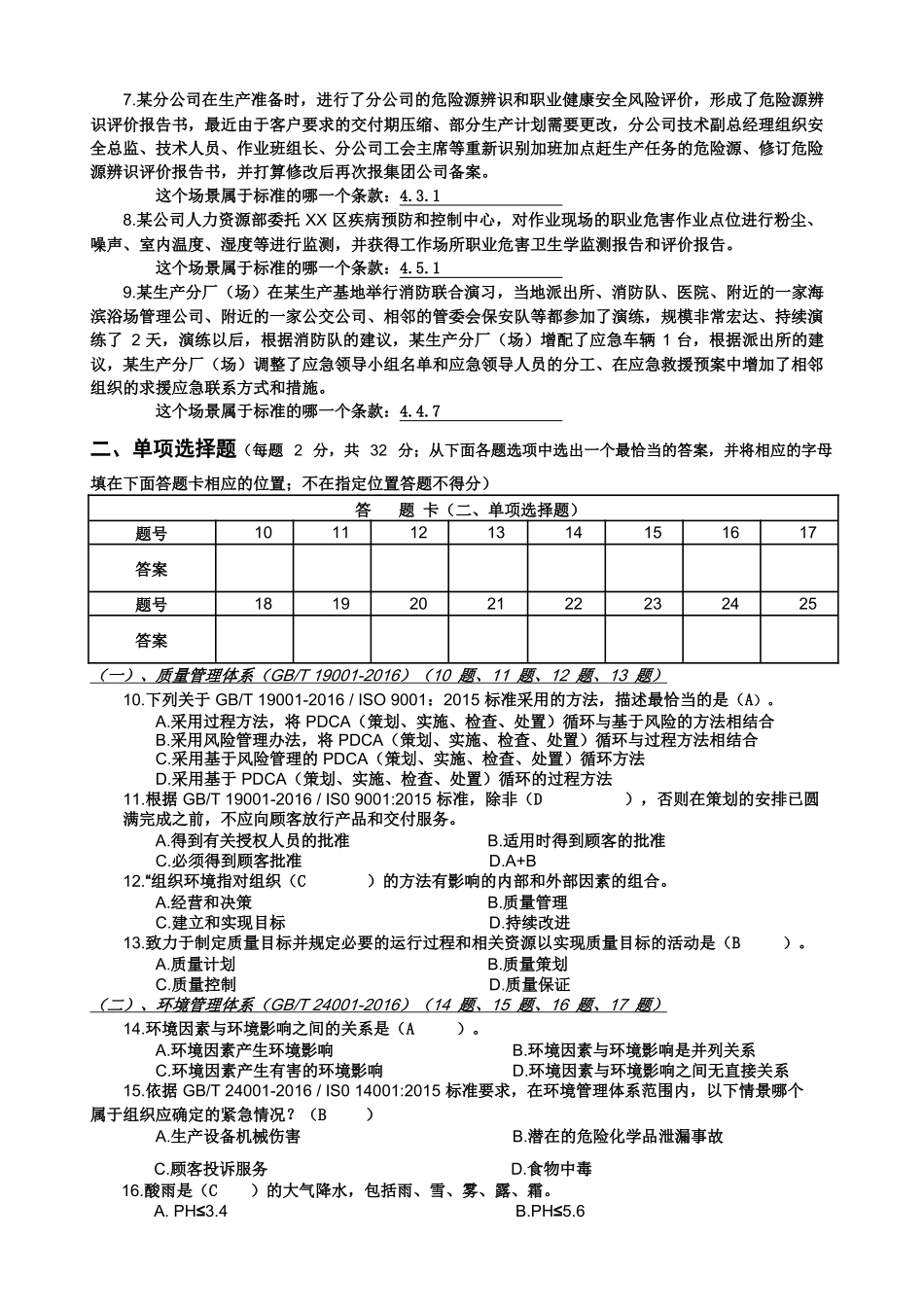
质量管理体系·环境管理体系·职业健康安全管理体系(GB/T19001-2016·GB/T24001-2016·GB/T28001-2011)标准知识测试试题阅卷评分表一二三四五总分题号填空题单项选择题多项选择题判断题简答题核分人(120)(18分)(32分)(32)(24)(14分)得分☆注意事项:1、本试卷满分:120分,84分及以上为及格;考试时间:120分钟;考试形式:笔试/开卷;2、试题答案填写在答题纸指定位置内,在本试卷上作答不得分;3、考试完毕,试卷上交,不得带出考场。姓名:单位/部门:考试时间:一、填空题(每题2分,共18分;指出题目场景属于相应标准的哪一个条款,并将条款章节号写在答题卡内;不在指定位置答题不得分)答题卡(一、填空题)题号12345答案题号6789——答案(一)、质量管理体系(GB/T19001-2016)(1题、2题、3题)1.对脱模后发现不合格的产品进行纠正处理之后,再次验证其是否符合要求。这个场景属于标准的哪一个条款:10.22.公司委派采购员、技术员、预算员一行5人去考察当地一个碎石厂。这个场景属于标准的哪一个条款:8.4.33.某车间(站、场)设备管理员、机械维修工,正在对水泥混合料设备进行故障修理。这个场景属于标准的哪一个条款:7.1.3(二)、环境管理体系(GB/T24001-2016)(4题、5题、6题)4.某公司安全环保部委托某市环境监测站对粉尘排放浓度、污水排放指标、厂界(场界)噪声定期进行监测,并收集相应的环境监测报告。这个场景属于标准的哪一个条款:9.1.15.某公司法律事务部及时跟踪新环保法、新污水排放标准、与相邻单位签订的环保协议,并将环保法规和其他要求清单进行更新,将更新后的清单分享在OA办公自动化平台上让各部门都能获悉最新信息。这个场景属于标准的哪一个条款:7.46.某分公司与物流运输公司签订运输外包合同时,专门请法律事务部门拟定了一份书面的物流环境保护协议,并同时与物流运输公司签订环境保护协议、环境保护责任书。这个场景属于标准的哪一个条款:6.1.3(三)、职业健康安全管理体系(GB/T28001-2011)(7题、8题、9题)7.某分公司在生产准备时,进行了分公司的危险源辨识和职业健康安全风险评价,形成了危险源辨识评价报告书,最近由于客户要求的交付期压缩、部分生产计划需要更改,分公司技术副总经理组织安全总监、技术人员、作业班组长、分公司工会主席等重新识别加班加点赶生产任务的危险源、修订危险源辨识评价报告书,并打算修改后再次报集团公司备案。这个场景属于标准的哪一个条款:4.3.18.某公司人力资源部委托XX区疾病预防和控制中心,对作业现场的职业危害作业点位进行粉尘、噪声、室内温度、湿度等进行监测,并获得工作场所职业危害卫生学监测报告和评价报告。这个场景属于标准的哪一个条款:4.5.19.某生产分厂(场)在某生产基地举行消防联合演习,当地派出所、消防队、医院、附近的一家海滨浴场管理公司、附近的一家公交公司、相邻的管委会保安队等都参加了演练,规模非常宏达、持续演练了2天,演练以后,根据消防队的建议,某生产分厂(场)增配了应急车辆1台,根据派出所的建议,某生产分厂(场)调整了应急领导小组名单和应急领导人员的分工、在应急救援预案中增加了相邻组织的求援应急联系方式和措施。这个场景属于标准的哪一个条款:4.4.7二、单项选择题(每题2分,共32分;从下面各题选项中选出一个最恰当的答案,并将相应的字母填在下面答题卡相应的位置;不在指定位置答题不得分)答题卡(二、单项选择题)题号1011121314151617答案题号1819202122232425答案(一)、质量管理体系(GB/T19001-2016)(10题、11题、12题、13题)10.下列关于GB/T19001-2016/ISO9001:2015标准采用的方法,描述最恰当的是(A)。A.采用过程方法,将PDCA(策划、实施、检查、处置)循环与基于风险的方法相结合B.采用风险管理办法,将PDCA(策划、实施、检查、处置)循环与过程方法相结合C.采用基于风险管理的PDCA(策划、实施、检查、处置)循环方法D.采用基于PDCA(策划、实施、检查、处置)循环的过程方法11.根据GB/T19001-2016/IS09001:2015标准,除非(D),否则在策划的安排已圆满完成之前,不应向顾客放行产品和交付服...

1、当您付费下载文档后,您只拥有了使用权限,并不意味着购买了版权,文档只能用于自身使用,不得用于其他商业用途(如 [转卖]进行直接盈利或[编辑后售卖]进行间接盈利)。
2、本站所有内容均由合作方或网友上传,本站不对文档的完整性、权威性及其观点立场正确性做任何保证或承诺!文档内容仅供研究参考,付费前请自行鉴别。
3、如文档内容存在违规,或者侵犯商业秘密、侵犯著作权等,请点击“违规举报”。

碎片内容

内审员测试题

您可能关注的文档

确认删除?
VIP
微信客服
  • 扫码咨询
会员Q群
  • 会员专属群点击这里加入QQ群
客服邮箱
回到顶部