电脑桌面
添加小米粒文库到电脑桌面
安装后可以在桌面快捷访问

内蒙古伊化化学工业集团有限公司品牌经营策划方案VIP免费

内蒙古伊化化学工业集团有限公司品牌经营策划方案_第1页
1/9
内蒙古伊化化学工业集团有限公司品牌经营策划方案_第2页
2/9
内蒙古伊化化学工业集团有限公司品牌经营策划方案_第3页
3/9
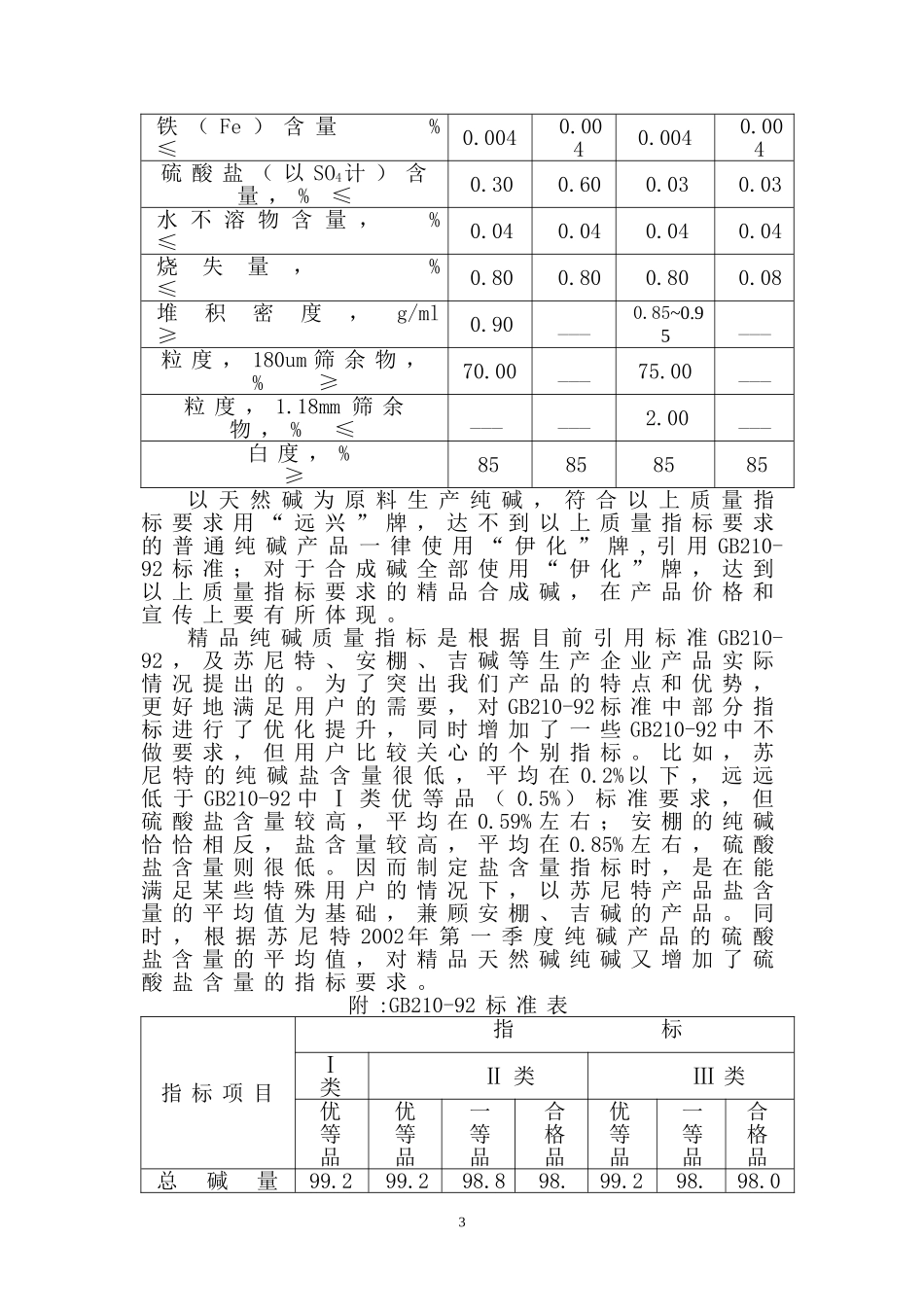
内蒙古伊化化学工业集团有限公司品牌经营策划方案(讨论稿)创造名牌产品、实施品牌战略已成为市场竞争、经济发展的重要手段和振兴企业经济的重要措施。品牌作为一种驰名和著名商标,是产品质量信誉的标记,是产品满足一定社会需要的反映,是高质量、高效益、高市场占有率、高信誉度的集中表现,是由市场承认的具有超群市场表现的产品。在现代市场中,质量竞争已取代价格竞争成为市场竞争的中心内容。21世纪是质量和信誉的世纪,如果我们没有质量过硬的产品,在市场上是很难立住脚的。一个名牌产品能带动一个企业,能振兴一方土地。企业要走向成功,地区要走向发展,需要实施名牌战略,在竞争中才能争取优势地位。一、公司品牌经营的基本情况2001年8.23会议上戴总提出了三年精品战略的构想,现在还没有实质性的进展,今年公司又把品牌经营提上了议事日程。但是目前我们公司使用的商标有伊化、远兴、马兰、阿瑞美、天湖、中天、柴达木等,其中享有自治区名牌称号的有伊化牌纯碱、马兰牌小苏打、远兴牌小苏打、远兴牌纯碱。尽管这些商标各有各的特点和内涵,各自有各自的市场和用户,但是由于商标诸多对伊化整体形象的宣传和塑造并没有起到应有的作用和效果。各企业宣传各自的产品和品牌,甚至为了各自的利益在市场上相互抵毁,排斥手足,这种现象的出现主要是因为商标不统一、不规范造成的。因此根据公司当前发展的实际情况,实施品牌经营已势在必行,通过实施品牌经营,树立公司的整体形象。有了稳定的品牌,就有了市场,就有了企业发展的动力,推进公司精品战略的实施。二、品牌经营的基础1.品牌的核心是具有能让用户满意的产品质量,因此要建立严格的质量管理体系――生产出用户“用得放心”的产品。2.依靠企业自身具备一定的技术实力与较强的经营管理能力,即具有不断地开发产品的实1力,不断开发新产品,满足用户日益变化的需求和社会变迁,保持品牌的价值与企业成长,保持旺盛的品牌生命力。3.建立优质的售前、售中、售后服务。三、品牌的使用1.公司的主导产品是纯碱和小苏打,而“远兴”和“马兰”都是自治区著名商标,因此“远兴”和“马兰”就用于纯碱和小苏打的合格品以上产品的包装(具体标准见精品质量指标要求),并且“远兴”牌商标仅限使用在由天然碱加工制得的纯碱。不符合“远兴”和“马兰”品牌质量要求的产品一律禁止使用这两个商标。2.公司生产的其它产品和不符合“远兴“、”马兰“牌包装的纯碱和小苏打,一律使用“伊化”牌商标进行包装。“伊化”牌商标采取主、副商标识别产品的办法,如:伊化*合成纯碱,伊化*硫化碱,伊化*XXX(详细情况见商标使用表)。3.设计集团统一标志,将标志和商标区分开来,标志是企业的象征、是标杆,不能将标志等同于商标,也不能用商标代替标志。公司的标志有待于重新设计确定,凡隶属于集团的所有企业都使用同一标志。标志的设计应以伊化学为主体,将企业标志名、商标名、产品标识名三者统一起来。四、品牌的定位品牌定位是品牌运营的基准,品牌的科学定位成为品牌能否保持健康旺盛生命力的前提与基础,品牌必须具有鲜明的个性,必须具有独特的差异性优势。由于我们公司现在的主导产业是天然碱,天然碱具有一定的资源优势和产品优势,因此我们的品牌定位是:天然、绿色。五、精品质量指标要求1.精品纯碱质量指标要求指标项目以天然碱为原料合成碱精品重质纯碱精品轻质纯碱精品重质纯碱精品轻质纯碱总碱量(以Na2CO3计),%≥99.299.299.299.2氯化物(以NaCI计)含量,%≤0.300.300.300.302铁(Fe)含量%≤0.0040.0040.0040.004硫酸盐(以SO4计)含量,%≤0.300.600.030.03水不溶物含量,%≤0.040.040.040.04烧失量,%≤0.800.800.800.08堆积密度,g/ml≥0.90___0.85~0.95___粒度,180um筛余物,%≥70.00___75.00___粒度,1.18mm筛余物,%≤______2.00___白度,%≥85858585以天然碱为原料生产纯碱,符合以上质量指标要求用“远兴”牌,达不到以上质量指标要求的普通纯碱产品一律使用“伊化”牌,引用GB210-92标准;对于合成碱全部使用“伊化”牌,达到以上质量指标要求的精品合成碱,在产品价格和宣传上要有所体现。精品...

1、当您付费下载文档后,您只拥有了使用权限,并不意味着购买了版权,文档只能用于自身使用,不得用于其他商业用途(如 [转卖]进行直接盈利或[编辑后售卖]进行间接盈利)。
2、本站所有内容均由合作方或网友上传,本站不对文档的完整性、权威性及其观点立场正确性做任何保证或承诺!文档内容仅供研究参考,付费前请自行鉴别。
3、如文档内容存在违规,或者侵犯商业秘密、侵犯著作权等,请点击“违规举报”。

碎片内容

内蒙古伊化化学工业集团有限公司品牌经营策划方案

您可能关注的文档

确认删除?
VIP
微信客服
  • 扫码咨询
会员Q群
  • 会员专属群点击这里加入QQ群
客服邮箱
回到顶部