电脑桌面
添加小米粒文库到电脑桌面
安装后可以在桌面快捷访问

结构实体现场检测方案

结构实体现场检测方案_第1页
1/10
结构实体现场检测方案_第2页
2/10
结构实体现场检测方案_第3页
3/10
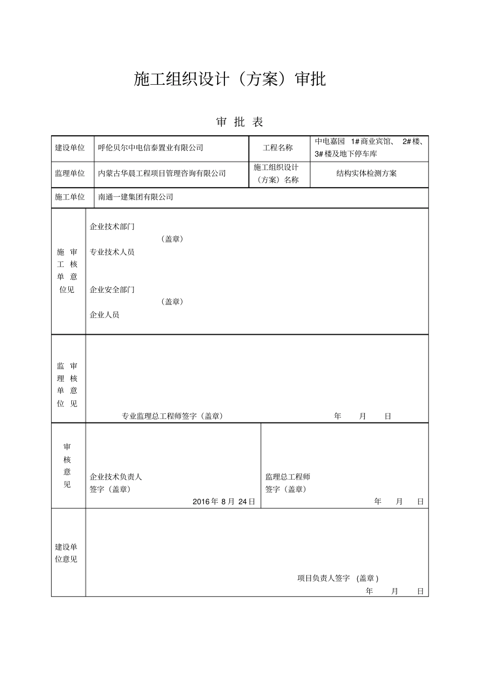
结构实体检测方案工程名称: 中电嘉园 1#商业宾馆、2#、3#住宅楼及地下停车库建设单位:呼伦贝尔中电信泰置业有限公司监理单位:内蒙古华晨工程项目管理咨询有限公司施工单位:南通一建集团有限公司施工组织设计(方案)审批审 批 表建设单位呼伦贝尔中电信泰置业有限公司工程名称中电嘉园 1# 商业宾馆、 2# 楼、3# 楼及地下停车库监理单位内蒙古华晨工程项目管理咨询有限公司施工组织设计(方案)名称结构实体检测方案施工单位南通一建集团有限公司施 审工 核单 意位见企业技术部门(盖章)专业技术人员企业安全部门(盖章)企业人员监 审理 核单 意位 见专业监理总工程师签字(盖章)年月日审核意见企业技术负责人签字(盖章)2016 年 8 月 24 日监理总工程师签字(盖章)年月日建设单位意见项目负责人签字(盖章 ) 年月日混凝土强度实体检测方案一、检测方案1.1工程概况中电嘉园 1#商业宾馆、 2#楼、3#楼及地下停车库工程位于海拉尔规划路路南,尼尔基路路西。中电嘉园1#商业宾馆为地下一层、地上八层,建筑高度为27.75m,建筑结构类型为框架结构。2#楼、3#楼为地下一层、地上十五层,建筑高度为47.6m,建筑结构类型为剪力墙结构形式。地下停车库为地下一层,建筑高度-4.2m,建筑结构类型为框架结构。 该工程建设单位为呼伦贝尔中电信泰置业有限公司,设计单位为呼伦贝尔市点维建筑设计有限有限责任公司,监理单位是内蒙古华晨工程项目管理咨询有限公司,施工单位是南通一建集团有限公司。 为保证结构安全, 委托呼伦贝尔市工程质量监督检验中心对全结构混凝土强度进行检验。1.2 检测依据该工程检测依据下列国家、行业标准规范和建筑工程质量监督检验中心的检验细则。 1、委托方委托事项要约;2、《建筑结构检测技术标准》 (GB/T 50344-2004);3、《混凝土结构工程质量施工质量验收规范》(GB 50204-2002);4、《钻芯法检测混凝土抗压强度技术规程》 (CECS 03:2007);5、《混凝土结构设计规范》 (GB 50010-2002);6 设计图纸及相关施工资料。1.3 检测内容检测工作内容为: 钢筋混凝土构件的混凝土强度抽样检测(全结构)。1.4 检测方法从设计图纸中可以看出,该结构混凝土设计强度等级较多(C20、C30、C40)。该工程混凝土强度等级分布如下:C20—用于基础的垫层。 C30—用于基础、过梁、楼板、构造柱、楼梯)C40—用于地下室框架梁、 楼板、柱子和剪力墙。 C30防水混凝土—用于筏板基础、独...

1、当您付费下载文档后,您只拥有了使用权限,并不意味着购买了版权,文档只能用于自身使用,不得用于其他商业用途(如 [转卖]进行直接盈利或[编辑后售卖]进行间接盈利)。
2、本站所有内容均由合作方或网友上传,本站不对文档的完整性、权威性及其观点立场正确性做任何保证或承诺!文档内容仅供研究参考,付费前请自行鉴别。
3、如文档内容存在违规,或者侵犯商业秘密、侵犯著作权等,请点击“违规举报”。

碎片内容

结构实体现场检测方案

爱的疯狂+ 关注
实名认证
内容提供者

该用户很懒,什么也没介绍

确认删除?
VIP
微信客服
  • 扫码咨询
会员Q群
  • 会员专属群点击这里加入QQ群
客服邮箱
回到顶部