电脑桌面
添加小米粒文库到电脑桌面
安装后可以在桌面快捷访问

绝缘安全工器具试验项目周期和要求

绝缘安全工器具试验项目周期和要求_第1页
1/24
绝缘安全工器具试验项目周期和要求_第2页
2/24
绝缘安全工器具试验项目周期和要求_第3页
3/24
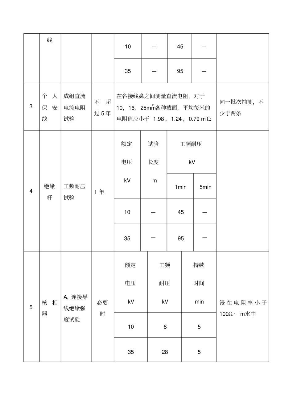
绝缘安全工器具试验项目、周期和要求号器具项目周期要求说明1电容型验电器A、起动电压试验1 年起动电压值不高于额定电压的40%,不低于额定电压的 15%试验时接触电极应与试验电极相接触B、工频耐压试验1 年额定电压kV试验长度m工频耐压kV1min5min100.745—350.995—2携带型短路接地A、成组直流电阻试验不超过 5 年在各接线鼻之间测量直流电阻,对于25,35,50,70,95,120mm2 的各种截面,平均每米的电阻值应分别小于0.79 ,0.56 ,0.40 ,0.28 ,0.21 ,0.16mΩ同一批次抽测,不少于 2 条,接线鼻与软导线压接的应做该试验B、操作棒的工频耐压试验4 年额定电压kV试验长度m工频耐压kV试验电压加在护环与紧固头之间1min5min线10—45—35—95—3个人保安线成组直流电流电阻试验不超过 5 年在各接线鼻之间测量直流电阻,对于10,16,25mm2 各种截面,平均每米的电阻值应小于 1.98 ,1.24 ,0.79 m Ω同一批次抽测,不少于两条4绝缘杆工频耐压试验1 年额定电压kV试验长度m工频耐压kV1min5min10—45—35—95—5核相器A、连接导线绝缘强度试验必要时额定电压kV工频耐压kV持续时间min浸 在 电 阻 率 小 于100Ω ·m水中108535285B、绝缘部分工频耐试验1 年额定电压kV试验长度m工频耐压kV持续时间min100.7451350.9951C、电阻管泄漏电流试验半年额定电压kV工频耐压kV持续时间min泄漏电流mA0101≤235351≤2D、动作电压试验1 年最低动作电压应达0.25 倍额定电压6-10301358016绝缘工频耐压1 年电压工频耐压持续时间使用于带电设备区本标准摘自电力安全工作规程(河南省电力公司)豫电安[2005]339 号矿 用 隔 爆 型PBG40- 10(6)/ ( a、b、c) 系列胶垫试验等级kVmin域高压151低压3.517绝缘靴工频耐压试验半年工频耐压kV持续时间min泄漏电流mA151≤7.58绝缘手套工频耐压试验半年电压等级工频耐压kV持续时间min泄漏电流mA高压81≤9低压2.51≤2.59导电鞋直流电阻试验穿用不超过200h电阻值小于 100KΩ高压真空配电装置 BGP49-6 (10)型工频耐压试验PJG-(50-630)/10 (6 )系列一、工频耐压试验:1、试验前,应将三相电压互感器、压敏电阻的高压引线从高压主回路中拆除,高压综合保护装置从插座上拔出。2、高压主回路的相间,相对地、真空灭弧室的触头断口按下表施加相应电压,历时1min 应无击穿与闪络现象。额定电压kV 1min 工频耐压(有效值) kV 标准雷电冲击全波(峰值)kV 对地、相间、断路器断口间...

1、当您付费下载文档后,您只拥有了使用权限,并不意味着购买了版权,文档只能用于自身使用,不得用于其他商业用途(如 [转卖]进行直接盈利或[编辑后售卖]进行间接盈利)。
2、本站所有内容均由合作方或网友上传,本站不对文档的完整性、权威性及其观点立场正确性做任何保证或承诺!文档内容仅供研究参考,付费前请自行鉴别。
3、如文档内容存在违规,或者侵犯商业秘密、侵犯著作权等,请点击“违规举报”。

碎片内容

绝缘安全工器具试验项目周期和要求

确认删除?
VIP
微信客服
  • 扫码咨询
会员Q群
  • 会员专属群点击这里加入QQ群
客服邮箱
回到顶部