电脑桌面
添加小米粒文库到电脑桌面
安装后可以在桌面快捷访问

维修电工中级操作技能考核试卷

维修电工中级操作技能考核试卷_第1页
1/3
维修电工中级操作技能考核试卷_第2页
2/3
维修电工中级操作技能考核试卷_第3页
3/3
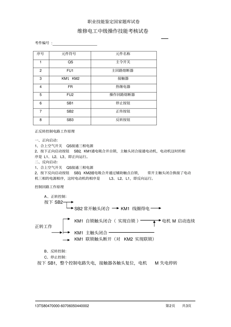
职业技能鉴定国家题库试卷维修电工中级操作技能考核试卷考件编号 : 13TS80470000-60706050440002 第1页共3页注意事项一、本试卷依据2001 年颁布的《维修电工》国家职业标准命制。二、请根据试题考核要求,完成考试内容。三、请服从考评人员指挥,保证考核安全顺利进行。试题 1、识读接触器联锁正反转控制电路原理图(1)本题分值: 50 分(2)考核时间: 30 min 。(3)具体考核要求:a) 按照规定根据原理图说明各元件符号名称;说明主回路工作原理;说明控制回路工作原理;根据用电设备的性质和容量,选择电器元件及导线规格。b) 必须穿戴劳动保护用品。c) 必备的工具、用具应准备齐全。d) 正确使用工具、用具。e) 符合安全文明生产。考生答题不准超过此线地区姓名单位名称准考证号职业技能鉴定国家题库试卷维修电工中级操作技能考核试卷考件编号 : 13TS80470000-60706050440002 第2页共3页序号元件符号元件名称1 QS 主令开关2 FU1 主回路熔断器3 KM1、KM2 接触器4 FR 热继电器5 FU2 操作回路熔断器6 SB1 停止按钮7 SB2 正传按钮8 SB3 反转按钮正反转控制电路工作原理一、正向启动:1、合上空气开关QS接通三相电源2、按下正向启动按钮SB2,KM1通电吸合并自锁,主触头闭合接通电动机,电动机这时的相序是 L1、L2、L3,即正向运行。二、反向启动:1、合上空气开关QS接通三相电源2、按下反向启动按钮SB3,KM2通电吸合并通过辅助触点自锁,常开主触头闭合换接了电动机三相的电源相序,这时电动机的相序是L3、 L2、L1,即反向运行。控制回路工作原理A、正转控制:按下 SB2 SB2 常开触头闭合KM1 线圈得电KM1 自锁触头闭合( 实现自锁 )电机 M 启动连续正转工作KM1 主触头闭合KM1 联锁触头断开(对KM2 实现联锁)B、反转控制:C、停止控制:按下 SB1,整个控制电路失电,接触器各触头复位,电机M 失电停转职业技能鉴定国家题库试卷维修电工中级操作技能考核试卷考件编号 : 13TS80470000-60706050440002 第3页共3页若电机为 30 kW三相异步电动机:电源总开关应选择 100 A;交流接触器应选择380V 60 A;控制电路按钮应选择 5 A;若电机为 30 kW三相异步电动机:主回路导线应选择截面 25 mm2 ;控制回路导线应选择截面 1.5 mm2 。试题 2、安装按钮联锁正反转控制电路(1)本题分值: 50 分(2)考核时间: 40 min 。(3)具体考核要求:a) 按照规定绘图。b) 必须穿戴劳动保护用品。c) 必备的工具、用具应准备齐全。d) 正确使用工具、用具。e) 符合安全文明生产。

1、当您付费下载文档后,您只拥有了使用权限,并不意味着购买了版权,文档只能用于自身使用,不得用于其他商业用途(如 [转卖]进行直接盈利或[编辑后售卖]进行间接盈利)。
2、本站所有内容均由合作方或网友上传,本站不对文档的完整性、权威性及其观点立场正确性做任何保证或承诺!文档内容仅供研究参考,付费前请自行鉴别。
3、如文档内容存在违规,或者侵犯商业秘密、侵犯著作权等,请点击“违规举报”。

碎片内容

维修电工中级操作技能考核试卷

确认删除?
VIP
微信客服
  • 扫码咨询
会员Q群
  • 会员专属群点击这里加入QQ群
客服邮箱
回到顶部