电脑桌面
添加小米粒文库到电脑桌面
安装后可以在桌面快捷访问

绿化工程质量竣工验收记录表格

绿化工程质量竣工验收记录表格_第1页
1/8
绿化工程质量竣工验收记录表格_第2页
2/8
绿化工程质量竣工验收记录表格_第3页
3/8
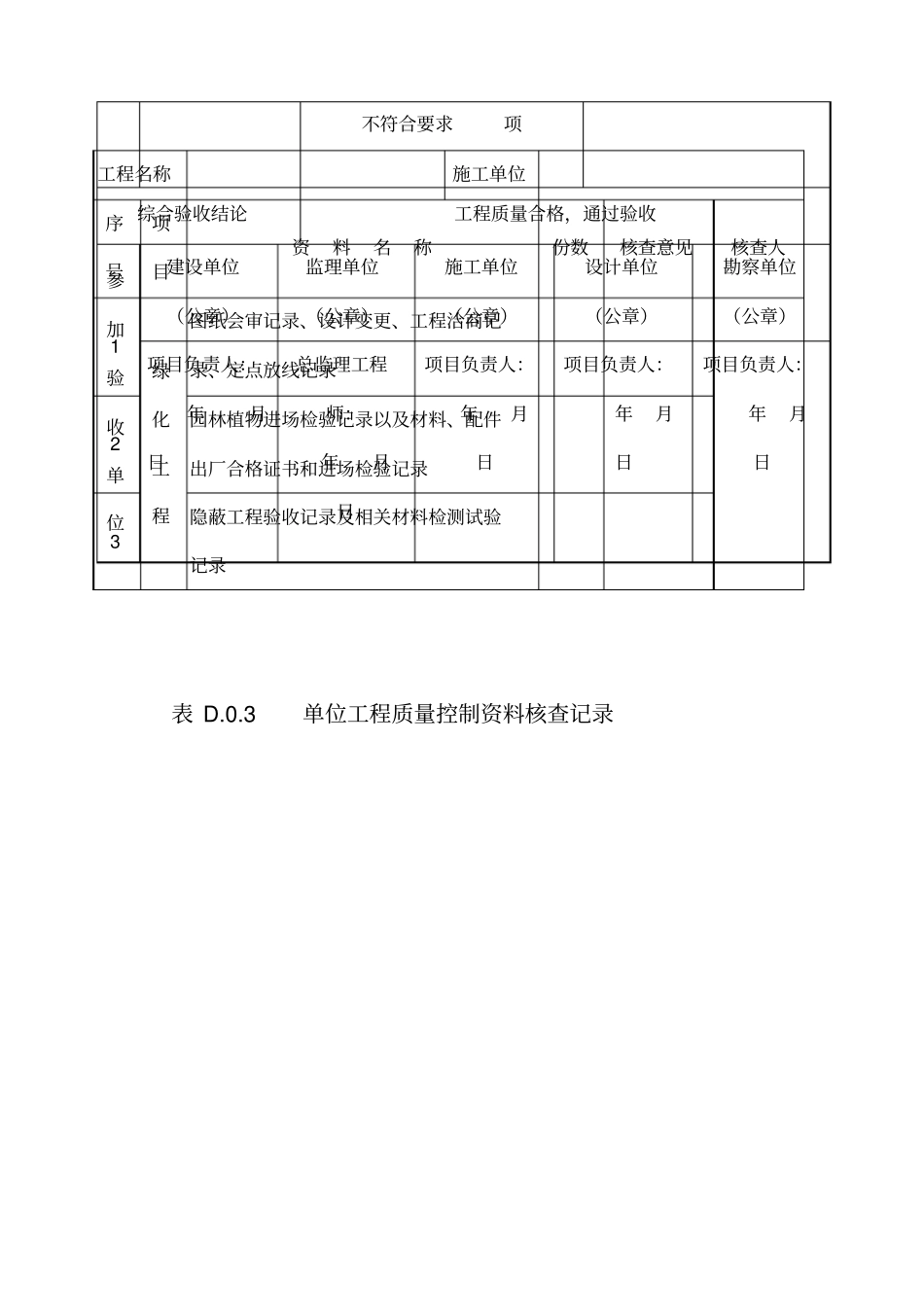
表 D.0.2单位(子单位)工程质量竣工验收记录工程名称施工单位技术负责人开工日期项目负责人项目技术负责人竣工日期序号项目验收纪录验收结论1 分部工程共分部,经查分部符合标准及设计要求分部所有分部工程质量验收合格2 质量控制资料核查共项,经审查符合要求项,经核定符合规范要求项质量控制资料全部符合相关规定3 安全和主要使用功能核查及抽查结果共核查项,符合要求项,共抽查项,符合要求项,经返工处理符合要求项核查及抽查项目全部符合规定4 观感质量验收共抽查项,符合要求项,不符合要求项好5 植物成活率共抽查项,符合要求项,表 D.0.3 单位工程质量控制资料核查记录不符合要求项综合验收结论工程质量合格,通过验收参加验收单位建设单位(公章)监理单位(公章)施工单位(公章)设计单位(公章)勘察单位(公章)项目负责人:年月日总监理工程师:年月日项目负责人:年月日项目负责人:年月日项目负责人:年月日工程名称施工单位序号项目资料名称份数核查意见核查人1 绿化工程图纸会审记录、设计变更、工程洽商记录、定点放线记录2 园林植物进场检验记录以及材料、配件出厂合格证书和进场检验记录3 隐蔽工程验收记录及相关材料检测试验记录表 D.0.4单位(子单位)工程安全功能和植物4 施工记录5 分项、分部工程质量验收记录1 园林附属工程图纸会审、设计变更、洽商记录2 工程定位测量、放线记录3 原材料出厂合格证书及进场检(试)验报告4 施工试验报告及见证检测报告5 隐蔽工程验收记录6 施工记录7 预制构件8 地基基础9 管道、设备强度试验、严密性试验记录10 系统清洗、灌水、通水试验记录11 分项、分部工程质量验收记录12 工程质量事故及事故调查处理资料13 新材料、新工艺施工记录结论:符合要求施工单位项目负责人;年月日结论:符合要求总监理工程师:(建设单位项目负责人)年月日成活要素检验资料核查及主要功能抽查记录工程名称施工单位序号安全和功能检查项目份数核查意见抽查结果核查(抽查)人1 有防水要求的(蓄)淋水试验记录1 符合要求符合要求2 山石牢固性检查记录3 喷泉水景效果检查记录4 排盐(渗水)管道通水试验记录1 符合要求符合要求5 土壤理化性质检测报告6 水理化性质检测报告1 符合要求符合要求7 种子发芽试验记录1 符合要求符合要求结论:符合要求施工单位总监理工程师项目负责人:年月日(建设单位项目负责人)年月日注:抽查项目由验收组协商确定。工程名称施工...

1、当您付费下载文档后,您只拥有了使用权限,并不意味着购买了版权,文档只能用于自身使用,不得用于其他商业用途(如 [转卖]进行直接盈利或[编辑后售卖]进行间接盈利)。
2、本站所有内容均由合作方或网友上传,本站不对文档的完整性、权威性及其观点立场正确性做任何保证或承诺!文档内容仅供研究参考,付费前请自行鉴别。
3、如文档内容存在违规,或者侵犯商业秘密、侵犯著作权等,请点击“违规举报”。

碎片内容

绿化工程质量竣工验收记录表格

文库当当响+ 关注
实名认证
内容提供者

该用户很懒,什么也没介绍

相关文档

确认删除?
VIP
微信客服
  • 扫码咨询
会员Q群
  • 会员专属群点击这里加入QQ群
客服邮箱
回到顶部