电脑桌面
添加小米粒文库到电脑桌面
安装后可以在桌面快捷访问

济钢热轧厂备件年度零库存协议招标公告VIP专享

济钢热轧厂备件年度零库存协议招标公告_第1页
1/15
济钢热轧厂备件年度零库存协议招标公告_第2页
2/15
济钢热轧厂备件年度零库存协议招标公告_第3页
3/15
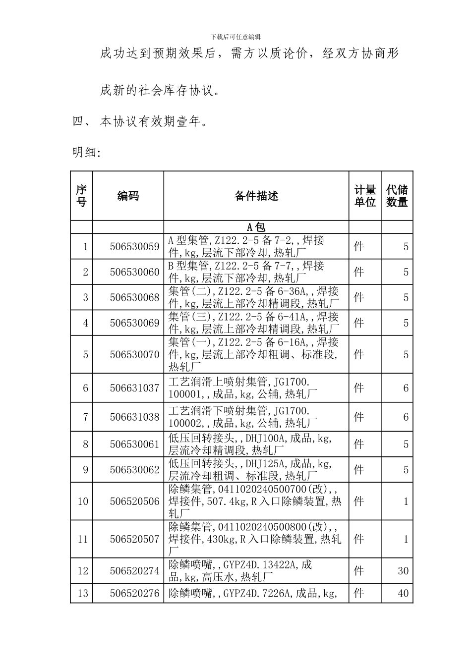
下载后可任意编辑 济钢热轧厂备件年度零库存协议招标公告一.招标编号: ZBCGBJ1006120二.项目名称: 热轧厂年度零库存协议三.招标内容:后附协议及明细四、资格要求1、依法成立,具有法人资格和一般纳税人资格;注册资金要求 600 万元以上。2、生产厂家和承揽单位须通过质量管理体系认证。特种行业必须取得国家相关部门颁发的许可证书。3、具有履行合同必需的设备、施工力量、专业技术;4、有同类修复的业绩 2 项(附合同复印件、用户评价等)以上;5、在经营活动中没有违法记录。6、被济钢开除或年度评审不合格的供方不能报名。五、资质预审材料资质和资信:营业执照副本、税务登记副本、质量体系认证、相应的生产许可证件等原件及复印件。业绩:与其他单位签订的合同(2 份以上)及相对应的用户评价材料的原件及复印件。请将以上材料交济钢装备部招标办进行资质预审。另外,复印件必须加盖单位公章。六、招标文件售价:200 元(RMB)七、公示日期:2010 年 6 月 24 日~2010 年 6 月 30 日 17:00。八、报名及购买招标文件1、报名日期:2010 年 6 月 29 日、30 日 8:00~17:00。2、购买招标文件时间:2010 年 7 月 6 日 8:00~17:003、报名及购买招标文件地点:济钢装备部招标办公室。4、报名及购买招标文件联系人:丁工 联系电话:0531- 88865255 传真:0531- 88865255九、开标1、开标时间:2010 年 7 月 9 日 8 时 30 分(北京时间)。2、开标地点:济钢装备部(山东省济南市工业北路 21 号)。十、交货日期或工期:见标书 济钢装备部 二〇一〇年六月二十四日零库存协议下载后可任意编辑为稳定供货渠道,降低库存资金占用,提高备件质量,本着互惠互利的原则,根据各自生产经营的需要,达成零库存协议如下。一、 供方根据需方提供的备件库存要求组织备件存放于供方专业仓库,该库存数量用于需方生产急需,不作为实际消耗计划,结算按供需双方签订的购销合同为准。协议有效期内只要有附表内所列备件计划,我们即可通知供方在 5~7 日内发货,并可签订合同、办理付款。以银行汇票或承兑汇票结算。二、 供方根据需方所提计划,严格按行业标准及图纸要求生产,确保备件质量、售后服务及时到位,备件在使用过程中出现质量问题,需方有权直接调换,并及时通知供方,质量问题经双方共同鉴定确认,分清责任后按合同有关条款处理。三、 需方对使用的产品技术性能要求进行改进时,原则上委...

1、当您付费下载文档后,您只拥有了使用权限,并不意味着购买了版权,文档只能用于自身使用,不得用于其他商业用途(如 [转卖]进行直接盈利或[编辑后售卖]进行间接盈利)。
2、本站所有内容均由合作方或网友上传,本站不对文档的完整性、权威性及其观点立场正确性做任何保证或承诺!文档内容仅供研究参考,付费前请自行鉴别。
3、如文档内容存在违规,或者侵犯商业秘密、侵犯著作权等,请点击“违规举报”。

碎片内容

济钢热轧厂备件年度零库存协议招标公告

确认删除?
VIP
微信客服
  • 扫码咨询
会员Q群
  • 会员专属群点击这里加入QQ群
客服邮箱
回到顶部