电脑桌面
添加小米粒文库到电脑桌面
安装后可以在桌面快捷访问

冶金建材轻工企业有限空间辨识管理台账2017-7-11VIP免费

冶金建材轻工企业有限空间辨识管理台账2017-7-11_第1页
1/10
冶金建材轻工企业有限空间辨识管理台账2017-7-11_第2页
2/10
冶金建材轻工企业有限空间辨识管理台账2017-7-11_第3页
3/10
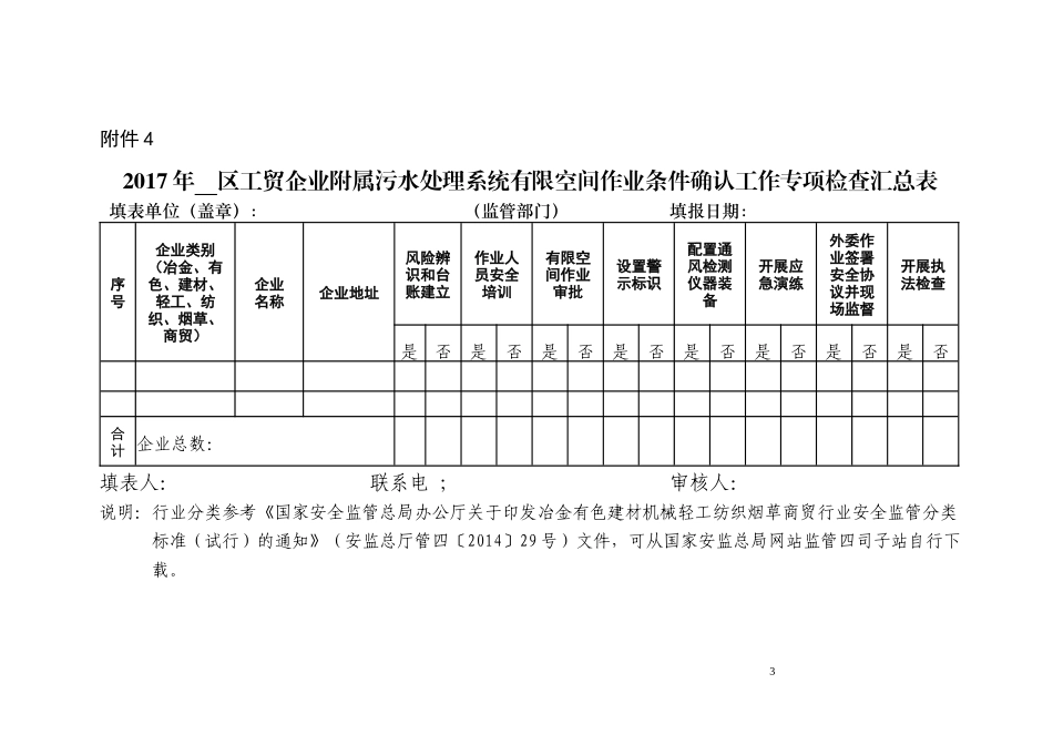
冶金建材轻工企业有限空间辨识管理台账(范本)单位名称:单位地址:建档时间:年月日序号存在区域有限空间名称或编号主要危害因素可能事故后果防护要求作业形式(自行作业/外包作业)审批责任人现场责任人填报人:联系电话:单位审核人:说明:行业分类参考《国家安全监管总局办公厅关于印发冶金有色建材机械轻工纺织烟草商贸行业安全监管分类标准(试行)的通》(安监总厅管四〔2014〕29号)文件,可从国家安监总局网站监管四司子站自行下载。企业所有存在有限空间作业的工作点,要逐一建立台帐。附件32017年区冶金建材轻工企业有限空间作业条件确认工作专项检查汇总表填表单位(盖章):序号企业类别(冶金、建材、轻工)企业名称企业地址风险辨识和台账建立作业人员安全培训有限空间作业审批设置警示标识配置通风检测仪器装备开展应急演练外委作业签署安全协议并现场监督开展执法检查是否是否是否是否是否是否是否是否合计企业总数:填表人:;联系电话:;审核人:填报日期:说明:行业分类参考《国家安全监管总局办公厅关于印发冶金有色建材机械轻工纺织烟草商贸行业安全监管分类标准(试行)的通知》(安监总厅管四〔2014〕29号)文件,可从国家安监总局网站监管四司子站自行下载。3附件42017年区工贸企业附属污水处理系统有限空间作业条件确认工作专项检查汇总表填表单位(盖章):(监管部门)填报日期:序号企业类别(冶金、有色、建材、轻工、纺织、烟草、商贸)企业名称企业地址风险辨识和台账建立作业人员安全培训有限空间作业审批设置警示标识配置通风检测仪器装备开展应急演练外委作业签署安全协议并现场监督开展执法检查是否是否是否是否是否是否是否是否合计企业总数:填表人:联系电;审核人:说明:行业分类参考《国家安全监管总局办公厅关于印发冶金有色建材机械轻工纺织烟草商贸行业安全监管分类标准(试行)的通知》(安监总厅管四〔2014〕29号)文件,可从国家安监总局网站监管四司子站自行下载。34附件5区(冶金、建材、轻工)企业有限空间作业单位基本情况统计表填报单位:(盖章)填报日期:年月日基本情况企业名称生产经营单位地址企业所属行业(冶金、建材、轻工)主要负责人(电话)有限空间辨识数量类型分布:地上个、地下个、密闭设备个分布场所危险有害因素教育培训企业组织培训时间及人数参加主管部门培训时间及人数有限空间作业管理建立安全责任制有□无□开展隐患排查有□无□落实作业审批制度有□无□建立作业台账有□无□制定安全操作规程有□无□组织现场监管监护有□无□建立作业制度有□无□检测检验手段有□无□防护装备有□无□警示标志有□无□应急救援应急预案有□无□应急设备有□无□应急演练有□无□应急队伍有□无□隐患整改情况存在隐患整改情况本年度有限空间事故情况54说明:1.企业类型包括:冶金、有色、建材、机械、轻工、纺织、烟草、商贸企业。2.危险有害因素主要包括:窒息、中毒、火灾、爆炸等。56附件6工贸企业有限空间参考目录序号行业涉及的有限空间一冶金1.工艺炉窑:均热炉、热风炉、高炉、转炉、电炉、精炼炉、加热炉、退火炉、常化炉、罩式炉、沸腾炉、干燥机、回转窑等;2.槽罐:燃料罐、氮气球罐、重油罐、汽油罐、碱水罐、鱼雷罐、铁水罐、钢水罐、中间罐、渣罐等;3.煤气相关设备设施:发生炉、管道、煤气柜、排水器房、风机房、煤气排送机间、阀门室等;4.地坑:精炼炉地坑、铸造坑、泵坑等;5.公辅设备设施:锅炉、锅炉过热器;空分塔、水冷塔;使用六氟化硫的高压电控室;电缆坑(井)、地下液压室、地下油库、焦炉地下室;污水处理池(井)、密闭循环水池、地下排污隧道;给排水等管道;磨机、一二次混合机、环冷风箱;脱硫塔、脱硫浆液箱、脱硫流化底仓、料仓、料斗、除尘器、烟道等。二有色1.工艺炉窑:铸造炉、保持炉、煅烧炉、铝台包、回转窑、石灰炉、熔盐炉、余热锅炉等;2.槽罐:压缩空气储罐、真空罐、酸减罐、分解罐、沉降罐、母液罐、稀释罐、精制液体罐、煤气站电捕集罐、车76载储槽、电解槽等;原燃料储罐、原料仓;3.公辅设备设施:锅炉、除尘器、烟道;蒸汽缓冲器、压煮器、蒸发器、淋洗塔、...

1、当您付费下载文档后,您只拥有了使用权限,并不意味着购买了版权,文档只能用于自身使用,不得用于其他商业用途(如 [转卖]进行直接盈利或[编辑后售卖]进行间接盈利)。
2、本站所有内容均由合作方或网友上传,本站不对文档的完整性、权威性及其观点立场正确性做任何保证或承诺!文档内容仅供研究参考,付费前请自行鉴别。
3、如文档内容存在违规,或者侵犯商业秘密、侵犯著作权等,请点击“违规举报”。

碎片内容

冶金建材轻工企业有限空间辨识管理台账2017-7-11

文章天下+ 关注
实名认证
内容提供者

各种文档应有尽有

确认删除?
VIP
微信客服
  • 扫码咨询
会员Q群
  • 会员专属群点击这里加入QQ群
客服邮箱
回到顶部