电脑桌面
添加小米粒文库到电脑桌面
安装后可以在桌面快捷访问

职业技能鉴定电焊工考核大纲

职业技能鉴定电焊工考核大纲_第1页
1/17
职业技能鉴定电焊工考核大纲_第2页
2/17
职业技能鉴定电焊工考核大纲_第3页
3/17
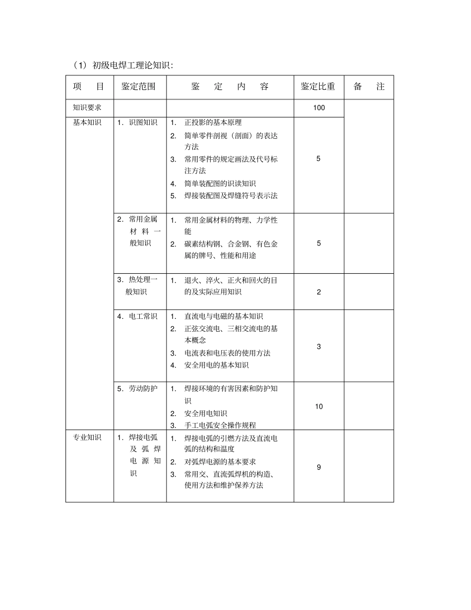
深圳市职业技能鉴定《电焊工》考核大纲一、 职业概况1、职业名称电焊工。2、职业定义操作焊接和气割设备,进行金属工件的焊接或切割成型的人员。3、职业等级初级、中级、高级、技师、高级技师。4、基本文化程度:初中以上。5、培训期限要求晋级培训:初级不少于280 标准学时;中级不少于320 标准学时;高级不少于 240 标准学时;技师不少于一八0 标准学时;高级技师不少于200 标准学时二、 报考条件:1、具备下列条件之一的,可申请报考初级工:(1)在同一职业(工种)连续工作二年以上或累计工作四年以上的;(2)经过初级工培训结业。(3)学徒期满。2、具备下列条件之一的,可申请报考中级工:(1)取得所申报职业(工种)的初级工等级证书满三年;(2)取得所申报职业(工种)的初级工等级证书并经过中级工培训结业;(3)高等院校、中等专业学校毕业并从事与所学专业相应的职业(工种)工作。3、具备下列条件之一的,可申请报考高级工:(1)取得所申报职业(工种)的中级工等级证书满四年;(2)取得所申报职业(工种)的中级工等级证书并经过高级工培训结业;(3)高等院校毕业并取得所申报职业(工种)的中级工等级证书。4、具备下列条件之一者可报考技师:(1)取得本职业高级职业资格证书后,经本职业技师培训达规定标准学时数,并取得结业证书。(2)取得本职业高级职业资格证书后,连续从事本职业工作5 年以上。(3)国家级一类技能竞赛前十名、二类技能竞赛前六名获奖者,省级技能竞赛前六名获奖者,深圳市市级技能竞赛前三名获奖者;(4)获省级、深圳市市级技术革新三等奖及以上者。5、具备下列条件之一者可报考高级技师:(1)取得本职业技师职业资格证书后,经本职业高级技师培训达规定标准学时数,并取得毕(结)业证书。(2)取得本职业技师职业资格证书后,连续从事本职业工作5 年以上。三、鉴定方式、鉴定时间理论知识考试60— 120 分钟(等级不同时间不同);技能操作考试90—一八 0分钟(项目不同时间不同);综合评审20— 40 分钟。四:考评人员与考生配比:理论考试 1 :20 且不少于 3 人;技能操作考试1 :5 且不少于 3 人;综合评审 1 :10 且不少于 5 人。五、 高技能要求(一)、对技师的要求:1、熟知焊接安全生产管理知识,具备安全生产管理能力;2、 能看懂一般的焊接结构装配图并指导焊接施工生产;3、能进行焊接设备的简单故障分析和维修;4、能够进行“新技术、新设备、新材料...

1、当您付费下载文档后,您只拥有了使用权限,并不意味着购买了版权,文档只能用于自身使用,不得用于其他商业用途(如 [转卖]进行直接盈利或[编辑后售卖]进行间接盈利)。
2、本站所有内容均由合作方或网友上传,本站不对文档的完整性、权威性及其观点立场正确性做任何保证或承诺!文档内容仅供研究参考,付费前请自行鉴别。
3、如文档内容存在违规,或者侵犯商业秘密、侵犯著作权等,请点击“违规举报”。

碎片内容

职业技能鉴定电焊工考核大纲

您可能关注的文档

确认删除?
VIP
微信客服
  • 扫码咨询
会员Q群
  • 会员专属群点击这里加入QQ群
客服邮箱
回到顶部