电脑桌面
添加小米粒文库到电脑桌面
安装后可以在桌面快捷访问

职业病危害告知书模板

职业病危害告知书模板_第1页
1/4
职业病危害告知书模板_第2页
2/4
职业病危害告知书模板_第3页
3/4
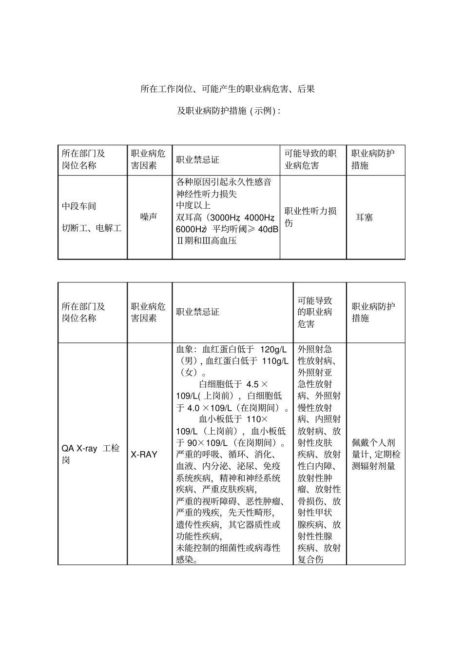
职业病危害告知书 ( 范本) 根据《职业病防治法》第三十四条的规定,企业(甲方)在与劳动者(乙方)订立劳动合同时应告知工作过程中可能产生的职业病危害及其后果、职业病防护措施和待遇等内容:(一)所在工作岗位、可能产生的职业病危害、后果及职业病防护措施( 示例附后) :所在部门及岗位名称职业病危害因素职业禁忌证可能导致的职业病危害职业病防护措施(二)甲方应依照《职业病防治法》及《职业健康监护技术规范》(GBZ188)的要求,做好乙方上岗前、在岗期间、离岗时的职业健康检查和应急检查。一旦发生职业病,甲方必须按照国家有关法律、法规的要求,为乙方如实提供职业病诊断、鉴定所需的劳动者职业史和职业病危害接触史、工作场所职业病危害因素检测结果等资料及相应待遇。(三)乙方应自觉遵守甲方的职业卫生管理制度和操作规程,正确使用维护职业病防护设施和个人职业病防护用品,积极参加职业卫生知识培训,按要求参加上岗前、在岗期间和离岗时的职业健康检查。若被检查出职业禁忌证或发现与所从事的职业相关的健康损害的,必须服从甲方为保护乙方职业健康而调离原岗位并妥善安置的工作安排。(四)当乙方工作岗位或者工作内容发生变更, 从事告知书中未告知的存在职业病危害的作业时,甲方应与其协商变更告知书相关内容,重新签订职业病危害告知书。(五)甲方未履行职业病危害告知义务, 乙方有权拒绝从事存在职业病危害的作业,甲方不得因此解除与乙方所订立的劳动合同。(六)职业病危害告知书作为甲方与乙方签订劳动合同的附件,具有同等的法律效力。甲方(签章)乙方(签字)年月日年月日所在工作岗位、可能产生的职业病危害、后果及职业病防护措施 ( 示例) :所在部门及岗位名称职业病危害因素职业禁忌证可能导致的职业病危害职业病防护措施中段车间切断工、电解工噪声各种原因引起永久性感音神经性听力损失中度以上双耳高(3000Hz,4000Hz,6000Hz)平均听阈≥ 40dB Ⅱ期和Ⅲ高血压职业性听力损伤耳塞所在部门及岗位名称职业病危害因素职业禁忌证可能导致的职业病危害职业病防护措施QA X-ray 工检岗X-RAY 血象:血红蛋白低于 120g/L(男),血红蛋白低于 110g/L(女)。白细胞低于 4.5 ×109/L( 上岗前),白细胞低于 4.0 ×109/L(在岗期间)。血小板低于 110×109/L(上岗前),血小板低于 90×109/L(在岗期间)。严重的呼吸、循环、消化、血液、内分泌、泌尿、免疫系统疾病,精神和神经系统疾...

1、当您付费下载文档后,您只拥有了使用权限,并不意味着购买了版权,文档只能用于自身使用,不得用于其他商业用途(如 [转卖]进行直接盈利或[编辑后售卖]进行间接盈利)。
2、本站所有内容均由合作方或网友上传,本站不对文档的完整性、权威性及其观点立场正确性做任何保证或承诺!文档内容仅供研究参考,付费前请自行鉴别。
3、如文档内容存在违规,或者侵犯商业秘密、侵犯著作权等,请点击“违规举报”。

碎片内容

职业病危害告知书模板

您可能关注的文档

确认删除?
VIP
微信客服
  • 扫码咨询
会员Q群
  • 会员专属群点击这里加入QQ群
客服邮箱
回到顶部