电脑桌面
添加小米粒文库到电脑桌面
安装后可以在桌面快捷访问

建筑制图与识图A卷及答案

建筑制图与识图A卷及答案_第1页
1/6
建筑制图与识图A卷及答案_第2页
2/6
建筑制图与识图A卷及答案_第3页
3/6
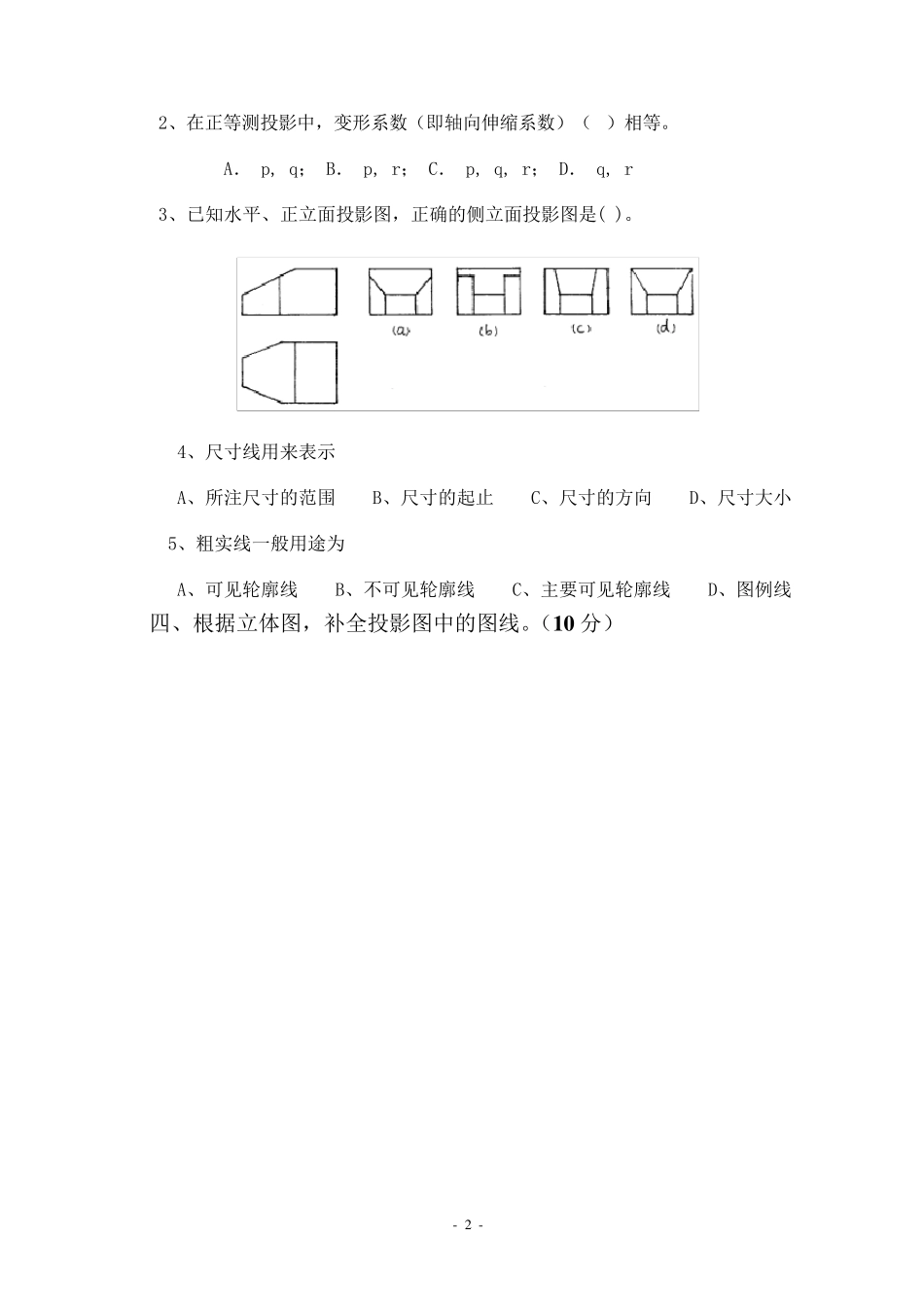
- 1 - 建筑工程制图与识图 A (120 分钟) 题号 一 二 三 四 五 六 七 总分 阅卷人 得分 一、 填空(2×5=10) 1、图样中的汉字应写成 。 2、在结构施工图中,除标高外,其余尺寸单位以______计。 3、若两平面在某投影面的投影均积聚成直线,且互相平行,则两平面_____。 4、两正垂面的交线必为______ 线。 5、当采用 1:1000 的比例绘图时,比例尺上的1mm 代表实际长度为______ 。 二、判断题(1×10=10) 1、点的水平投影和侧面投影的连线垂直 OX 轴。 ( ) 2、水平投影反映实长的直线,一定是水平线。 ( ) 3、虚线与其它图线相交应交于线段处。 ( ) 4、投影面垂直线在所垂直的投影面上的投影必积聚成为一个点。 ( ) 5、垂直 H 面的平面,皆称为铅垂面。 ( ) 6、投影面平行面,其三投影必有一面反映平面实形,另两投影积聚为两直线。 ( ) 7、图纸的幅面是指图纸的大小,常用的有A0~A4 五种基本规格。 ( ) 8、绕正垂线旋转,可将一条正平线变成铅垂线或侧垂线。 ( ) 9、尺寸线用来表示所标注尺寸的范围。 ( ) 10、 在剖面图中,为了使图形清晰,不能画任何虚线表示不可见部分。( ) 三、选择题(在每小题的四个备选答案中选出 一个正确 的答案,并 将正确 答案的序 号填入 题后 的括 号内 。每小题 2 分,共 10 分) 1、已 知 在 H 投影中反映两相交直线夹 角 的真 实大小,则两直线( ) A. 其中之 一平等 于 H 投影面; B. 其中之 一平行于 V 投影面 C. 两条直线均平行于 H 投影面; D. 两条直线均平行于 V 投影面 - 2 - 2、在正等测投影中,变形系数(即轴向伸缩系数)( )相等。 A. p, q; B. p, r; C. p, q, r; D. q, r 3、已知水平、正立面投影图,正确的侧立面投影图是( )。 4、尺寸线用来表示 A、所注尺寸的范围 B、尺寸的起止 C、尺寸的方向 D、尺寸大小 5、粗实线一般用途为 A、可见轮廓线 B、不可见轮廓线 C、主要可见轮廓线 D、图例线 四、根据立体图,补全投影图中的图线。(1 0 分) - 3 - 五、根据形体的两面投影,做出第三面投影图。(2 0 分) 1 2 六、根据形体的平面、正立面投影图作斜二轴测图。(1 5 分) - 4 - 七、作正等测图。(15 分) - 5 - 答 案 一、填空题 1、长仿宋体 2、mm 3、平行 4、正平 5、1m 二、判断题 1、× 2、√ 3、√ 4、√ 5、× 6、√ 7、√ 8、√ 9、× 10、× 三、选择题 1、A 2、C 3、A 4、C 5、C 四、 五、 六、 - 6 - 七、

1、当您付费下载文档后,您只拥有了使用权限,并不意味着购买了版权,文档只能用于自身使用,不得用于其他商业用途(如 [转卖]进行直接盈利或[编辑后售卖]进行间接盈利)。
2、本站所有内容均由合作方或网友上传,本站不对文档的完整性、权威性及其观点立场正确性做任何保证或承诺!文档内容仅供研究参考,付费前请自行鉴别。
3、如文档内容存在违规,或者侵犯商业秘密、侵犯著作权等,请点击“违规举报”。

碎片内容

建筑制图与识图A卷及答案

确认删除?
VIP
微信客服
  • 扫码咨询
会员Q群
  • 会员专属群点击这里加入QQ群
客服邮箱
回到顶部