电脑桌面
添加小米粒文库到电脑桌面
安装后可以在桌面快捷访问

建筑制图基础知识

建筑制图基础知识_第1页
1/9
建筑制图基础知识_第2页
2/9
建筑制图基础知识_第3页
3/9
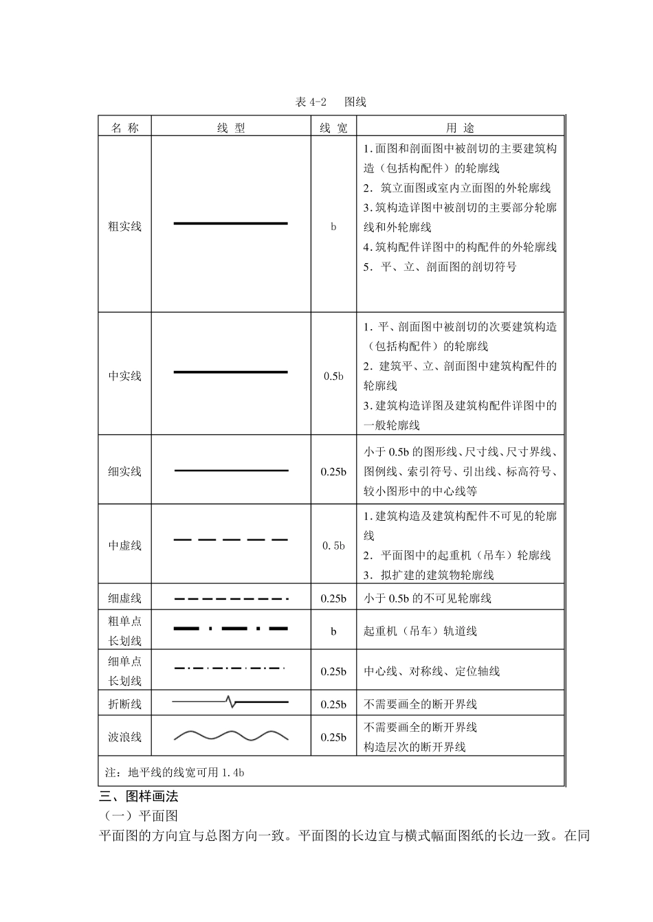
a b 会签栏 4.建筑制图基础知识 一、图纸幅面规格 图纸幅面及图框尺寸,应符合表4-1 的规定。一般A0~A3 图纸宜横式使用,必要时也可立式使用,其布置形式见图4-1。 表4-1 幅面及图框尺寸(mm) 截面代号 尺寸代号 A0 A1 A2 A3 A4 b×l 841×1189 594×841 420×594 297×420 210×297 c 10 5 a 25 图4-1 A0~A3 横式幅面 A0~A3 立式幅面 二、图线 图线的宽度 b,应根据图样的复杂程度和比例选用(图4-2),并且符合表4-2 的规定。 图4-2 (a)平面图图线宽度选用示例 (b)墙身剖面图图线宽度选用示例 l 对中标志 幅面线 装订边 对中标志 对中标志 c 标题栏 2 4 0 对中标志 c c c l c a c 标题栏 2 0 0 b 装订边 表4-2 图线 名 称 线 型 线 宽 用 途 粗实线 b 1 .面图和剖面图中被剖切的主要建筑构造(包括构配件)的轮廓线 2 .筑立面图或室内立面图的外轮廓线 3 .筑构造详图中被剖切的主要部分轮廓线和外轮廓线 4 .筑构配件详图中的构配件的外轮廓线 5 .平、立、剖面图的剖切符号 中实线 0.5 b 1 .平、剖面图中被剖切的次要建筑构造(包括构配件)的轮廓线 2 .建筑平、立、剖面图中建筑构配件的轮廓线 3 .建筑构造详图及建筑构配件详图中的一般轮廓线 细实线 0 .2 5 b 小于 0 .5 b 的图形线、尺寸线、尺寸界线、图例线、索引符号、引出线、标高符号、较小图形中的中心线等 中虚线 0.5b 1 .建筑构造及建筑构配件不可见的轮廓线 2 .平面图中的起重机(吊车)轮廓线 3 .拟扩建的建筑物轮廓线 细虚线 0 .2 5 b 小于 0 .5 b 的不可见轮廓线 粗单点长划线 b 起重机(吊车)轨道线 细单点 长划线 0 .2 5 b 中心线、对称线、定位轴线 折断线 0 .2 5 b 不需要画全的断开界线 波浪线 0 .2 5 b 不需要画全的断开界线 构造层次的断开界线 注:地平线的线宽可用1.4b 三、图样画法 (一)平面图 平面图的方向宜与总图方向一致。平面图的长边宜与横式幅面图纸的长边一致。在同一张图纸上绘制多于一层的平面图时,各层平面图宜按层数由低向高的顺序从左至右或从下至上布置。 平面图应在建筑物的门窗洞口处水平剖切俯视(屋顶平面图应在屋面以上俯视),图内应包括剖切面及投影方向可见的建筑构造以及必要的尺寸、标高等,如需表示高窗、洞口、通气孔、槽、地沟及起重机等不可见部分,则应以...

1、当您付费下载文档后,您只拥有了使用权限,并不意味着购买了版权,文档只能用于自身使用,不得用于其他商业用途(如 [转卖]进行直接盈利或[编辑后售卖]进行间接盈利)。
2、本站所有内容均由合作方或网友上传,本站不对文档的完整性、权威性及其观点立场正确性做任何保证或承诺!文档内容仅供研究参考,付费前请自行鉴别。
3、如文档内容存在违规,或者侵犯商业秘密、侵犯著作权等,请点击“违规举报”。

碎片内容

建筑制图基础知识

确认删除?
VIP
微信客服
  • 扫码咨询
会员Q群
  • 会员专属群点击这里加入QQ群
客服邮箱
回到顶部