电脑桌面
添加小米粒文库到电脑桌面
安装后可以在桌面快捷访问

建筑制图复习题

建筑制图复习题_第1页
1/7
建筑制图复习题_第2页
2/7
建筑制图复习题_第3页
3/7
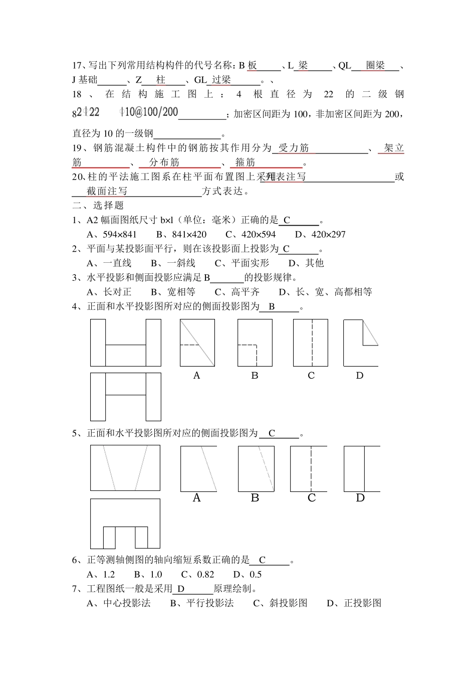
Label1《建筑制图与识图》复习题 一、填空题 1、详图编号为 2,详图引用标准图册,所引用的标准图册编号为 J103,所在图纸编号为 3,则索引符号表示为 。 2、剖切位置符号长度为 6-10 m m ,剖切投射方向符号长度为 4-6 m m 。 3、房屋施工图由于专业分工的不同,分为 建筑施工图 、 结构施工图 、 设备施工图 。 4、在建筑施工平面图中,横向定位轴线应用于建筑物 开间 ,轴线编号用 大写阿拉伯数字 从左到右依次编写;纵向定位轴线应用于建筑物 进深 ,轴线编号用 大写英文字母 从下至上顺序Label2编写。 5、房屋结构施工图一般包括 平面图 、 结构施工图 、 基础图 。 6、国标规定建筑平面图中剖到的墙柱断面轮廓用 粗实线 ;看到的构配件用 细实线 ;被挡住的构配件轮廓用 虚线 。 7、写出下列常用构件的代号名称:M 门 、C 窗 、MC 门连窗 、J 基础 、Z 柱 、GL 过梁 。 8、在物体三个投影图之间存在的关系: 长对正 、 宽相等 、 高齐平 。 9、二级钢和三级钢符号分别为 和 。 10、在平面布置图上表示各构件尺寸和配筋的方式,分 平面注写 、 列表注写 、 截面注写 方式共三种。一、填空题 11、E 号轴线之后附加的第 2 根轴线如何表示 。 12、指北针所绘圆的直径为 24 m m ,指北针尾部宽度为 3 m m 。 13、房屋施工图由于专业分工的不同,分为 建筑施工图 、 结构施工图 、 设备施工图 方式共三种。 14、一套建筑施工图一般包括建筑 总平面图 、 平面图 、 立面图,剖面图 、 详图 。 15、建筑平面图中外部的三道尺寸,由外向内依次是 总尺寸 、 轴线尺寸 、细部尺寸 16、房屋结构施工图的图样一般包括 结构平面图 和 构件详图两种。 17、写出下列常用结构构件的代号名称:B 板 、L 梁 、QL 圈梁 、J 基础 、Z 柱 、GL 过梁 。、 18 、 在 结 构 施 工 图 上 : 4根 直 径 为22的 二 级 钢 8 ;加密区间距为 100,非加密区间距为 200,直径为 10 的一级钢 。 19、钢筋混凝土构件中的钢筋按其作用分为 受力筋 、 架立筋 、 分布筋 、 箍筋 。 20、柱的平法施工图系在柱平面布置图上采用 列表注写 或 截面注写 方式表达。 二、选择题 1、A2 幅面图纸尺寸 b× l(单位:毫米)正确的是 C 。 A、594× 841 B、841× 420 C、420× 594 D、420× 297 2...

1、当您付费下载文档后,您只拥有了使用权限,并不意味着购买了版权,文档只能用于自身使用,不得用于其他商业用途(如 [转卖]进行直接盈利或[编辑后售卖]进行间接盈利)。
2、本站所有内容均由合作方或网友上传,本站不对文档的完整性、权威性及其观点立场正确性做任何保证或承诺!文档内容仅供研究参考,付费前请自行鉴别。
3、如文档内容存在违规,或者侵犯商业秘密、侵犯著作权等,请点击“违规举报”。

碎片内容

建筑制图复习题

确认删除?
VIP
微信客服
  • 扫码咨询
会员Q群
  • 会员专属群点击这里加入QQ群
客服邮箱
回到顶部