电脑桌面
添加小米粒文库到电脑桌面
安装后可以在桌面快捷访问

建筑制图常用构件代号

建筑制图常用构件代号_第1页
1/6
建筑制图常用构件代号_第2页
2/6
建筑制图常用构件代号_第3页
3/6
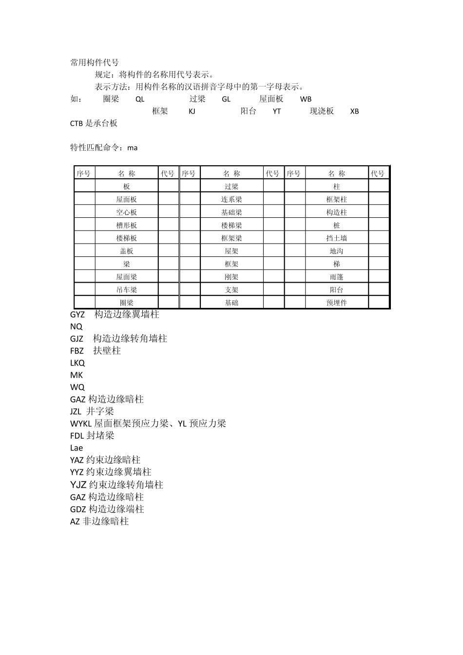
常用构件代号 规定:将构件的名称用代号表示。 表示方法:用构件名称的汉语拼音字母中的第一字母表示。 如: 圈梁 QL 过梁 GL 屋面板 WB 框架 KJ 阳台 YT 现浇板 XB CTB 是承台板 特性匹配命令:m a 序号 名 称 代号 序号 名 称 代号 序号 名 称 代号 1 板 B 11 过梁 GL 21 柱 Z 2 屋面板 WB 12 连系梁 LL 22 框架柱 KZ 3 空心板 KB 13 基础梁 JL 23 构造柱 GZ 4 槽形板 CB 14 楼梯梁 TL 24 桩 ZH 5 楼梯板 TB 15 框架梁 KL 25 挡土墙 DQ 6 盖板 GB 16 屋架 WJ 26 地沟 DG 7 梁 L 17 框架 KJ 27 梯 T 8 屋面梁 WL 18 刚架 GJ 28 雨篷 YP 9 吊车梁 DL 19 支架 ZJ 29 阳台 YT 10 圈梁 QL 20 基础 J 30 预埋件 M GYZ 构造边缘翼墙柱 NQ GJZ 构造边缘转角墙柱 FBZ 扶壁柱 LKQ MK WQ GAZ 构造边缘暗柱 JZL 井字梁 WYKL 屋面框架预应力梁、YL 预应力梁 FDL 封堵梁 Lae YAZ 约束边缘暗柱 YYZ 约束边缘翼墙柱 YJZ 约束边缘转角墙柱 GAZ 构造边缘暗柱 GDZ 构造边缘端柱 AZ 非边缘暗柱 梁的尺寸标高是不是和板的标高一致的 一、箍筋表示方法: ⑴ φ10@100/200(2) 表示箍筋为 φ10 ,加密区间距 1 0 0 ,非加密区间距2 0 0 ,全为双肢箍。 ⑵ φ10@100/200(4) 表示箍筋为 φ10 ,加密区间距 1 0 0 ,非加密区间距2 0 0 ,全为四肢箍。 ⑶ φ8@200(2) 表示箍筋为 φ8,间距为 2 0 0 ,双肢箍。 ⑷ φ8@100(4)/150(2) 表示箍筋为 φ8,加密区间距 1 0 0 ,四肢箍,非加密区间距 1 5 0 ,双肢箍。 一、 梁上主筋和梁下主筋同时表示方法 : ⑴ 3Φ22,3Φ20 表示上部钢筋为 3Φ22, 下部钢筋为 3Φ20。 ⑵ 2φ12,3Φ18 表示上部钢筋为 2φ12, 下部钢筋为 3Φ18。 ⑶ 4Φ25,4Φ25 表示上部钢筋为 4Φ25, 下部钢筋为 4Φ25。 ⑷ 3Φ25,5Φ25 表示上部钢筋为 3Φ25, 下部钢筋为 5Φ25。 二、 梁上部钢筋表示方法:(标在梁上支座处) ⑴ 2Φ20 表示两根 Φ20 的钢筋,通长布置,用于双肢箍。 ⑵ 2Φ22+(4Φ12) 表示 2Φ22 为通长,4φ12 架立筋,用于六肢箍。 ⑶ 6Φ25 4/2 表示上部钢筋上排为 4Φ25,下排为 2Φ25。 ⑷ 2Φ22+ 2Φ22 表示只有一排钢筋,两根在角部,两根在中部,均匀布置。 ...

1、当您付费下载文档后,您只拥有了使用权限,并不意味着购买了版权,文档只能用于自身使用,不得用于其他商业用途(如 [转卖]进行直接盈利或[编辑后售卖]进行间接盈利)。
2、本站所有内容均由合作方或网友上传,本站不对文档的完整性、权威性及其观点立场正确性做任何保证或承诺!文档内容仅供研究参考,付费前请自行鉴别。
3、如文档内容存在违规,或者侵犯商业秘密、侵犯著作权等,请点击“违规举报”。

碎片内容

建筑制图常用构件代号

确认删除?
VIP
微信客服
  • 扫码咨询
会员Q群
  • 会员专属群点击这里加入QQ群
客服邮箱
回到顶部