电脑桌面
添加小米粒文库到电脑桌面
安装后可以在桌面快捷访问

建筑工程图纸制图要求

建筑工程图纸制图要求_第1页
1/6
建筑工程图纸制图要求_第2页
2/6
建筑工程图纸制图要求_第3页
3/6
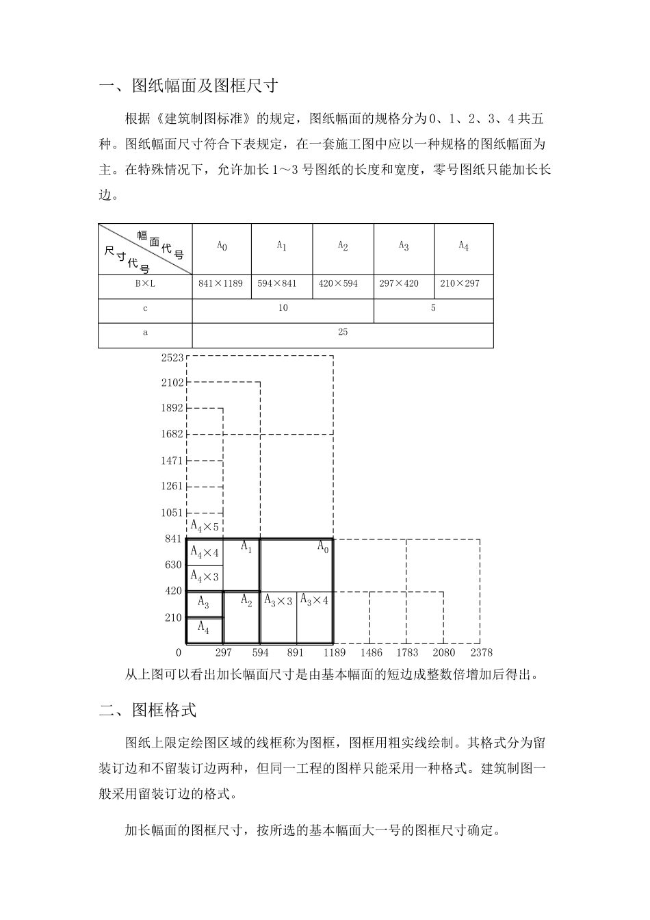
一、图纸幅面及图框尺寸 根据《建筑制图标准》的规定,图纸幅面的规格分为0、1、2、3、4 共五种。图纸幅面尺寸符合下表规定,在一套施工图中应以一种规格的图纸幅面为主。在特殊情况下,允许加长1~3 号图纸的长度和宽度,零号图纸只能加长长边。 A0 A1 A2 A3 A4 B×L 841×1189 594×841 420×594 297×420 210×297 c 10 5 a 25 0297594891118914861783208023782104206308411051126114711682189221022523A4A3A4×3A4×4A4×5A2A1A0A3×3 A3×4 从上图可以看出加长幅面尺寸是由基本幅面的短边成整数倍增加后得出。 二、图框格式 图纸上限定绘图区域的线框称为图框,图框用粗实线绘制。其格式分为留装订边和不留装订边两种,但同一工程的图样只能采用一种格式。建筑制图一般采用留装订边的格式。 加长幅面的图框尺寸,按所选的基本幅面大一号的图框尺寸确定。 幅 面 代 号 尺 寸 代 号 图纸幅面分为横式和立式两种,其中以短边作为垂直边的称为横式(即X型幅面),以短边作为水平边的称为立式(即Y 型幅面)。一般 A0~A3 图纸宜使用横式;必要时,也可使用立式。其幅面装订格式见下图。 cccaBL幅面线图框线会签栏装订边标题栏角标会签栏 A0~A3 横式幅面图 (注:标虚线的会签栏和角标用于道路工程制图) 标题栏会签栏装订边图框线幅面线cccaLB A4 立式幅面图 BLcc幅面线图框线装订边标题栏会签栏ca A0~A3 立式幅面图 标题栏装订边图框线幅面线LBccac会签栏 A4 横式幅面图 三、标题栏与会签栏 图号比例日期职责签字图框线12201220162077777职责签字职责签字比例日期图号单位名工程名图名图框线66661015201520101010101020 标题栏(mm) (专业)(实名)(签名)(日期)25252525555520100152015666签字专业日期50m×50图框线 会签栏(mm) 路线名称或桩号总 张第 张6650图框线 角标(mm) 四、图纸比例 ①建筑制图常用比例 常用比例 1:1、1:2、1:5、1:10、1:20、1:50、1:100、1:150、1:200、1:500、1:1000、1:2000、1:5000、1:10000、1:20000、1:50000、1:100000、1:200000 可用比例 1:3、1:4、1:6、1:15、1:25、1:30、1:40、1:60、1:80、1:250、1:300、1:400、1:600 ②各平面图制图比例 图 名 常 用 比 例 总平面图、土方图、排水图 1:500、1:1000、1:2000 总平面专业断面图 1:100、1:200、1:1000、1:2000 平面图、剖面...

1、当您付费下载文档后,您只拥有了使用权限,并不意味着购买了版权,文档只能用于自身使用,不得用于其他商业用途(如 [转卖]进行直接盈利或[编辑后售卖]进行间接盈利)。
2、本站所有内容均由合作方或网友上传,本站不对文档的完整性、权威性及其观点立场正确性做任何保证或承诺!文档内容仅供研究参考,付费前请自行鉴别。
3、如文档内容存在违规,或者侵犯商业秘密、侵犯著作权等,请点击“违规举报”。

碎片内容

建筑工程图纸制图要求

确认删除?
VIP
微信客服
  • 扫码咨询
会员Q群
  • 会员专属群点击这里加入QQ群
客服邮箱
回到顶部