电脑桌面
添加小米粒文库到电脑桌面
安装后可以在桌面快捷访问

建筑工程安全生产检查表(十项内容)

建筑工程安全生产检查表(十项内容)_第1页
1/8
建筑工程安全生产检查表(十项内容)_第2页
2/8
建筑工程安全生产检查表(十项内容)_第3页
3/8
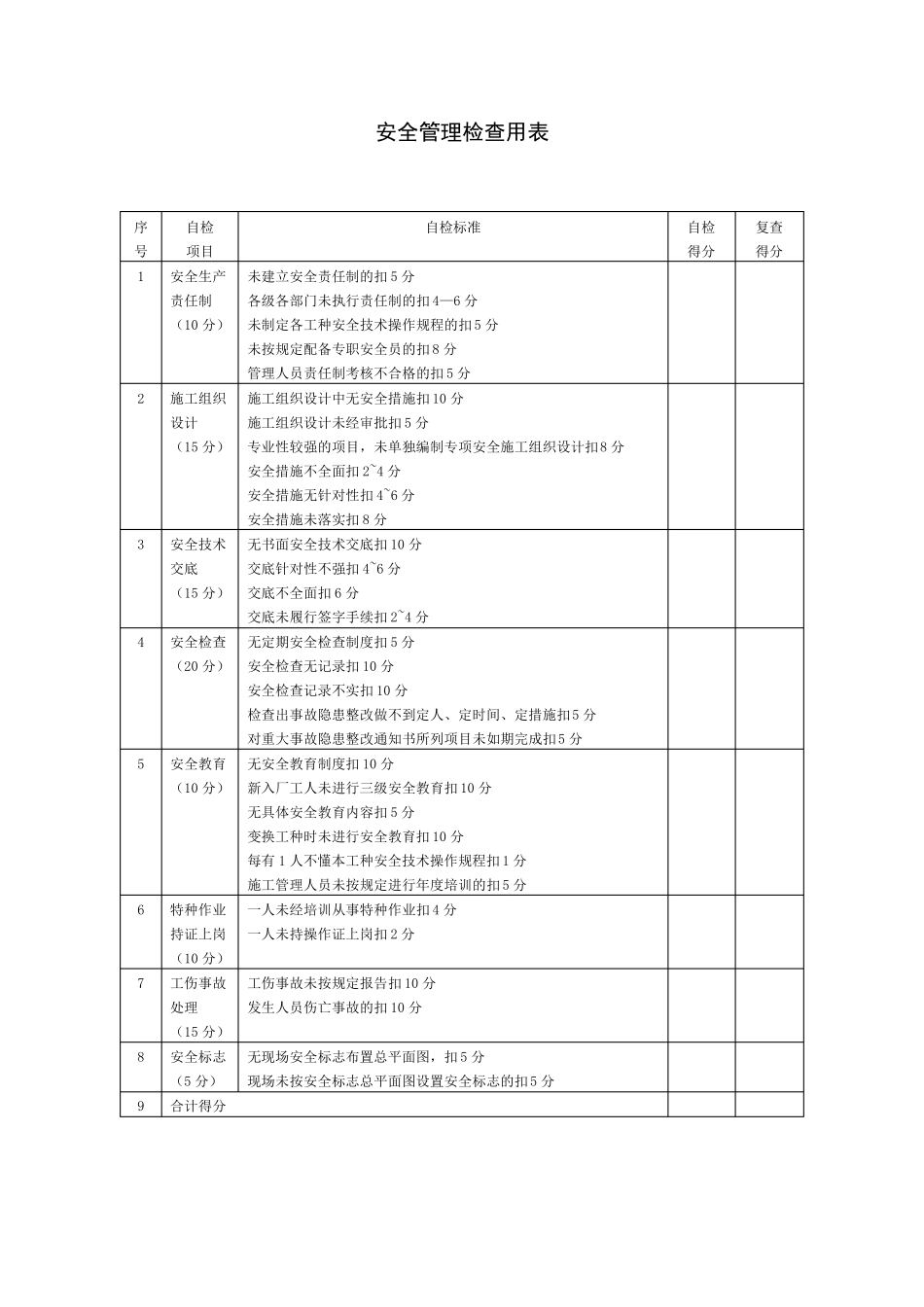
建筑工程安全生产检查表(十项内容) (企业自检和安全监督部门复检) 工程名称: 项目负责人(签字): 监理单位总监(签字): 施工单位(盖章): 监理单位(盖章): 主监人: 监督员: 二 OO 年 月 日 安全管理检查用表 序号 自检 项目 自检标准 自检 得分 复查 得分 1 安全生产责任制 (10 分) 未建立安全责任制的扣5 分 各级各部门未执行责任制的扣4—6 分 未制定各工种安全技术操作规程的扣5 分 未按规定配备专职安全员的扣8 分 管理人员责任制考核不合格的扣5 分 2 施工组织设计 (15 分) 施工组织设计中无安全措施扣10 分 施工组织设计未经审批扣5 分 专业性较强的项目,未单独编制专项安全施工组织设计扣8 分 安全措施不全面扣2~4 分 安全措施无针对性扣4~6 分 安全措施未落实扣8 分 3 安全技术交底 (15 分) 无书面安全技术交底扣10 分 交底针对性不强扣4~6 分 交底不全面扣6 分 交底未履行签字手续扣2~4 分 4 安全检查 (20 分) 无定期安全检查制度扣5 分 安全检查无记录扣10 分 安全检查记录不实扣10 分 检查出事故隐患整改做不到定人、定时间、定措施扣5 分 对重大事故隐患整改通知书所列项目未如期完成扣5 分 5 安全教育 (10 分) 无安全教育制度扣10 分 新入厂工人未进行三级安全教育扣10 分 无具体安全教育内容扣5 分 变换工种时未进行安全教育扣10 分 每有 1 人不懂本工种安全技术操作规程扣1 分 施工管理人员未按规定进行年度培训的扣5 分 6 特种作业持证上岗 (10 分) 一人未经培训从事特种作业扣4 分 一人未持操作证上岗扣2 分 7 工伤事故处理 (15 分) 工伤事故未按规定报告扣10 分 发生人员伤亡事故的扣10 分 8 安全标志 (5 分) 无现场安全标志布置总平面图,扣5 分 现场未按安全标志总平面图设置安全标志的扣5 分 9 合计得分 场容场貌检查用表 序号 自检 项目 自检标准 自检 得分 复查 得分 1 现场围挡 (10 分) 在市区主要路段的工地周围未设置高于2.5m 的围挡扣10 分 一般路段的工地周围未设置高于1.8m 的围挡扣10 分 围挡材料不坚固、不稳定、不整洁、不美观扣5 分 围挡没有沿工地四周连续设置的扣5 分 2 封闭管理 (10 分) 施工现场进出口无大门的扣5 分 无门卫和无门卫制度的扣5 分 3 施工场地 (15 分) 工地地面未做硬化处理的扣5 分 ...

1、当您付费下载文档后,您只拥有了使用权限,并不意味着购买了版权,文档只能用于自身使用,不得用于其他商业用途(如 [转卖]进行直接盈利或[编辑后售卖]进行间接盈利)。
2、本站所有内容均由合作方或网友上传,本站不对文档的完整性、权威性及其观点立场正确性做任何保证或承诺!文档内容仅供研究参考,付费前请自行鉴别。
3、如文档内容存在违规,或者侵犯商业秘密、侵犯著作权等,请点击“违规举报”。

碎片内容

建筑工程安全生产检查表(十项内容)

您可能关注的文档

确认删除?
VIP
微信客服
  • 扫码咨询
会员Q群
  • 会员专属群点击这里加入QQ群
客服邮箱
回到顶部