电脑桌面
添加小米粒文库到电脑桌面
安装后可以在桌面快捷访问

建筑工程风险管理清单

建筑工程风险管理清单_第1页
1/12
建筑工程风险管理清单_第2页
2/12
建筑工程风险管理清单_第3页
3/12
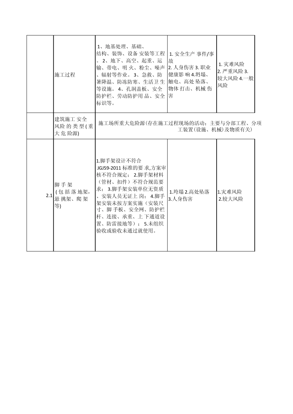
序号风险事件 风险产生原因风险产生后果风险等级1.1 自然环境 风险工地地理位置、水文和地质条件、气象条 件、资源和交通条件、工地外环境条件、 自然灾害条件等. 1.自然灾害 2. 项目目标 难以实现1.严重风险 2.一般风险1.2工程总平 面和功能 分区1.施工区、辅助生产区、办公管理区、生活 区等)的布局; 2.易燃易爆、有害物料及设施的布置,有害 源的布置;3.施工生产流程线的布置; 4.建筑物安全距离、卫生防护距离的留置; 5.运输及道路布置等。1. 影响施工 进度2. 安全生产 隐患1.较大风险2.一般风险1.3临时设施工程临时建筑、生活临时建筑、办公临时建 筑、强度、采光、通风、防火、防风、防雨、 防雷、防汛,建筑设备的防漏、防触电等。1. 员工职业 健康影响2. 安全生产 隐患1.较大风险2.一般风险1.4 机具设备施工机械、起重机械、电气设备、运输车 辆、弯钢机,断钢机等。 1.人身伤害2.交通事故3. 安全生产 事故1. 严重风险 2.较大风险建筑工程风险管理清单1.5施工过程 1、地基处理、基础、结构、装饰、设备 安装等工程。 2、地下、高空、起重、运输、带电、明 火、粉尘、噪声、辐射等作业。 3、急救、防暑降温、防冻防寒、生活卫 生等设施。 4、孔洞盖板、安全防护栏、劳动防护用 品、安全标识等。 1. 安全生产 事件/事故2. 人身伤害 3. 职业健康影 响 4.坍塌、触电、高处 坠落、物体 打击、机械 伤害 1. 灾难风险2. 严重风险 3.较大风险 4.一般风险建筑施工 安全风险 的 类 型 ( 重大 危 险源)2.1脚 手 架 ( 包 括 落 地架,悬 挑架、爬 架等)1.脚手架设计不符合 JGJ59-2011 标准的要 求,方案审核不符合规定; 2.脚手架材料(管材、扣件)不符合规范要求; 3.脚手架安装单位无资质、安装人员无证上 岗; 4.脚手架安装未按方案实施(安装尺寸、脚 手板、安全网、防护栏杆、连接、承重、上 下通道设置、防雷接地等); 5.未组织验收或验收未通过就使用。 1.垮塌 2.高处坠落3.人身伤害1.灾难风险 2.较大风险施工场所重大危险源(存在施工过程现场的活动;主要与分部工程、分项工装置(设施、机械)及物质有关)2.2 模板和支 撑1.模板和支撑工程无专项施工方案或未审 核、深基坑和高支撑无专家审核意见; 2.未严格依照经批准的专项施工方案和国 家(省)有关规定进行组织施工; 3.未对施工现场情况进行监测控制(结构变 形、位移和沉降观测); 4...

1、当您付费下载文档后,您只拥有了使用权限,并不意味着购买了版权,文档只能用于自身使用,不得用于其他商业用途(如 [转卖]进行直接盈利或[编辑后售卖]进行间接盈利)。
2、本站所有内容均由合作方或网友上传,本站不对文档的完整性、权威性及其观点立场正确性做任何保证或承诺!文档内容仅供研究参考,付费前请自行鉴别。
3、如文档内容存在违规,或者侵犯商业秘密、侵犯著作权等,请点击“违规举报”。

碎片内容

建筑工程风险管理清单

您可能关注的文档

确认删除?
VIP
微信客服
  • 扫码咨询
会员Q群
  • 会员专属群点击这里加入QQ群
客服邮箱
回到顶部