电脑桌面
添加小米粒文库到电脑桌面
安装后可以在桌面快捷访问

建筑智能化弱电工程施工周报范本(模板韩祥林)

建筑智能化弱电工程施工周报范本(模板韩祥林)_第1页
1/7
建筑智能化弱电工程施工周报范本(模板韩祥林)_第2页
2/7
建筑智能化弱电工程施工周报范本(模板韩祥林)_第3页
3/7
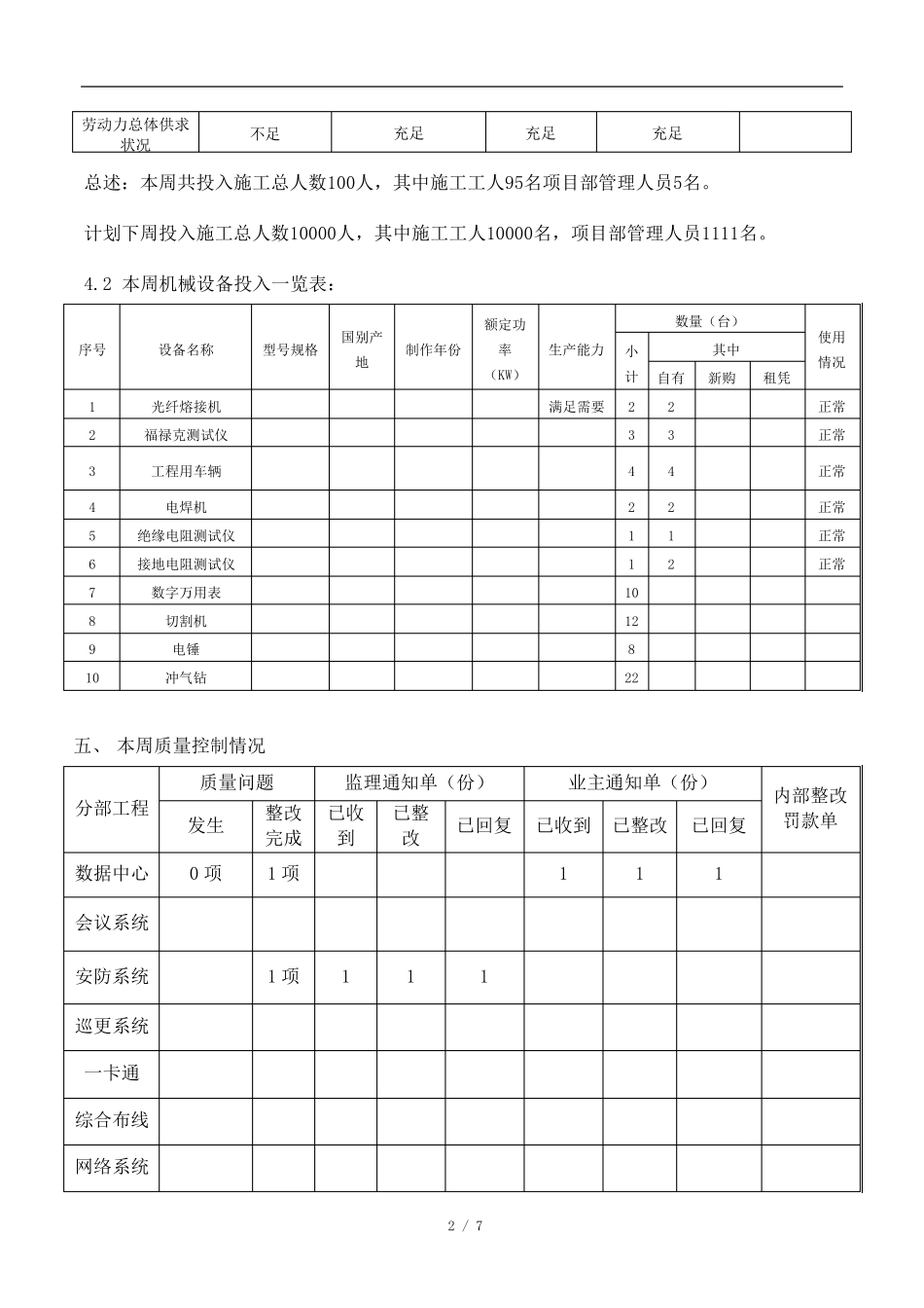
中国江苏国际经济技术合作集团有限公司 1 / 7 项目周报 总期第 三 期 2017年2月10日- 2017年2月14日 一、 项目概述 项目名称 XXX 项目 项目合同编号 2019 项目经理 XXX 所属部门 XXX 部 二、 项目总体进展 进展情况 简要说明 项目进度  计划内 □ 延迟不足 2 周 □ 提前 □ 延迟 2 周以上 项目范围  计划内 □ 扩大 □ 缩小 预算投入  计划内 □ 增加 □减少 三、 客户意见 编号 提出人/角色 客户意见 四、 施工劳动力及机械设备投入情况 4.1 本周劳动力投入一览表: 工种/班组 装修(木)工 焊工 水电工 杂(小)工 暖通工 固定工人数 11 11 11 11 11 新进班组 无 数据中心水电班组 无 2 / 7 劳动力总体供求状况 不足 充足 充足 充足 总述:本周共投入施工总人数100人,其中施工工人95名项目部管理人员5名。 计划下周投入施工总人数10000人,其中施工工人10000名,项目部管理人员1111名。 4.2 本周机械设备投入一览表: 序号 设备名称 型号规格 国别产地 制作年份 额定功率(KW) 生产能力 数量(台) 使用情况 小计 其中 自有 新购 租凭 1 光纤熔接机 满足需要 2 2 正常 2 福禄克测试仪 3 3 正常 3 工程用车辆 4 4 正常 4 电焊机 2 2 正常 5 绝缘电阻测试仪 1 1 正常 6 接地电阻测试仪 1 2 正常 7 数字万用表 10 8 切割机 12 9 电锤 8 10 冲气钻 22 五、 本周质量控制情况 分部工程 质量问题 监理通知单(份) 业主通知单(份) 内部整改罚款单 发生 整改完成 已收到 已整改 已回复 已收到 已整改 已回复 数据中心 0 项 1 项 1 1 1 会议系统 安防系统 1 项 1 1 1 巡更系统 一卡通 综合布线 网络系统 3 / 7 大屏 总计 7 项 7 项 4 4 4 1 1 1 本周质量工作分析及改进措施:无 六、 材料/设备到场情况 序号 材料名称 数量 自检记录 报审情况 到货照片 1 摄像机 10000 已自检,各类证件齐全,可进场使用 已报审监理 有 2 交换机 1000台 3 X86服务器 4 道闸 5 门禁控制器 6 存储 7 光缆 8 卡博菲桥架 9 冷却塔 七、 本周施工进度情况 7.1 本周施工进度情况及偏差分析 7.1.1本周共完成工作内容如下: 1. 数据中心暖通系统完成80% 2. 2号楼综合布线系统管线敷设1000000000米 目前安防系统室外...

1、当您付费下载文档后,您只拥有了使用权限,并不意味着购买了版权,文档只能用于自身使用,不得用于其他商业用途(如 [转卖]进行直接盈利或[编辑后售卖]进行间接盈利)。
2、本站所有内容均由合作方或网友上传,本站不对文档的完整性、权威性及其观点立场正确性做任何保证或承诺!文档内容仅供研究参考,付费前请自行鉴别。
3、如文档内容存在违规,或者侵犯商业秘密、侵犯著作权等,请点击“违规举报”。

碎片内容

建筑智能化弱电工程施工周报范本(模板韩祥林)

您可能关注的文档

确认删除?
VIP
微信客服
  • 扫码咨询
会员Q群
  • 会员专属群点击这里加入QQ群
客服邮箱
回到顶部