电脑桌面
添加小米粒文库到电脑桌面
安装后可以在桌面快捷访问

建筑识图整理出来的重点

建筑识图整理出来的重点_第1页
1/21
建筑识图整理出来的重点_第2页
2/21
建筑识图整理出来的重点_第3页
3/21
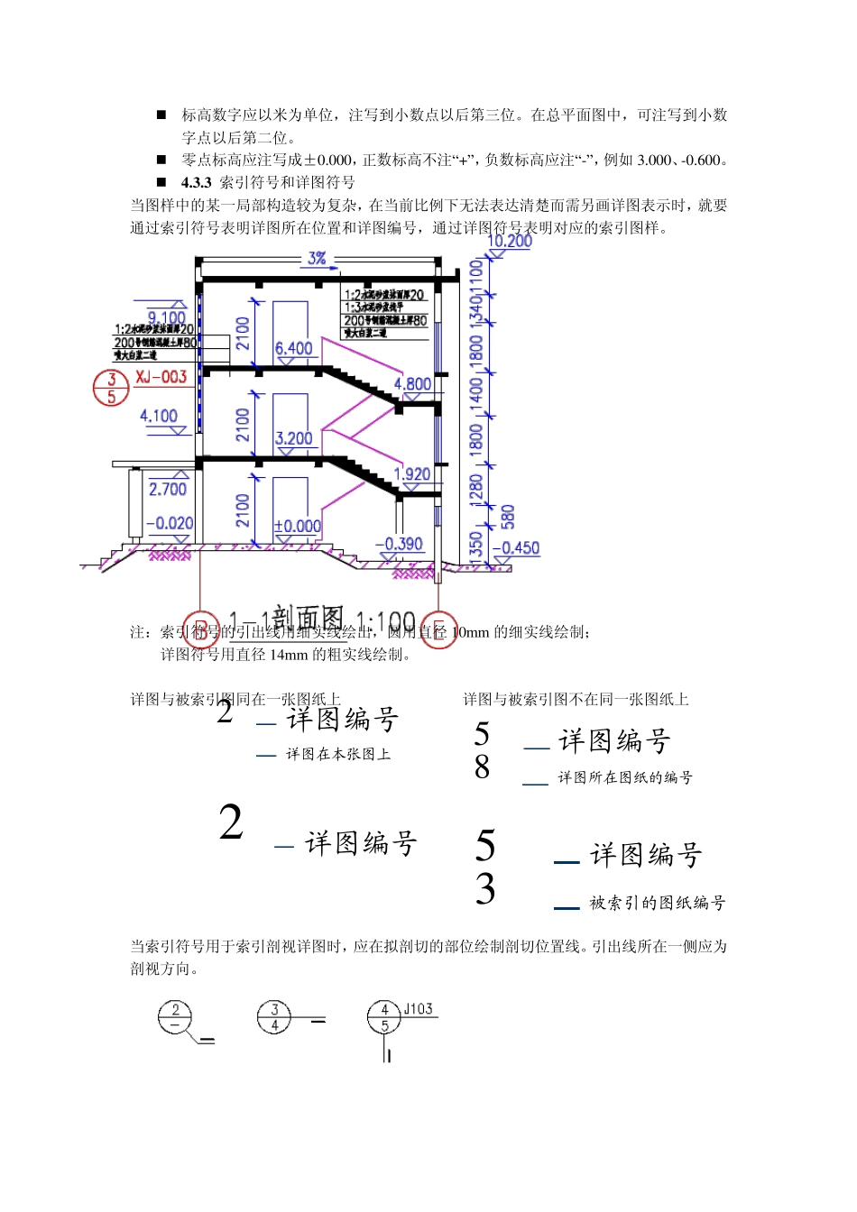
 4 .3 施工图中常用符号和图例  定位轴线  标高符号  索引符号和详图符号  其它符号  常用材料图例  常用构、配件图例  比例和尺寸标注 • 4 .3 .1 定位轴线 • 定位轴线是确定建筑构配件位置及相互关系的基准线,同时也是施工定位放线的依据。 • 通常将房屋建筑中的主要承重构件(如基础、墙、柱、屋架)的轴线作为定位轴线,并按规定进行编号。 • 横向编号应用阿拉伯数字,从左至右顺序编写,竖向编号应用大写拉丁字母,从下至上顺序编写 。拉丁字母的 I、O、Z 不得用做轴线编号。 • 定位轴线采用细单点长划线,编号应注写在轴线端部的圆内。圆应用细实线绘制,直径为 8~10m m 。 圆形平面图中定位轴线的编号,其径向轴线宜用阿拉伯数字表示,从左下角开始,按逆时针顺序编写;其圆周轴线宜用大写拉丁字母表示,从外向内顺序编写 。 折线形平面图中的定位轴线可如图示方式编写。 • 4 .3 .2 标高符号 • 标高是标定建筑物构配件位置高度的一种尺寸形式。分为绝对标高和相对标高两种。 • 绝对标高:以我国青岛黄海海面的平均高度为零点测定的标高。 • 相对标高:以建筑物底层室内地面为零点测定的标高。 • 除总平面图中采用绝对标高,其它图纸一般都采用相对标高。  标高数字应以米为单位,注写到小数点以后第三位。在总平面图中,可注写到小数字点以后第二位。  零点标高应注写成±0.000,正数标高不注“+”,负数标高应注“-”,例如 3.000、-0.600。  4 .3 .3 索引符号和详图符号 当图样中的某一局部构造较为复杂,在当前比例下无法表达清楚而需另画详图表示时,就要通过索引符号表明详图所在位置和详图编号,通过详图符号表明对应的索引图样。 注:索引符号的引出线用细实线绘出,圆用直径 10m m 的细实线绘制; 详图符号用直径 14m m 的粗实线绘制。 详图与被索引图同在一张图纸上 详图与被索引图不在同一张图纸上 当索引符号用于索引剖视详图时,应在拟剖切的部位绘制剖切位置线。引出线所在一侧应为剖视方向。 2 2 详图编号 详图在本张图上 详图编号 5 8 5 3 详图编号 详图所在图纸的编号 详图编号 被索引的图纸编号 • 4 .3 .4 其它符号 引出线应以细实线绘制,宜采用水平方向的直线、与水平方向成30°、45°、60°、90°的直线,或经上述角度再折为水平线。文字说明宜注写在水平线的上方,也可注写在水平线...

1、当您付费下载文档后,您只拥有了使用权限,并不意味着购买了版权,文档只能用于自身使用,不得用于其他商业用途(如 [转卖]进行直接盈利或[编辑后售卖]进行间接盈利)。
2、本站所有内容均由合作方或网友上传,本站不对文档的完整性、权威性及其观点立场正确性做任何保证或承诺!文档内容仅供研究参考,付费前请自行鉴别。
3、如文档内容存在违规,或者侵犯商业秘密、侵犯著作权等,请点击“违规举报”。

碎片内容

建筑识图整理出来的重点

确认删除?
VIP
微信客服
  • 扫码咨询
会员Q群
  • 会员专属群点击这里加入QQ群
客服邮箱
回到顶部