电脑桌面
添加小米粒文库到电脑桌面
安装后可以在桌面快捷访问

建筑防水材料选用技术

建筑防水材料选用技术_第1页
1/21
建筑防水材料选用技术_第2页
2/21
建筑防水材料选用技术_第3页
3/21
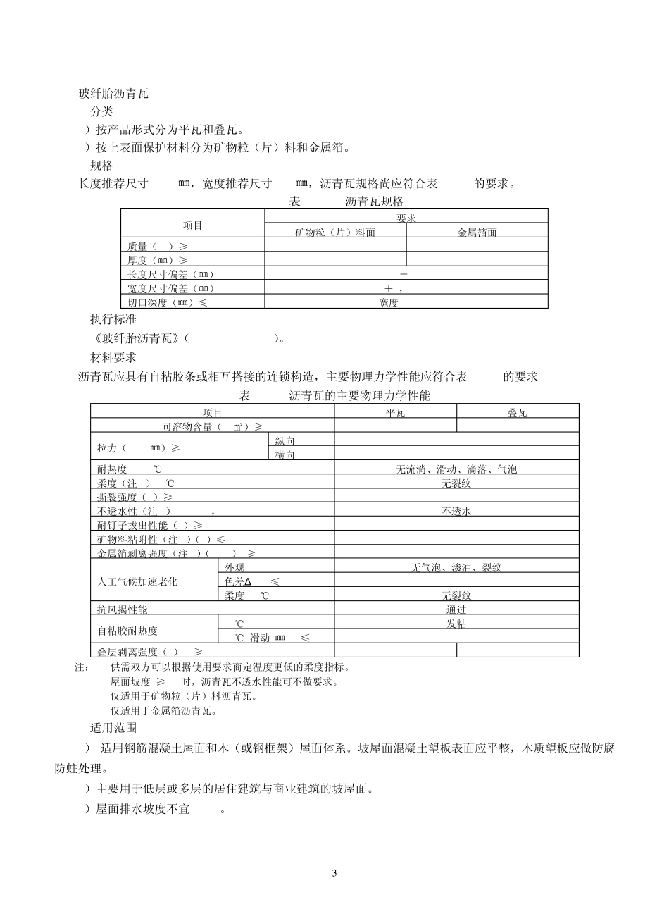
1 建筑防水材料选用技术(上) 中国建筑学会建筑材料分会防水专业供稿 编者按: 《全国民用建筑工程设计技术措施》(2009年版)是由住房和城乡建设部工程质量安全监管司组织中国建筑标准设计研究院等单位编制的一套大型的、以指导民用建筑工程设计为主的技术文件,是对《全国民用建筑工程设计技术措施》(2003年版)的首次修编。 《全国民用建筑工程设计技术措施》(2009年版)编制的目的是为了更好地贯彻落实《建设工程质量管理条例》等现行法律、法规以及《工程建设标准强制性条文》等工程建设技术标准,进一步提高建筑工程设计质量和设计效率,供全国各设计单位参照使用,也可供有关建设管理部门、建设单位和教学、科研、施工、监理等人员参考。 《建筑产品选用技术》分册包括建筑·装修和给水排水、暖通空调·燃气、电气,内容涉及所涵盖专业的常用类别以及部分建筑新产品,用于指导工程设计和相关人员正确选用建筑产品。 书中第 8章屋面系统、第 9章防水材料产品选用技术的内容仍是责成中国建筑学会建筑材料分会防水专业的专家们完成的,相关内容包括坡屋面系统、瓦、现场喷涂硬泡聚氨酯保温防水屋面、防水卷材、防水涂料、刚性防水材料、建筑密封材料、堵漏材料、压型金属板材屋面防水等9方面的内容。 防水卷材包括:SBS改性沥青防水卷材、APP(APAO)改性沥青防水卷材、自粘聚合物改性沥青聚酯胎防水卷材、自粘橡胶沥青防水卷材、改性沥青聚乙烯胎防水卷材、三元乙丙橡胶(EPDM)防水卷材(硫化型)、改性三元乙丙橡胶(TPV)防水卷材、聚氯乙烯(PVC)防水卷材、高密度聚乙烯(HDPE)土工膜、低密度聚乙烯(LDPE)或乙烯-醋酸乙烯(EVA)土工膜、钠基膨润土防水毯; 防水涂料包括:单组分聚氨酯防水涂料(S型)、双组分聚氨酯防水涂料(M型)、涂刮型聚脲防水涂料、喷涂型聚脲防水涂料、高渗透改性环氧防水涂料、丙烯酸酯类防水涂料、聚合物水泥(JS)防水涂料、水泥基渗透结晶型防水涂料、水乳型橡胶沥青微乳液防水涂料、水乳型阳离子氯丁橡胶沥青防水涂料、溶剂型SBS改性沥青防水涂料、非固化橡胶沥青防水涂料、热熔型橡胶改性沥青防水涂料; 刚性防水材料包括:防水混凝土、防水砂浆; 建筑密封材料包括:密封胶、建筑用硅酮结构密封胶、硅酮建筑密封胶、聚硫建筑密封胶、聚氨酯建筑密封胶、丙烯酸酯建筑密封胶、橡胶止水带、遇水膨胀橡胶止水条; 堵漏材料:主要是无机防水堵漏材料。 这些内容从概述、执行标准、主要技...

1、当您付费下载文档后,您只拥有了使用权限,并不意味着购买了版权,文档只能用于自身使用,不得用于其他商业用途(如 [转卖]进行直接盈利或[编辑后售卖]进行间接盈利)。
2、本站所有内容均由合作方或网友上传,本站不对文档的完整性、权威性及其观点立场正确性做任何保证或承诺!文档内容仅供研究参考,付费前请自行鉴别。
3、如文档内容存在违规,或者侵犯商业秘密、侵犯著作权等,请点击“违规举报”。

碎片内容

建筑防水材料选用技术

您可能关注的文档

确认删除?
VIP
微信客服
  • 扫码咨询
会员Q群
  • 会员专属群点击这里加入QQ群
客服邮箱
回到顶部