电脑桌面
添加小米粒文库到电脑桌面
安装后可以在桌面快捷访问

制氧机技术要求VIP免费

制氧机技术要求_第1页
1/16
制氧机技术要求_第2页
2/16
制氧机技术要求_第3页
3/16
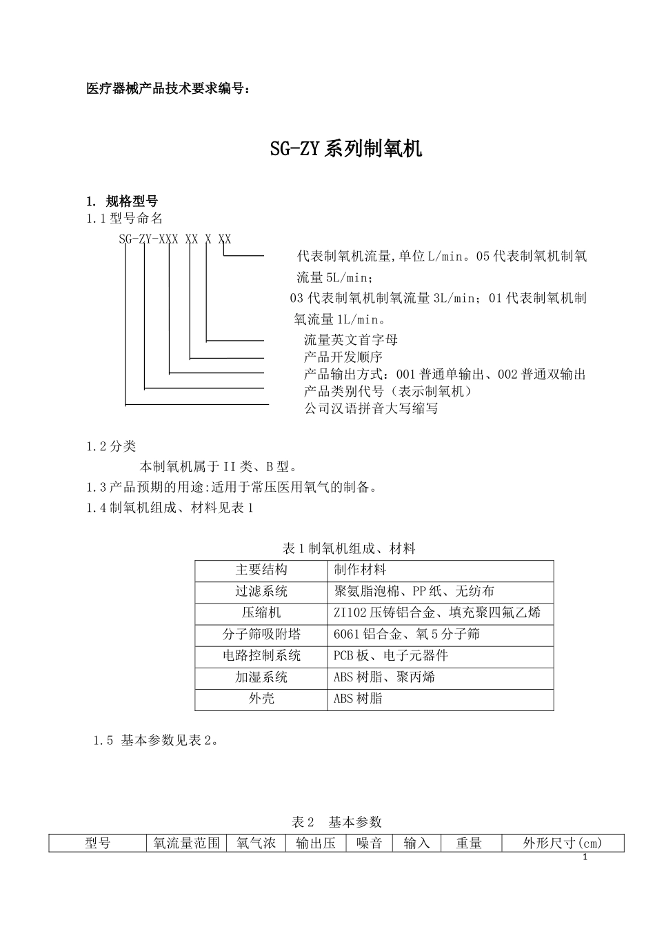
医疗器械产品技术要求编号:SG-ZY系列制氧机平顶山神行保健科技有限公司医疗器械产品技术要求编号:SG-ZY系列制氧机1.规格型号1.1型号命名SG-ZY-XXXXXXXX代表制氧机流量,单位L/min。05代表制氧机制氧流量5L/min;03代表制氧机制氧流量3L/min;01代表制氧机制氧流量1L/min。流量英文首字母产品开发顺序产品输出方式:001普通单输出、002普通双输出产品类别代号(表示制氧机)公司汉语拼音大写缩写1.2分类本制氧机属于II类、B型。1.3产品预期的用途:适用于常压医用氧气的制备。1.4制氧机组成、材料见表1表1制氧机组成、材料主要结构制作材料过滤系统聚氨脂泡棉、PP纸、无纺布压缩机ZI102压铸铝合金、填充聚四氟乙烯分子筛吸附塔6061铝合金、氧5分子筛电路控制系统PCB板、电子元器件加湿系统ABS树脂、聚丙烯外壳ABS树脂1.5基本参数见表2。表2基本参数型号氧流量范围氧气浓输出压噪音输入重量外形尺寸(cm)1(L/min)度(V/V)力kPadB(A)功率(VA)(Kg)±2Kg(长×款×高)±1cmSG-ZY-00101F051-5L/min≥90%40~50<58≤6002644.5×37.2×68SG-ZY-00102F031-3L/min≥90%30~70<54≤3502547×28.5×55.6SG-ZY-00103F01≤1L/min≥90%40~50<46≤15016.535.5×28.5×50.82性能指标2.1要求正常工作条件a)环境温度范围:10℃~40℃b)相对湿度范围:30%~75%c)大气压力范围:86kPa~106kPad)电源:220V±22V,50Hz±1Hz2.2外观要求2.2.1制氧机表面应整洁,无明显斑痕、划痕、缺陷。2.2.2制氧机标志醒目,铭牌准确、清晰。2.2.3制氧机外壳相互配合面缝隙一致,无明显翘曲、变形。2.3制氧机出口气体理化指标2.3.1氧气浓度:≥90%(V/V)。2.3.2水分含量:≤0.07g/m3。2.3.3二氧化碳含量:符合GB8982-20095.3条的规定。2.3.4一氧化碳含量:符合GB8982-20095.3条的规定。2.3.5气态酸性物资和碱性物质含量:符合GB8982-20095.4条的规定。2.3.6臭氧及其他气态氧化物含量:符合GB8982-20095.5条的规定。2.3.7氧气应无气味。2.3.8固体物质颗径:≤10μm。2.3.9固体物质含量:≤0.5mg/m3。2.4气密性:所有紧固件连接应牢靠,不得有任何松动,各种管路排列整齐,其连接处不得漏气。2.5噪声:SG-ZY-00101F05型制氧机的噪声不大于58dB(A)。SG-ZY-00102F03型制氧机的噪声不大于54dB(A)。SG-ZY-00103F01型制氧机的噪声不大于46dB(A)。22.6制氧机开启后,所有部件正常工作,指示灯正常工作,并有氧气输出。2.7制氧量及氧浓度:制氧机开机10分钟之内,其制氧量、氧气浓度应达到表3的要求。表3型号氧气流量氧气浓度(V/V)SG-ZY-00101F051-5L/min可调≥90%SG-ZY-00102F031-3L/min可调≥90%SG-ZY-00103F011L/min流量≤1L/min,氧气浓度≥90%1L/min<流量≤2L/min,氧气浓度≥72%2L/min<流量≤3L/min,氧气浓度≥55%2.8指示灯及按钮2.8.1电源指示灯为绿色。2.8.2制氧机正常工作,出口氧气浓度≥82%(±3%)时,其浓度指示灯为绿色。当50%≤出口氧气浓度<82%时,三分钟之内浓度指示灯绿灯、黄灯同时亮。当出口氧气浓度<50%(±3%),在三分钟之内,红灯亮,并伴有持续的报警声。显示屏显示“LO”,整机停止运行。2.9声音报警:设备正常运转断电时,氧气出口无气体流出时,制氧机1分钟内声音报警。2.10制氧机输出气体压力符合表4要求:表4型号输出压力kPaSG-ZY-00101F0540~50SG-ZY-00102F0330~70SG-ZY-00103F0140~502.11流量计误差:≤±10%。2.12加湿杯:安全泻压阀的动作压力范围:≤350kPa。2.13累计时器:0~99999.9小时。2.14安全见附录A(规范性附录)。2.15环境试验要求按GB/T14710-2009中规定的气候环境Ⅱ组、机械环境Ⅱ组及表5的规定。表5试验要求及检验项目3试验要求及检验项目试验项目试验要求检测项目持续时间(h)恢复时间(h)通电状态试验条件初始检测中间检测最后检测电源电压198V242V额定工作低温试验1-试验时通电正常4.6-4.6√-低温贮存试验44试验后通电正常4.6-4.6220V额定工作高温试验1-试验时通电正常4.64.6--√运行试验4-试验时通电正常--4.6-√高温贮存试验44试验后通电正常4.6-4.6220V额定工作湿热试验4-试验时通电正常4.6-4.6220V湿热贮存试验4824试验后通电正常4.6-4.6220V振动...

1、当您付费下载文档后,您只拥有了使用权限,并不意味着购买了版权,文档只能用于自身使用,不得用于其他商业用途(如 [转卖]进行直接盈利或[编辑后售卖]进行间接盈利)。
2、本站所有内容均由合作方或网友上传,本站不对文档的完整性、权威性及其观点立场正确性做任何保证或承诺!文档内容仅供研究参考,付费前请自行鉴别。
3、如文档内容存在违规,或者侵犯商业秘密、侵犯著作权等,请点击“违规举报”。

碎片内容

制氧机技术要求

您可能关注的文档

确认删除?
VIP
微信客服
  • 扫码咨询
会员Q群
  • 会员专属群点击这里加入QQ群
客服邮箱
回到顶部