电脑桌面
添加小米粒文库到电脑桌面
安装后可以在桌面快捷访问

开关插座检验批

开关插座检验批_第1页
1/8
开关插座检验批_第2页
2/8
开关插座检验批_第3页
3/8
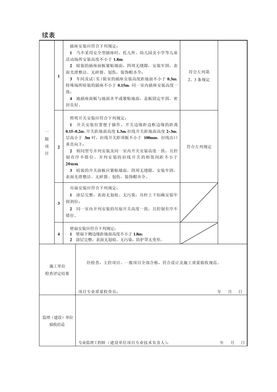
开关、插座、风扇安装分项工程检验批质量验收记录 DQ3.4.3 工程名称 江宁托乐嘉花园二期 A 14 幢 检验批部位 一单元1—6 层 项目经理 周方华 工程施工 单位名称 南京凯盛建筑安装 工程有限公司 分包项目经理 专业工长 分包单位 施工执行标准 名称及编号 GB50303—2002 施工班组长 邢光富 序号 GB50303 — 2002 的规定 施工单位 检查评定记录 监理(建设) 单位验收记录 主 控 项 目 1 当交流、直流或不同电压等级的插座安装在同一场所时,应有明显的区别,且必须选择不同的结构、不同规格和不能互换的插座;配套的插头应按交流、直流或不同电压等级区别使用。 2 插座接线应符合下列规定: 1 单相两孔插座,面对插座的右孔或上孔与相线连接,左孔或下孔与零线连接;单相三孔插座,面对插座的右孔与相线连接,左孔与零线连接; 2 单相三孔、三相四孔及三相五孔插座的接地(PE)或接零(PEN)线接在上孔。插座的接地端子不与零线端子连接。同一场所的三相插座,接线的相序一致。 3 接地(PE)或接零(PEN)线在插座间不串联连接。 符合左列规定 3 特殊情况下插座安装应符合下列规定: 1 当接插有触电危险家用电器的电源时,采用能断开电源的带开关插座,开关断开相线; 2 潮湿场所采用密封型并带保护地线触头的保护型插座,安装高度不低于 1.5m。 符合左列规定 4 照明开关安装应符合下列规定: 1 同一建筑物、构筑物的开关采用同一系列的产品,开关的通断位置一致,操作灵活、接触可靠; 2 相线经开关控制;民用住宅用软线引至床边的床头开关。 符合左列规定 5 吊扇安装应符合下列规定: 1 吊扇挂钩安装牢固,吊扇挂钩的直径不小于吊扇挂销直径,且不小于 8m m;有防振橡胶垫;挂销的防松零件齐全、可靠; 2 吊扇扇叶距地高度不小于 2.5m; 3 吊扇组装不改变扇叶角度,扇叶固定螺栓防松零件齐全; 4 吊 杆间、吊杆 与电机间螺 纹连接,啮合 长度不小于20m m,且防松零件齐全紧固; 5 吊扇接线正确,当运转时扇叶无明显颤动和异常声响。 6 壁扇安装应符合下列规定: 1 壁扇底座采用尼龙塞或膨胀螺栓固定;尼龙塞或膨胀螺栓的数量不少于 2 个,且直径不小于 8m m。固定牢固可靠; 2 壁扇防护罩扣紧,固定可靠,当运转时扇叶和防护罩无明显颤动和异常声响。 续表 一 般 项 目 1 插座安装应符合下列规定: 1 当不采用安全型插座时,托儿所、幼儿园...

1、当您付费下载文档后,您只拥有了使用权限,并不意味着购买了版权,文档只能用于自身使用,不得用于其他商业用途(如 [转卖]进行直接盈利或[编辑后售卖]进行间接盈利)。
2、本站所有内容均由合作方或网友上传,本站不对文档的完整性、权威性及其观点立场正确性做任何保证或承诺!文档内容仅供研究参考,付费前请自行鉴别。
3、如文档内容存在违规,或者侵犯商业秘密、侵犯著作权等,请点击“违规举报”。

碎片内容

开关插座检验批

确认删除?
VIP
微信客服
  • 扫码咨询
会员Q群
  • 会员专属群点击这里加入QQ群
客服邮箱
回到顶部